电脑桌面
添加小米粒文库到电脑桌面
安装后可以在桌面快捷访问

危大工程验收表

危大工程验收表_第1页
1/18
危大工程验收表_第2页
2/18
危大工程验收表_第3页
3/18
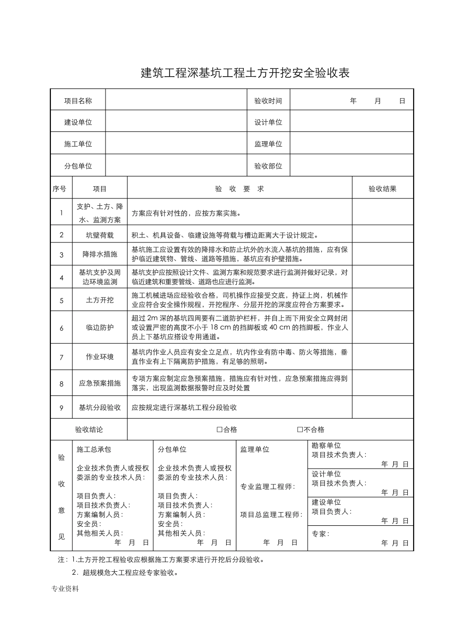
专业资料 建 筑 工 程 深 基 坑 工 程 土 方 开 挖 条 件 验 收 记 录 工 程 名 称 建 设 单 位 施 工 单 位 监 理 单 位 设 计 单 位 勘 察 单 位 计 划 开 工 时 间 计 划 完 工 时 间 验 收 内 容 及 自评 意 见 验 收 项 目 验 收 记 录 基 坑 支 护 、 基 底 加 固 是 否 按 设 计 及规 范 要 求 完 成 , 强 度 是 否 达 到 设 计要 求 降 水 井 是 否 已 完 成 且 降 水 深 度 达 到设 计 要 求 基 坑 周 边 建 筑 物 、 构 造 物 、 管 线 是否 已 得 到 保 护 基 坑 及 周 边 环 境 监 测 点 是 否 已 按 监测 方 案 布 置 完 成 , 是 否 符 合 设 计 及规 范 要 求 且 取 得 初 始 值 施 工 方 案 、 安 全 技 术 和 管 线 交 底 及各 项 应 急 工 作 的 准 备 是 否 就 绪 法 律 、 法 规 、 规 章 制 度 规 定 的 其 他条 件 验 收 意 见 □ 符 合 开 挖 条 件 □ 不 符 合 开 挖 条 件 验 收 单 位 施 工 总 承 包 单 位 企业技术负责人或授权委派的专业技术人员: 项目负责人: 项目技术负责人: 方案编制人员: 项目专职安全员: 其他相关人员: 年 月 日 分包单位 企业技术负责人或授权委派的专业技术人员: 项目负责人: 项目技术负责人: 方案编制人员: 安全员: 其他相关人员: 年 月 日 监理单位 专业监理工程师: 项目总监理工程师: 年 月 日 监测单位 项目技术负责人: 年 月 日 勘察单位 项目技术负责人: 年 月 日 设计单位 项目技术负责人: 年 月 日 建设单位 项目负责人: 年 月 日 专家论证组组长: 年 月 日 专业资料 建筑工程深基坑工程土方开挖安全验收表 项目名称 验收时间 年 月 日 建设单位 设计单位 施工单位 监理单位 分包单位 验收部位 序号 项目 验 收 要 求 验收结果 1 支护、土方、降水、监测方案 方案应有针对性的,应按方案实施。 2 坑壁荷载 积土、机具设备、临建设施等荷载与槽边距离大于设计规定。 3 降排水措施 基坑施工应设置有效的降排水和防止坑外的水流入基坑的措施,应有保护临近建筑物、管线、道路等措施,基坑应有护壁措施。 4 基坑...

1、当您付费下载文档后,您只拥有了使用权限,并不意味着购买了版权,文档只能用于自身使用,不得用于其他商业用途(如 [转卖]进行直接盈利或[编辑后售卖]进行间接盈利)。
2、本站所有内容均由合作方或网友上传,本站不对文档的完整性、权威性及其观点立场正确性做任何保证或承诺!文档内容仅供研究参考,付费前请自行鉴别。
3、如文档内容存在违规,或者侵犯商业秘密、侵犯著作权等,请点击“违规举报”。

碎片内容

危大工程验收表

确认删除?
VIP
微信客服
  • 扫码咨询
会员Q群
  • 会员专属群点击这里加入QQ群
客服邮箱
回到顶部