电脑桌面
添加小米粒文库到电脑桌面
安装后可以在桌面快捷访问

危险化学品从业单位安全生产标准化自扣分项目汇总表

危险化学品从业单位安全生产标准化自扣分项目汇总表_第1页
1/9
危险化学品从业单位安全生产标准化自扣分项目汇总表_第2页
2/9
危险化学品从业单位安全生产标准化自扣分项目汇总表_第3页
3/9
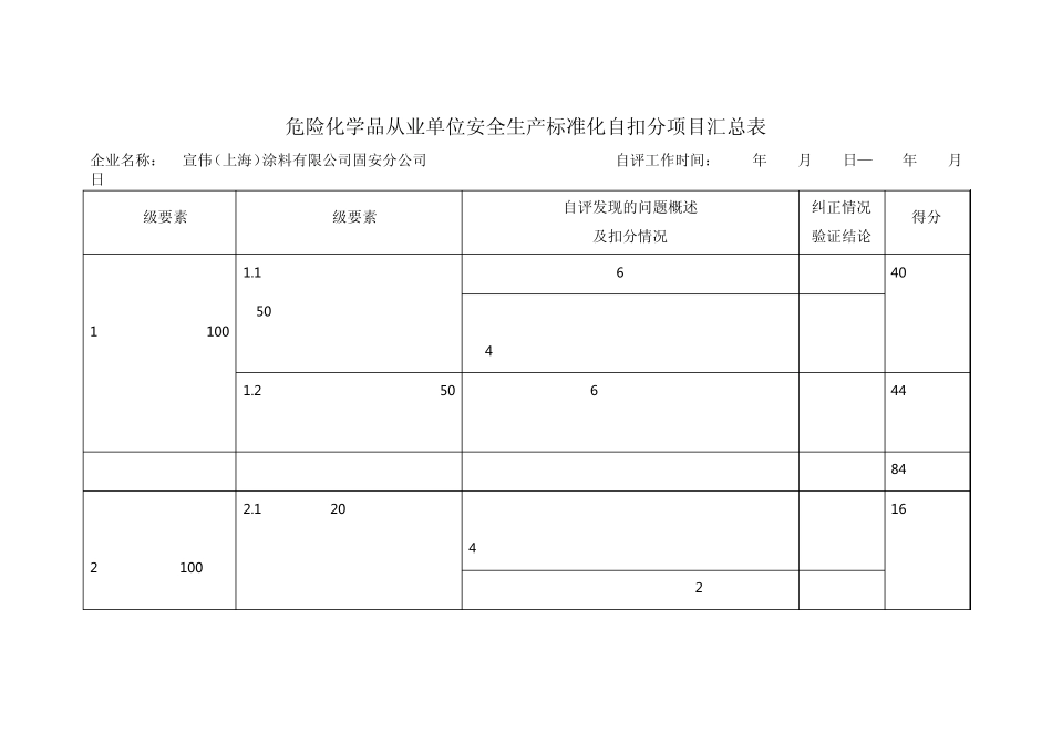
危险化学品从业单位安全生产标准化自扣分项目汇总表 企业名称: 宣伟(上海)涂料有限公司固安分公司 自评工作时间:20 年 月 日—20 年 月 日 A级要素 B级要素 自评发现的问题概述 及扣分情况 纠正情况验证结论 得分 1 法律、法规和标准(100分) 1.1 法律、法规和标准的识别和获取(50 分) 法律法规资料库不完整扣 6 分 40 法律、法规、标准及其他要求没有及时发放到相关岗位。扣 4 分 1.2 法律、法规和标准符合性评价(50分) 未制定整改计划。扣 6 分 44 合计 84 2 机构和职责(100 分) 2.1 方针目标(20 分) 车间部分人员不太了解安全生产方针和安全生产目标。扣4 16 安全生产目标考核奖惩执行不到位。扣 2 分 2.2 负责人(20 分) 未制定安全文化建设计划。扣 2 分 公司人员不清楚主要负责人的安全承诺。扣 5 分 9 有些会议没有记录。扣 2 分 带班考核记录未完善。扣 2 分 2.3 责任(30 分) 2 个部门未制定年度工作计划。 扣 4 分 19 安全管理人员待遇低于同级行政管理人员。 扣 3 分 安全考核奖未达到收入 5%。扣 4 分 2.4 组织机构(20 分) 没配备注册安全工程师。 扣 2 分 16 未建立安全生产管理网络。 扣 2 分。 2.5 安全生产投入(10 分) 安全生产费用台帐不够细化。 扣 4 分 4 未考核兑现。 扣 2 分 合计 62 3 风险管理(100 分) 3.1 范围与评价方法(10 分) 制定风险评价的频次过少。 扣 1 分 8 有关人员不清楚或未掌握选定的风险评价方法。 扣 1 分 3.2 风险评价(10 分) 作业活动清单过少。 扣 1 分 8 部分从业人员未参与风险评价工作。 扣 1 分 3.3 风险控制(15 分) 部分从业人员不了解本岗位风险及其控制措施, 扣 2 分。 13 3.4 隐患排查与治理(20 分) 档案内容不全。 扣 2 分 18 3.5 重大危险源(20 分) 没有重大危险源 此项缺失 0 3.6 变更(10 分) 10 3.7 风险信息更新(10 分) 没按时进行风险评价。 扣 2 分 8 3.8 供应商(5 分) 未定期识别与采购有关的风险。 扣 2 分。 3 合计 80 4 管理制度(100 分) 4.1 安全生产规章制度(40 分) 缺 2 项相关内容的管理制度。 扣 2 分; 34 2 项没发放。 扣 4 分 4.2 操作规程(40 分) 40 4.3 修订(20 分) 漏 2 项评审。 扣 6 分 14 合计...

1、当您付费下载文档后,您只拥有了使用权限,并不意味着购买了版权,文档只能用于自身使用,不得用于其他商业用途(如 [转卖]进行直接盈利或[编辑后售卖]进行间接盈利)。
2、本站所有内容均由合作方或网友上传,本站不对文档的完整性、权威性及其观点立场正确性做任何保证或承诺!文档内容仅供研究参考,付费前请自行鉴别。
3、如文档内容存在违规,或者侵犯商业秘密、侵犯著作权等,请点击“违规举报”。

碎片内容

危险化学品从业单位安全生产标准化自扣分项目汇总表

您可能关注的文档

确认删除?
VIP
微信客服
  • 扫码咨询
会员Q群
  • 会员专属群点击这里加入QQ群
客服邮箱
回到顶部