电脑桌面
添加小米粒文库到电脑桌面
安装后可以在桌面快捷访问

卸料平台施工技术交底

卸料平台施工技术交底_第1页
1/6
卸料平台施工技术交底_第2页
2/6
卸料平台施工技术交底_第3页
3/6
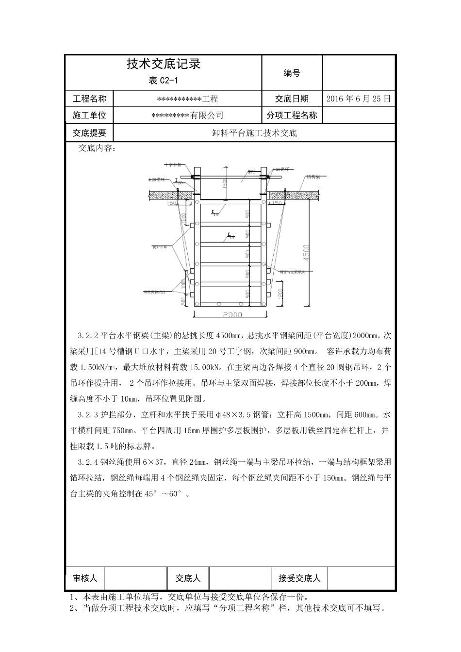
技术交底记录 表 C2-1 编号 工程名称 ***********工程 交底日期 2016 年6 月25 日 施工单位 *********有限公司 分项工程名称 交底提要 卸料平台施工技术交底 交底内容: 审核人 交底人 接受交底人 1、本表由施工单位填写,交底单位与接受交底单位各保存一份。 2、当做分项工程技术交底时,应填写“分项工程名称”栏,其他技术交底可不填写。 1、材料、设备要求 1.1 主要材料 1.1.1 Φ48×3.5mm 钢管、 1.1.2 [14 槽钢;I20 工字钢;28 圆钢;20 圆钢。 1.1.3 5cm 厚脚手板 1.1.4 十字扣、旋转扣 1.1.5 钢丝绳 6×37-24 1.2 主要机具 扳手、撬棍 2、作业条件 2.1 墙体混凝土强度达 7.5MPa 以上 2.2 卸料平台已焊成型 3、施工工艺 3.1、卸料平台的位置: 计划在1#楼北侧3-5 轴/A 轴、2#楼南侧2-4 轴/B 轴、3#楼南侧5-6 轴/E 轴,搭设2.0m×4.5m 卸料平台三部。 3.2 卸料平台加工 3.2.1 卸料平台采用 20 号工字钢作为主梁,次梁用[14 号槽钢,间距 900mm,满铺 50mm厚木脚手板,并用铁丝绑牢,形成平台。如下图: 技术交底记录 表 C2-1 编号 工程名称 ***********工 程 交底日期 2016 年 6 月 25 日 施工单位 *********有 限 公 司 分项工程名称 交底提要 卸 料 平 台 施 工 技 术 交 底 交 底 内 容 : 审核人 交底人 接受交底人 1、 本 表 由 施 工 单 位 填 写 , 交 底 单 位 与 接 受 交 底 单 位 各 保 存 一 份 。 2、 当 做 分 项 工 程 技 术 交 底 时 , 应 填 写 “ 分 项 工 程 名 称 ” 栏 , 其 他 技 术 交 底 可 不 填 写 。 钢 丝 绳 拉 结 点结 构 梁14提 升 吊 环钢 管 与 主 梁 焊 接钢 管1420φ 20锚 环十 字 卡 扣φ 28锚 环 3.2.2 平 台 水 平 钢 梁 (主 梁 )的 悬 挑 长 度 4500mm, 悬 挑 水 平 钢 梁 间 距 (平 台 宽 度 )2000mm。 次梁 采 用 [14 号 槽 钢 U 口 水 平 , 主 梁 采 用 20 号 工 字 钢 , 次 梁 间 距 900mm。 容 许 承 载 力 均 布 荷载 1.50kN/m2, 最 大 堆 放 材 料 荷 载 15.00kN。 在 主 梁 两 边 各 焊 接 4 个 直 径 20 圆 钢 吊 环 , 2 个吊 环 作 提 升 用 , 2 个 吊 环...

1、当您付费下载文档后,您只拥有了使用权限,并不意味着购买了版权,文档只能用于自身使用,不得用于其他商业用途(如 [转卖]进行直接盈利或[编辑后售卖]进行间接盈利)。
2、本站所有内容均由合作方或网友上传,本站不对文档的完整性、权威性及其观点立场正确性做任何保证或承诺!文档内容仅供研究参考,付费前请自行鉴别。
3、如文档内容存在违规,或者侵犯商业秘密、侵犯著作权等,请点击“违规举报”。

碎片内容

卸料平台施工技术交底

您可能关注的文档

确认删除?
VIP
微信客服
  • 扫码咨询
会员Q群
  • 会员专属群点击这里加入QQ群
客服邮箱
回到顶部