电脑桌面
添加小米粒文库到电脑桌面
安装后可以在桌面快捷访问

钢筋机械连接技术交底书

钢筋机械连接技术交底书_第1页
1/10
钢筋机械连接技术交底书_第2页
2/10
钢筋机械连接技术交底书_第3页
3/10
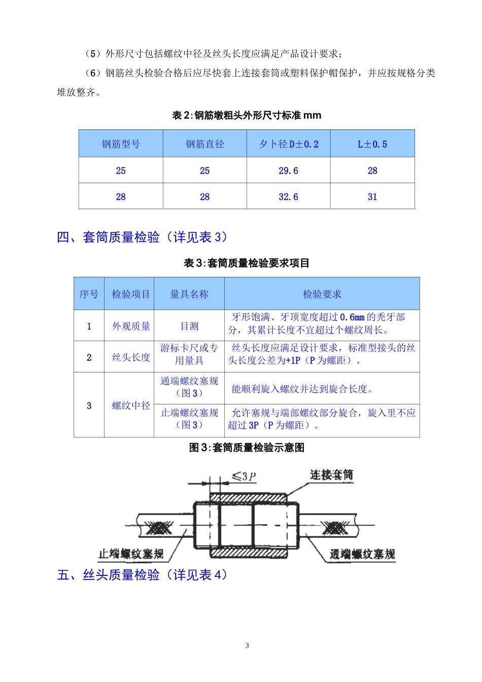
1技术交底书合同段:G235 大田德州至溪柏林 A2 合同段单位:中铁十七局集团第六工程有限公司主送单位钢筋班编号工程名称钢筋机械连接日期施工技术负责人交底人钢筋机械连接施工技术交底一、工艺简介镦粗直螺纹钢筋接头是将钢筋的连接端先行镦粗,再加工出圆柱螺纹并用连接套筒连接的钢筋接头。直螺纹套筒接头与传统的焊接方式相比,具有接头强度高,连接速度快,应用范围广,适应性强,文明施工程度高和经济成本低的优点。根据镦粗方式分为热镦和冷镦两种形式,本工程钢筋接头连接使用等强冷镦粗直螺纹钢筋接头详见图 1,设计要求直径大于 25mm 的钢筋接头采用镦粗直螺纹接头,使用的套筒规格详见表 1。表 1:镦粗直螺纹扩口型套筒尺寸规格 mm钢筋直径套筒外径套筒长度螺纹规格标准型丝头长加长型丝头长2538.560M29X3.03060284366M32X3.03366图 1:冷镦粗直螺纹钢筋接头二、工艺流程图2钢筋原料检钢筋原料检工地连质检员监理抽加保护红油漆标丝头检丝头检三、工艺要求1、镦粗头(1) 根据钢筋原材料直径负偏差来确定镦粗机压模内径;(2) 钢筋下料时,切割钢筋头 0.5〜10mm,切口端面应与钢筋轴线垂直,不得有马蹄形或挠曲;(3) 镦粗头的基圆直径应满足丝头螺纹加工的要求,冷镦粗过渡段坡度应不大于 1:5,详见表 2、图 2;(4) 镦粗头不得有横向表面裂纹;(5)不合格的镦粗头,应切去后重新镦粗,不得对镦粗头进行二次镦粗。图 2:镦粗头示意图2、丝头(1) 应根据钢筋原材料直径负偏差来确定滚丝机滚丝轮直径;(2) 加工钢筋丝头时,应采用水溶性切削液;(3) 钢筋丝头的螺纹应与连接套筒的螺纹相匹配,公差带应符合 GB/T197 的规定;(4)完整螺纹牙形饱满,牙顶宽度超过 0.6mm 的秃牙部分,其累计长度不宜超过一个螺纹周长;3(5)外形尺寸包括螺纹中径及丝头长度应满足产品设计要求;(6)钢筋丝头检验合格后应尽快套上连接套筒或塑料保护帽保护,并应按规格分类堆放整齐。表 2:钢筋墩粗头外形尺寸标准 mm钢筋型号钢筋直径夕卜径 D±0.2L±0.5252529.628282832.631四、套筒质量检验(详见表 3)表 3:套筒质量检验要求项目序号检验项目量具名称检验要求1外观质量目测牙形饱满、牙顶宽度超过 0.6mm 的秃牙部分,其累计长度不宜超过个螺纹周长。2丝头长度游标卡尺或专用量具丝头长度应满足设计要求,标准型接头的丝头长度公差为+1P(P 为螺距)。3螺纹中径通端螺纹塞规(图 3)能顺利旋入螺纹并达到旋合长度。止端螺纹塞规(...

1、当您付费下载文档后,您只拥有了使用权限,并不意味着购买了版权,文档只能用于自身使用,不得用于其他商业用途(如 [转卖]进行直接盈利或[编辑后售卖]进行间接盈利)。
2、本站所有内容均由合作方或网友上传,本站不对文档的完整性、权威性及其观点立场正确性做任何保证或承诺!文档内容仅供研究参考,付费前请自行鉴别。
3、如文档内容存在违规,或者侵犯商业秘密、侵犯著作权等,请点击“违规举报”。

碎片内容

钢筋机械连接技术交底书

wxg+ 关注
实名认证
内容提供者

该用户很懒,什么也没介绍

确认删除?
VIP
微信客服
  • 扫码咨询
会员Q群
  • 会员专属群点击这里加入QQ群
客服邮箱
回到顶部