电脑桌面
添加小米粒文库到电脑桌面
安装后可以在桌面快捷访问

原材料验收规范20VIP专享

原材料验收规范20_第1页
1/17
原材料验收规范20_第2页
2/17
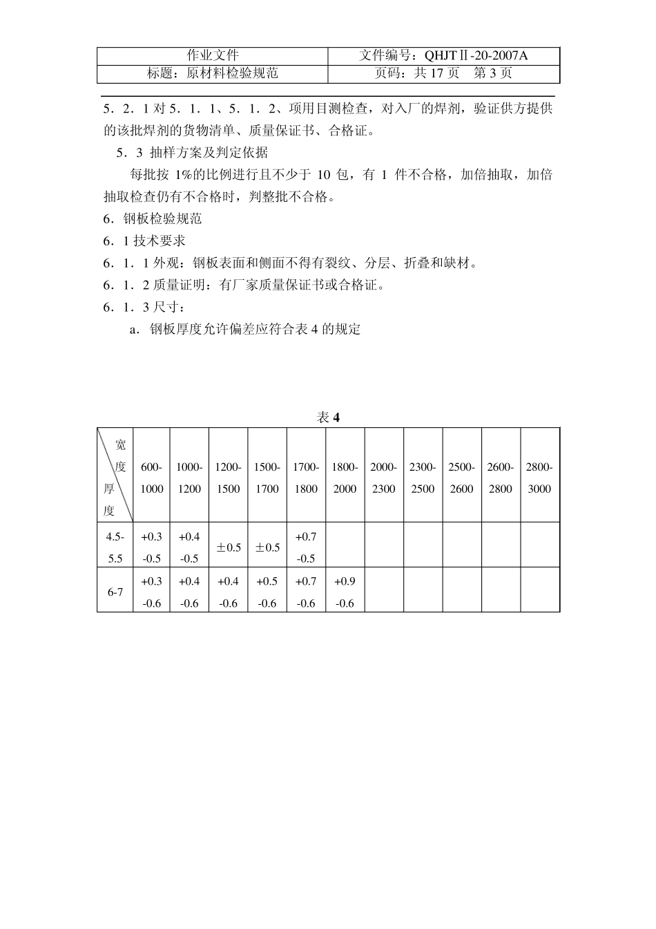
原材料验收规范20_第3页
3/17
作业文件 文件编号:QHJTⅡ-20-2007A 标题:原材料检验规范 页码:共17 页 第1 页 1.目的和范围 为了规范原材料检测,使原材料的检测有据可依,本标准规定了原材料的检测项目、检测方法及技术要求,适用于本公司的所用原材料的采购与入库验收。 2.焊条检验规范 2.1 技术要求 公司使用焊条型号:碳钢焊条J422(E4303) J506(E5016) 2.1.1 外观:焊条表面不应有裂纹、气泡、锈蚀及剥落缺陷。 2.1.2 质量证明:有厂家的质量保证书或合格证,出厂日期在保质期内。 2.1.3 尺寸:应符合表1 的规定 表1 焊条直径 焊条长度 基本尺寸 极限偏差 基本尺寸 极限偏差 Ф 3.2 ±0.05 350-450 ±2.0 Ф 4.0 Ф 5 2.2 检验方法 2.2.1 对 2.1.1、2.1.2 项用目测检查,对入厂的焊条,验证供方提供的该批焊条的货物清单、质量保证书、合格证。 2.2.2 对 2.1.3 项目用游标卡尺检查。 2.3 抽样方案及判定依据 每批按 1%的比例进行且不少于10 包,有1 件不合格,加倍抽取,加倍抽取检查仍有不合格时,判整批不合格。 3.二氧化碳气体保护焊丝检验规范 3.1 技术要求 公司使用焊丝型号:ER50-6,φ 1.6 3.1.1 外观:表面光滑平整,不应有毛刺、划痕、锈蚀和氧化等,镀铜层均匀牢固,无起鳞与剥离现象。 3.1.2 质量证明:有厂家质量保证书或合格证,出厂日期在保质期内。 3.1.3 尺寸:应符合表2 的规定 表2 焊丝直径 允许偏差 φ 1.6 +0.01 -0.04 作业文件 文件编号:QHJTⅡ-20-2007A 标题:原材料检验规范 页码:共 17 页 第 2 页 3.2 检验方法 3.2.1 对 3.1.1、3.1.2 项用目测检查,对入厂的焊丝,验证供方提供的该批焊丝的货物清单、质量保证书、合格证。 3.2.2 对 3.1.3 项用游标卡尺检查。 3.3 抽样方案及判定依据 每批按 1%的比例进行且不少于 10 包,有 1 件不合格,加倍抽取,加倍抽取检查仍有不合格时,判整批不合格。 4.埋弧焊丝检验规范 4.1 技术要求 公司使用焊丝型号:H10Mn2、H08MnA,φ 4.0、φ 5.0 4.1.1 外观:焊丝表面应光滑,无毛刺、凹陷、裂纹、折痕、氧化皮等缺陷或其他不利于焊接操作以及对焊缝金属性能有不利影响的外来物质,焊丝表面允许有不超过直径允许偏差之半的划伤及不超出直径偏差的局部缺陷存在,镀层表面光滑,不得有肉眼可见的裂纹、麻点、锈蚀及镀层脱落等。 4.1.2 质量证...

1、当您付费下载文档后,您只拥有了使用权限,并不意味着购买了版权,文档只能用于自身使用,不得用于其他商业用途(如 [转卖]进行直接盈利或[编辑后售卖]进行间接盈利)。
2、本站所有内容均由合作方或网友上传,本站不对文档的完整性、权威性及其观点立场正确性做任何保证或承诺!文档内容仅供研究参考,付费前请自行鉴别。
3、如文档内容存在违规,或者侵犯商业秘密、侵犯著作权等,请点击“违规举报”。

碎片内容

原材料验收规范20

确认删除?
VIP
微信客服
  • 扫码咨询
会员Q群
  • 会员专属群点击这里加入QQ群
客服邮箱
回到顶部