电脑桌面
添加小米粒文库到电脑桌面
安装后可以在桌面快捷访问

双闭环直流调速系统设计

双闭环直流调速系统设计_第1页
1/17
双闭环直流调速系统设计_第2页
2/17
双闭环直流调速系统设计_第3页
3/17
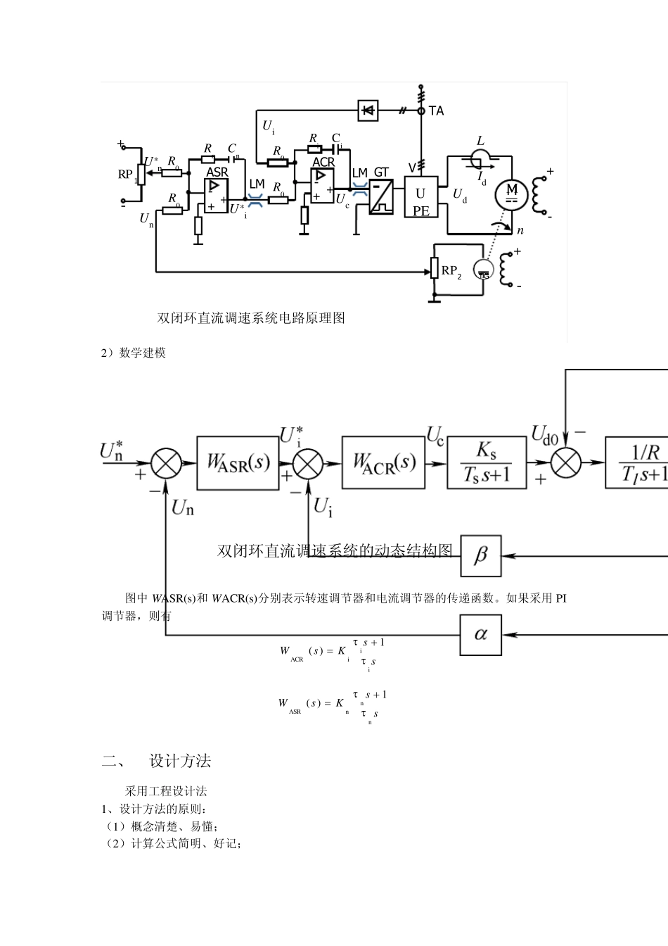
双闭环直流调速系统设计 一、 系统组成与数学建模 1)系统组成 为了实现转速和电流两种负反馈分别起作用,可在系统中设置两个调节器,分别调节转速和电流,即分别引入转速负反馈和电流负反馈。二者之间实行嵌套(或称串级)联接如下图所示。 图中,把转速调节器的输出当作电流调节器的输入,再用电流调节器的输出去控制电力电子变换器 UPE。从闭环结构上看,电流环在里面,称作内环;转速环在外边,称作外环。 这就形成了转速、电流双闭环调速系统。 为了获得良好的静、动态性能,转速和电流两个调节器一般都采用 P I 调节器,这样构成的双闭环直流调速系统的电路原理图示于下图。图中标出了两个调节器输入输出电压的实际极性,它们是按照电力电子变换器的控制电压 Uc 为正电压的情况标出的,并考虑到运算放大器的倒相作用。 TG n ASR ACR U*n + - Un Ui U*i + - Uc TA V M + - Ud Id UPE L - M T+ 图3-2 转速、电流双闭环直流调速系统结构 ASR—转速调节器 ACR—电流调节器 TG—测速发电机 内环 外环 2)数学建模 图中WASR(s)和WACR(s)分别表示转速调节器和电流调节器的传递函数。如果采用PI调节器,则有 ssKsWiiiACR1)( ssKsWnnnASR1)( 二、 设计方法 采用工程设计法 1、设计方法的原则: (1)概念清楚、易懂; (2)计算公式简明、好记; 双闭环直流调速系统电路原理图 + + - + - M TG + - + - RP2 n U*n R0 R0 Uc Ui TA L Id Ri Ci Ud + + - R0 R0 Rn Cn ASR ACR LM GT V RP 1 Un U*i LM M TUPE 双闭环直流调速系统的动态结构图 (3)不仅给出参数计算的公式,而且指明参数调整的方向; (4)能考虑饱和非线性控制的情况,同样给出简单的计算公式; (5)适用于各种可以简化成典型系统的反馈控制系统。 2、工程设计方法的基本思路: (1)选择调节器结构,使系统典型化并满足稳定和稳态精度。 (2)设计调节器的参数,以满足动态性能指标的要求。 一般来说,许多控制系统的开环传递函数都可表示为 n1iirm1jj)1()1()(sTssKsW 上式中,分母中的 sr 项表示该系统在原点处有 r 重极点,或者说,系统含有 r 个积分环节。根据 r=0,1,2,… … 等不同数值,分别称作0 型、I 型、Ⅱ型、… … 系统。 自动控制理论已经证明,0 型系统稳态精度低,而Ⅲ型和Ⅲ型以上的系统很难稳定。 因...

1、当您付费下载文档后,您只拥有了使用权限,并不意味着购买了版权,文档只能用于自身使用,不得用于其他商业用途(如 [转卖]进行直接盈利或[编辑后售卖]进行间接盈利)。
2、本站所有内容均由合作方或网友上传,本站不对文档的完整性、权威性及其观点立场正确性做任何保证或承诺!文档内容仅供研究参考,付费前请自行鉴别。
3、如文档内容存在违规,或者侵犯商业秘密、侵犯著作权等,请点击“违规举报”。

碎片内容

双闭环直流调速系统设计

您可能关注的文档

确认删除?
VIP
微信客服
  • 扫码咨询
会员Q群
  • 会员专属群点击这里加入QQ群
客服邮箱
回到顶部