电脑桌面
添加小米粒文库到电脑桌面
安装后可以在桌面快捷访问

发动机润滑系统检修

发动机润滑系统检修_第1页
1/11
发动机润滑系统检修_第2页
2/11
发动机润滑系统检修_第3页
3/11
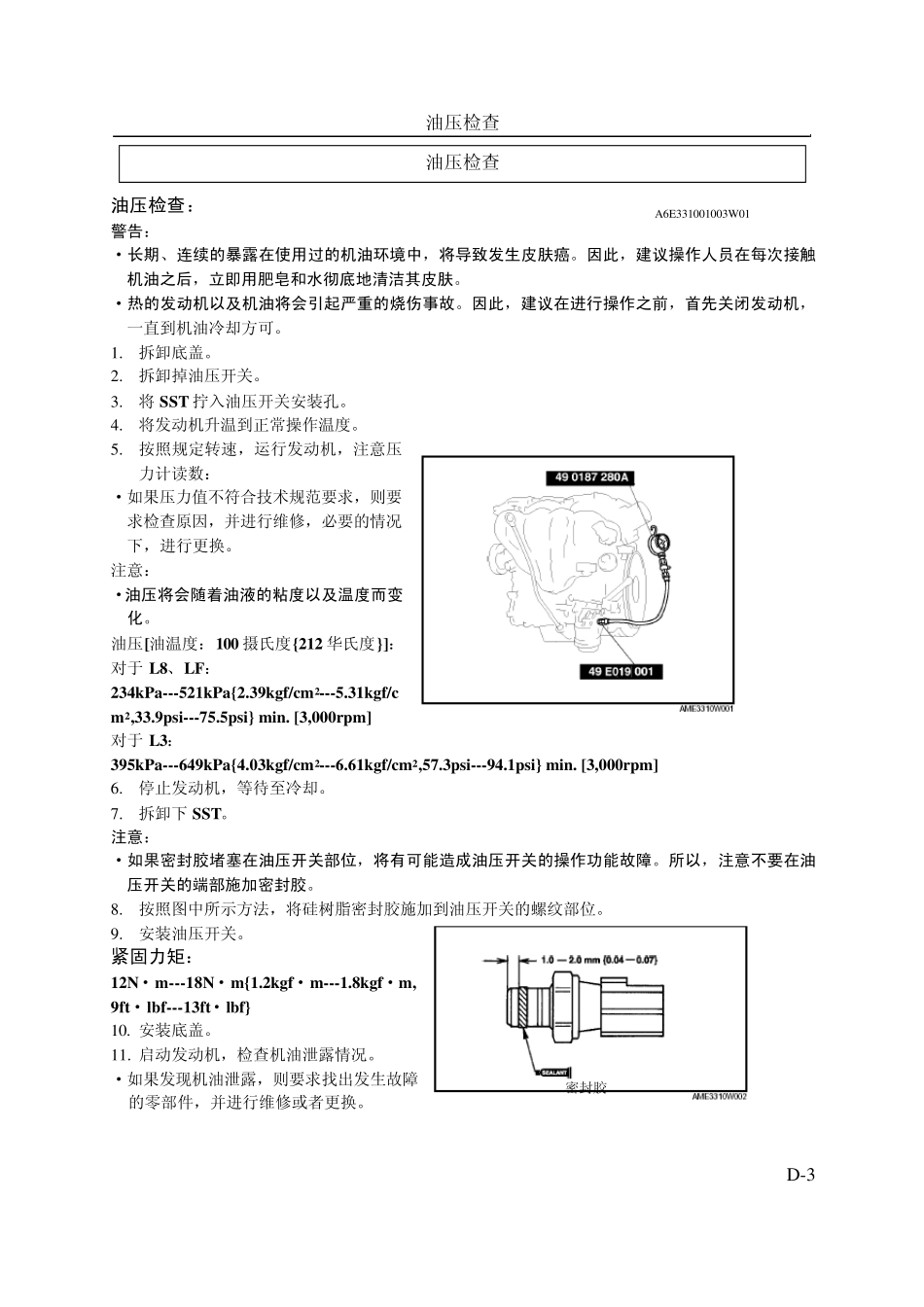
润滑系统 位置索引…………………………………………………………………………………………D -2 位置索引………………………………………………………………………………… D - 2 油压检查…………………………………………………………………………………………D -3 油压检查……………………………………………………………………………………D -3 机油………………………………………………………………………………………………D -4 机油检查……………………………………………………………………………………D -4 机油更换……………………………………………………………………………………D -4 机油滤清器…. …………………………………………………………………………………D -6 机油滤清器更换……………………………………………………………………………D -6 机油冷却器………………………………………………………………………………………D -7 机油冷却器拆卸/安装……………………………………………………………………D - 7 机油盘……………………………………………………………………………………………D -8 机油盘拆卸/安装…………………………………………………………………………D - 8 机油泵…………………………………………………………………………………………D -10 机油泵拆卸/ 安装…………………………………………………………………………D -10 D -1 位置索引 位置索引 位置索引: 1 机油滤清器(参考D-6 机油滤清器更换) 2 机油冷却器(LF 以及 L3 型发动机) (参考D-7 机油冷却器的拆卸/安装) 3 机油盘(参考D-8 机油盘的拆卸/安装) 4 油泵(参考D-10 油泵的拆卸/安装) D-2 油压检查 油压检查 油压检查: A6E331001003W 01 警告: ·长期、连续的暴露在使用过的机油环境中,将导致发生皮肤癌。因此,建议操作人员在每次接触机油之后,立即用肥皂和水彻底地清洁其皮肤。 ·热的发动机以及机油将会引起严重的烧伤事故。因此,建议在进行操作之前,首先关闭发动机,一直到机油冷却方可。 1. 拆卸底盖。 2. 拆卸掉油压开关。 3. 将SST 拧入油压开关安装孔。 4. 将发动机升温到正常操作温度。 5. 按照规定转速,运行发动机,注意压力计读数: ·如果压力值不符合技术规范要求,则要 求检查原因,并进行维修,必要的情况 下...

1、当您付费下载文档后,您只拥有了使用权限,并不意味着购买了版权,文档只能用于自身使用,不得用于其他商业用途(如 [转卖]进行直接盈利或[编辑后售卖]进行间接盈利)。
2、本站所有内容均由合作方或网友上传,本站不对文档的完整性、权威性及其观点立场正确性做任何保证或承诺!文档内容仅供研究参考,付费前请自行鉴别。
3、如文档内容存在违规,或者侵犯商业秘密、侵犯著作权等,请点击“违规举报”。

碎片内容

发动机润滑系统检修

您可能关注的文档

确认删除?
VIP
微信客服
  • 扫码咨询
会员Q群
  • 会员专属群点击这里加入QQ群
客服邮箱
回到顶部