电脑桌面
添加小米粒文库到电脑桌面
安装后可以在桌面快捷访问

LM电路图及应用

LM电路图及应用_第1页
1/12
LM电路图及应用_第2页
2/12
LM电路图及应用_第3页
3/12
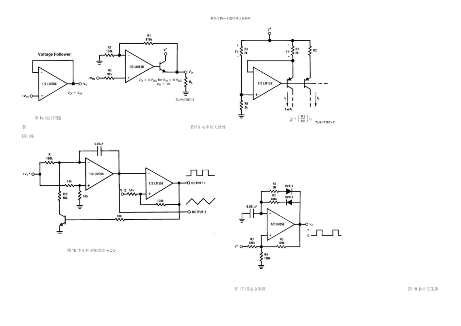
精品文档---下载后可任意编辑LM358 的封装形式有塑封 8 引线双列直插式、贴片式和圆形金属壳封装等。图 14 电压跟随器 图15 功率放大器外围电路 图 16 电压控制振荡器 VCOlm358 应用电路图来源: | 时间:2024 年 05 月 06 日 图 4 直流耦合低通 RC 有源滤波器 图 5 LED 驱动器 图 6 TTL 驱动电路 图 7 RC 有源带通滤波器精品文档---下载后可任意编辑 图 8 Squarewave 振荡器 图 9 滞后比较器 图 10 带通有源滤波器 图 11 灯驱动程序 图 12 电流监视器 图 13 低漂移峰值检测器精品文档---下载后可任意编辑 图 14 电压跟随器 图 15 功率放大器外围电路 图 16 电压控制振荡器 VCO 图 17 固定电流源 图 18 脉冲发生器精品文档---下载后可任意编辑 图 19 沟通耦合反相放大器 图 20 沟通耦合非反相放大器 图 21 可调增益仪表放大器 精品文档---下载后可任意编辑 图 22 直流放大器 图 23 脉冲发生器 图 24 桥式电流放大器 图 25 引用差分输入信号 图 26 直流差动放大器LED-闪光器电路图来源: | 时间:2024 年 05 月 06 日 图 1 可以用一只双色发光二极管的闪光电路 图 2 用二只发光二极管的闪光电路 精品文档---下载后可任意编辑 图 3 分立元件的 LED 闪光器电路图 图 4 分立元件的 LED 闪光器路(负反馈型,稳定性好)电源抑制比 100dB 图 1 DIP 塑封引脚图引脚功能 图 2 圆形金属壳封装管脚图精品文档---下载后可任意编辑 图 3 内部电路原理图 LM358 应用电路图: 图 4 直流耦合低通 RC 有源滤波器 图 5 LED 驱动器 图 6 TTL 驱动电路 图 7 RC 有源带通滤波器精品文档---下载后可任意编辑 图 8 Squarewave 振荡器 图 9 滞后比较器 图 10 带通有源滤波器 图 11 灯驱动程序 图 12 电流监视器 图 13 低漂移峰值检测器精品文档---下载后可任意编辑 图 14 电压跟随器 图 15 功率放大器外围电路 图 16 电压控制振荡器 VCO 图 17 固定电流源 图 18 脉冲发生器精品文档---下载后可任意编辑 图 19 沟通耦合反相放大器 图 20 沟通耦合非反相放大器 图 21 可调增益仪表放大器精品文档---下载后可任意编辑 图 22 直流放大器 图 23 脉冲发生器 图 24 桥式电流放大器 图 25 引用差分输入信号 lm358 应用电路 2024-06-01 09:21:30| 分类:电...

1、当您付费下载文档后,您只拥有了使用权限,并不意味着购买了版权,文档只能用于自身使用,不得用于其他商业用途(如 [转卖]进行直接盈利或[编辑后售卖]进行间接盈利)。
2、本站所有内容均由合作方或网友上传,本站不对文档的完整性、权威性及其观点立场正确性做任何保证或承诺!文档内容仅供研究参考,付费前请自行鉴别。
3、如文档内容存在违规,或者侵犯商业秘密、侵犯著作权等,请点击“违规举报”。

碎片内容

LM电路图及应用

您可能关注的文档

MY shop+ 关注
实名认证
内容提供者

欢迎挑选适合自己的材料。

确认删除?
VIP
微信客服
  • 扫码咨询
会员Q群
  • 会员专属群点击这里加入QQ群
客服邮箱
回到顶部