电脑桌面
添加小米粒文库到电脑桌面
安装后可以在桌面快捷访问

发电机电气试验方法及标准

发电机电气试验方法及标准_第1页
1/6
发电机电气试验方法及标准_第2页
2/6
发电机电气试验方法及标准_第3页
3/6
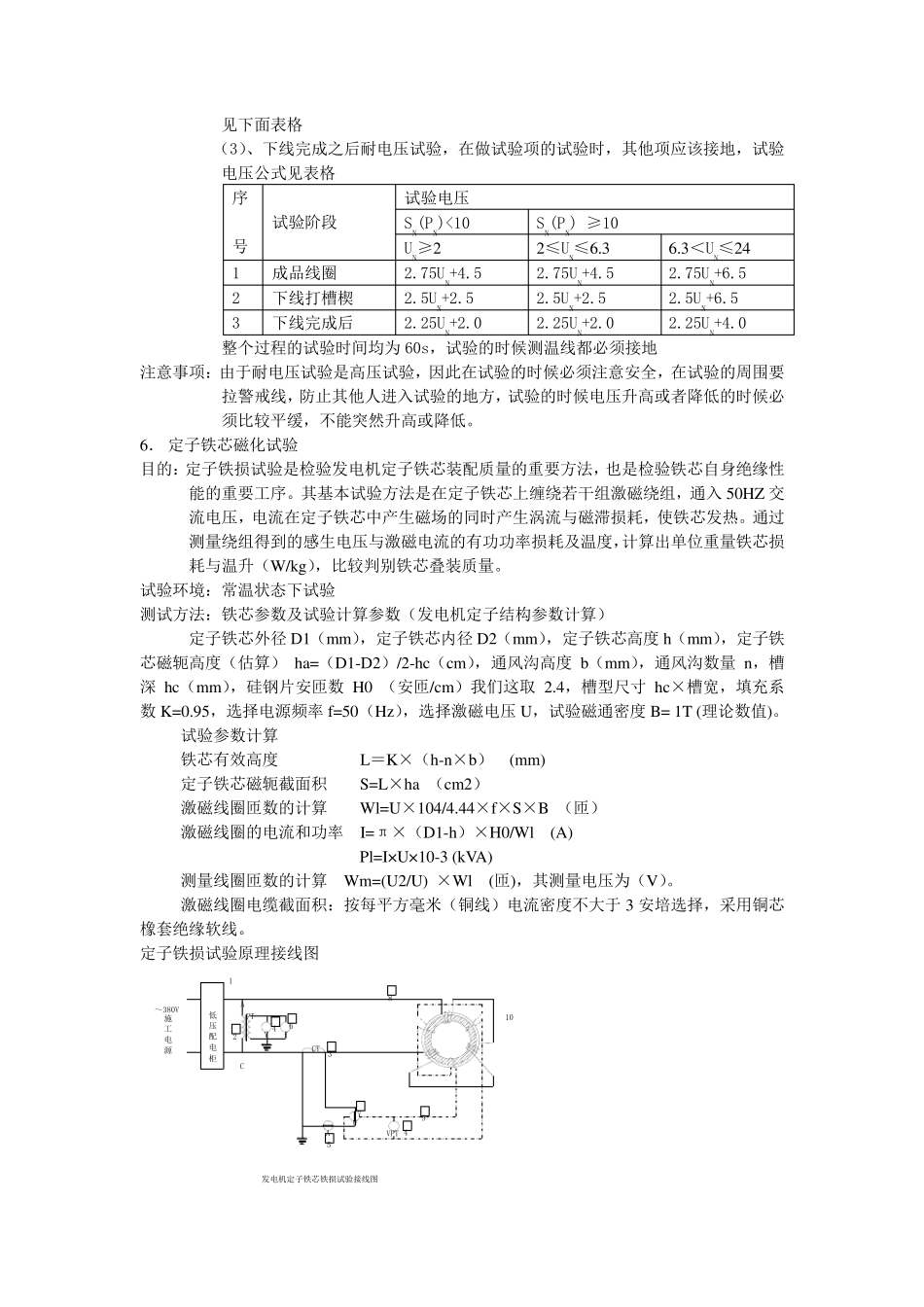
发电机电气试验方法及标准 一.高压发电机 第一部分:定子部件 1. 直流电阻 2. 目的:检查绕组的焊头是否出问题等原因 测试环境:冷状态下进行 测试工具:直流电阻电桥 数据处理:各项的测试应做以下处理 数据处理 (Imax-Imin)/I平均≤2% 结果判定:测试值必须满足以上的关系,不满足就应检查定子线圈。 3. 绝缘电阻 目的:检测线圈的绝缘电阻的大小,为以后的试验确定安全保证。 测试环境:常温下测试,记录数据要记录当前的温度。 测试工具:兆欧表 注意事项:在绝缘电阻测试的过程中,在每项测试完之后应该对绕组充分放电,不然会造成严重的后果 测试方法:在测量前应充分对地放点,注意机械调零,在测试的时候除开被测项,其他的各项都应该接地,测试的时候记录测试时间为 15s 和60s 时的电阻值,在测试后计算吸收比,吸收比=R60/R15 吸收比应满足大于2,而且各个项的绝缘电阻不平衡系数不应大于2(不平衡系数指最大一项的R60 与最小一项R60 之比) 4. 直流耐电压. 目的:在较高的电压下发现绕组绝缘的缺陷 测试环境:常温下进行试验 测试工具:直流耐压设 备 一套 测试方法:利 用 调压器 调节 电压使 高压侧 直流电压为 0.5UN、 1.0 UN、 1.5 UN、 2.0 UN、 2.5 UN、3.0 UN 每阶 段 要停 留 一分钟 的耐压试验时间,并 在试验的时候记录各个电压时候的电流值。每项在测试的时候其他项都必须接地。而且在电压相 同 的时候各个项的电流值应该比较相 近 。在规 定的试验电压下,各相 泄 漏 电流的差 别 不应大于最小值的50%。 注意事项:在测试的时候由 于是高压,因此 在测试的时候要注意安全,小心 周 围 环境。在每项测试完之后必须充分放电,否则 容 易 造成事故 。必须注意的就是,测温线圈的接线头必须接地。 5. 交 流耐电压 目的:检查线圈之间的绝缘性 能 测试环境:常温下进行试验 测试工具:耐电压试验设 备 一套 测试方法:发电机定子的交 流耐压试验在制 作 的过程中一共 有 三 个阶 段 要测试,下面 就分别介 绍 试验的方法: (1)、 单 个线圈的交 流耐电压试验,每次 基 本 上做10 个线圈的耐电压试验,试验方法是:在工作 台 上面 放木 方,木 方里 面 用 海 绵 等软 性 有 弹 性 的材 料 包 扎 一圈,必须要厚 点的,外 面 包 0.1mm 左 右 的铝 铂 ,并 且用 铜 丝 将 其绑...

1、当您付费下载文档后,您只拥有了使用权限,并不意味着购买了版权,文档只能用于自身使用,不得用于其他商业用途(如 [转卖]进行直接盈利或[编辑后售卖]进行间接盈利)。
2、本站所有内容均由合作方或网友上传,本站不对文档的完整性、权威性及其观点立场正确性做任何保证或承诺!文档内容仅供研究参考,付费前请自行鉴别。
3、如文档内容存在违规,或者侵犯商业秘密、侵犯著作权等,请点击“违规举报”。

碎片内容

发电机电气试验方法及标准

小辰+ 关注
实名认证
内容提供者

出售各种文档和资料

相关文档

确认删除?
VIP
微信客服
  • 扫码咨询
会员Q群
  • 会员专属群点击这里加入QQ群
客服邮箱
回到顶部