电脑桌面
添加小米粒文库到电脑桌面
安装后可以在桌面快捷访问

变压器产品详细参数VIP专享

变压器产品详细参数_第1页
1/16
变压器产品详细参数_第2页
2/16
变压器产品详细参数_第3页
3/16
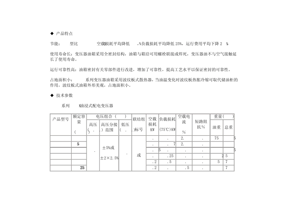
产品详细参数: ◆ 产品介绍 Overview 该产品执行国家标准GB1094《电力变压器》和GB/T6451《三相油浸式电力变压器技术参数和要求》。 S11系列是三相油浸式配电变压器。铁心材料选用DQ133-30(9型)、30ZH120(11型)、23ZH90(13型)等冷轧硅钢片,实际生产中使用的铁心材料不低于图样要求。 该产品采用全密封波纹油箱结构,变压器油和周围空气不接触,因此变压器油不会吸收外界水分,从而不会降低绝缘强度;另外因氧气无法进入油箱,从而避免了绝缘材料的老化,提高了该产品的使用寿命,同时也提高了社会效益。 ◆ 型号含义 The meaning of model S 11 - M - □ / □ 电压等级(kV) 额定容量(kVA) 密封式 性能水平代号 三相 ◆ 产 品 特 点 Features 节 能 : S11型 比 GB/T6451空 载 损 耗 平 均 降 低 30%, 负 载 损 耗 平 均 降 低 25%, 运 行 费 用 平 均 下 降 20%。 使 用 寿 命 长 : 变 压 器 油 箱 采 用 全 密 封 结 构 , 油 箱 与 箱 沿 可 用 螺 栓 联 接 或 焊 死 , 变 压 器 油 不 与 空 气 接 触 延长 了 使 用 寿 命 。 运 行 可 靠 性 高 : 油 箱 密 封 有 关 零 部 件 进 行 改 进 , 增 加 了 可 靠 性 , 提 高 工 艺 水 平 以 保 证 密 封 的 可 靠 性 。 占 地 面 积 小 : S11-M系 列 变 压 器 油 箱 采 用 波 纹 板 式 散 热 器 , 当 油 温 变 化 时 波 纹 板 热 胀 冷 缩 可 取 代 储 油 柜 的作 用 , 波 纹 板 式 油 箱 外 形 美 观 , 占 地 面 积 小 。 ◆ 技 术 参 数 Technical parameters S11-M系 列 10KV油 浸 式 配 电 变 压 器 产 品 型 号 Type 额 定 容量 (kVA) 电 压 组 合 (kV) 联 结 组 标 号 空 载损 耗KW 负 载 损 耗 (75℃ )KW 空 载 电流 % 短 路 阻抗 % 重 量 (kg) 高 压(H.V.) 高 压 分接范围 低 压(L.V.) 油 重 总重 S11-M-30 30 6 6.3 10 ±5%或 ±2×2.5% 0.4 Yyno 或 Dyn11 0.10 0.60 2.1 4.0 75 335 S11-M-50 50 0.13 0.87 2.0 4.0 90 430 S11-M-63 63 0.15 1.04 1.9 4.0 96 465 S11-M-80 80 0.18 1.25 1.8 4.0 112 580 S11-M-100 ...

1、当您付费下载文档后,您只拥有了使用权限,并不意味着购买了版权,文档只能用于自身使用,不得用于其他商业用途(如 [转卖]进行直接盈利或[编辑后售卖]进行间接盈利)。
2、本站所有内容均由合作方或网友上传,本站不对文档的完整性、权威性及其观点立场正确性做任何保证或承诺!文档内容仅供研究参考,付费前请自行鉴别。
3、如文档内容存在违规,或者侵犯商业秘密、侵犯著作权等,请点击“违规举报”。

碎片内容

变压器产品详细参数

确认删除?
VIP
微信客服
  • 扫码咨询
会员Q群
  • 会员专属群点击这里加入QQ群
客服邮箱
回到顶部