电脑桌面
添加小米粒文库到电脑桌面
安装后可以在桌面快捷访问

变电站安全性评价标准

变电站安全性评价标准_第1页
1/38
变电站安全性评价标准_第2页
2/38
变电站安全性评价标准_第3页
3/38
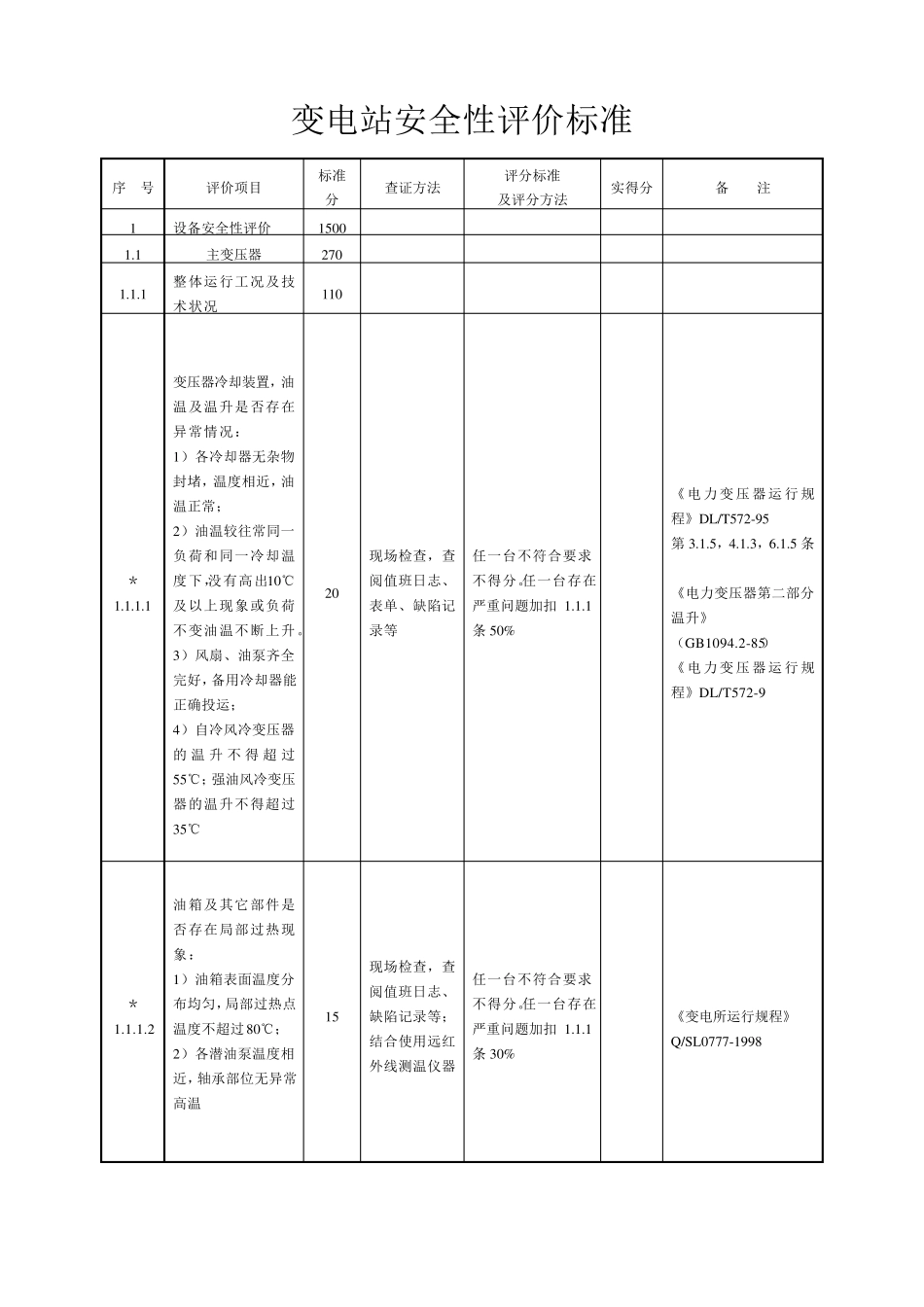
变电站安全性评价标准 序 号 评价项目 标准分 查证方法 评分标准 及评分方法 实得分 备 注 1 设备安全性评价 1500 1.1 主变压器 270 1.1.1 整体运行工况及技术状况 110 * 1.1.1.1 变压器冷却装置,油温及温升是否存在异常情况: 1)各冷却器无杂物封堵,温度相近,油温正常; 2)油温较往常同一负荷和同一冷却温度下,没有高出10℃及以上现象或负荷不变油温不断上升。 3)风扇、油泵齐全完好,备用冷却器能正确投运; 4)自冷风冷变压器的 温升不 得超 过55℃;强油风冷变压器的温升不得超过35℃ 20 现场检查,查阅值班日志、表单、缺陷记录等 任一台不符合要求不得分。任一台存在严重问题加扣 1.1.1条 50% 《 电力 变压器运行规程》DL/T572-95 第 3.1.5,4.1.3,6.1.5 条 《电力变压器第二部分温升》 (GB1094.2-85) 《 电力 变压器运行规程》DL/T572-9 *1.1.1.2 油箱及其它部件是否存在局部过热现象: 1)油箱表面温度分布均匀,局部过热点温度不超过80℃; 2)各潜油泵温度相近,轴承部位无异常高温 15 现场检查,查阅值班日志、缺陷记录等;结合使用远红外线测温仪器 任一台不符合要求不得分。任一台存在严重问题加扣 1.1.1条 30% 《变电所运行规程》 Q/SL0777-1998 序 号 评 价 项 目 标 准 分 查 证 方 法 评 分 标 准 及 评 分 方 法 实 得 分 备 注 1.1.1.3 温 度 计 、 过 温 度 信 号 装置 是 否 齐 全 ; 本 体 温 度计 、 远 方 测 温 温 度 计 指示 与 本 体 实 际 温 度 是否 一 致 ; 过 温 信 号 是 否准 确 可 靠 10 现 场 检 查 任 一 台 温 度 计 、 过 温度 信 号 装 置 不 齐 全 、不 准 确 可 靠 或 温 度 误差 大 于 10℃ 不 得 分 《 电 力 变 压 器 运 行规 程 》 DL/T572-95 1.1.1.4 套 管 引 线 接 头 是 否 有发 热 征 象 ; 接 头 温 度 监视 手 段 是 否 完 善 , 接 头温 度 不 应 超 过 85℃ 10 现 场 检 查 温 度 监 视 手 段 不 完 善扣50%。 发 现 一 处 发热 异 常 不 得 分 。 发 热超 过 规 定 加 扣 1.1.1 条30% 《 电 力 变 压 器 运 行规 程 》 DL/T572-95 *1.1.1.5 充 油 套 管 、 储 油 柜 的 油位 、 油 ...

1、当您付费下载文档后,您只拥有了使用权限,并不意味着购买了版权,文档只能用于自身使用,不得用于其他商业用途(如 [转卖]进行直接盈利或[编辑后售卖]进行间接盈利)。
2、本站所有内容均由合作方或网友上传,本站不对文档的完整性、权威性及其观点立场正确性做任何保证或承诺!文档内容仅供研究参考,付费前请自行鉴别。
3、如文档内容存在违规,或者侵犯商业秘密、侵犯著作权等,请点击“违规举报”。

碎片内容

变电站安全性评价标准

确认删除?
VIP
微信客服
  • 扫码咨询
会员Q群
  • 会员专属群点击这里加入QQ群
客服邮箱
回到顶部