电脑桌面
添加小米粒文库到电脑桌面
安装后可以在桌面快捷访问

变电站自动化技术

变电站自动化技术_第1页
1/16
变电站自动化技术_第2页
2/16
变电站自动化技术_第3页
3/16
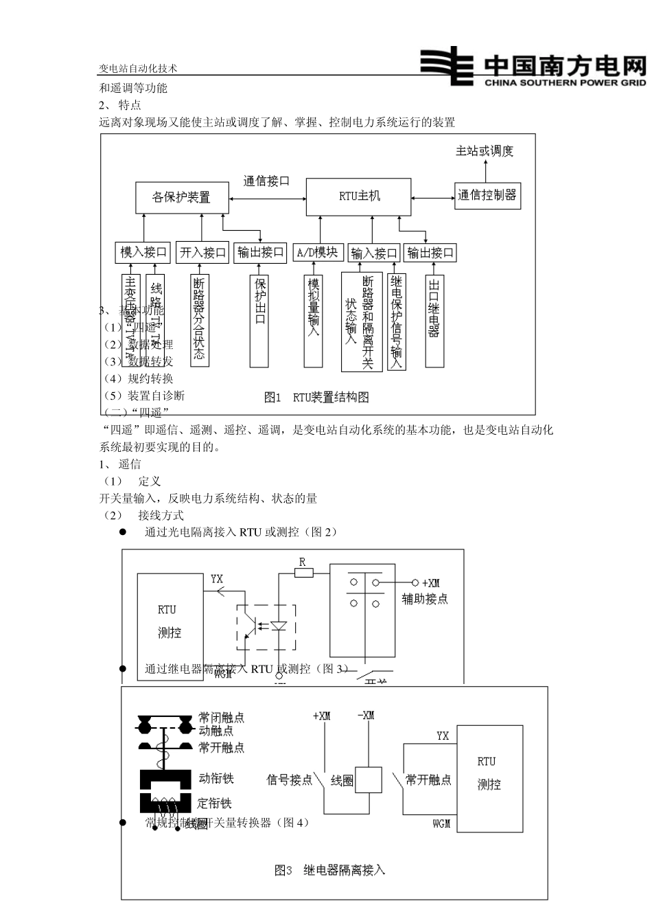
变电站自动化技术 兴义电网变电站自动化技术 培训资料 内部资料 兴义供电局 计算机通信管理所 2 0 0 9 年 4 月 2 3 日 兴义变电站自动化技术 - 1 - 第一章 变电站远动技术 一、变电站自动化技术概述 1、 实施目的 (1) 传统变电站存在的缺陷  安全性、可靠性  快速性、实时性  运行管理与自动化水平 (2) 变电站综合自动化系统的概念  常规变电站二次设备构成  综合自动化系统构成  技术特点 (3) 变电站自动化实施目的  设备间相互交换信息、数据共享  常规二次设备,简化二次接线  提高供电质量,提高电压合格率  提高变电站安全可靠运行  提高电力系统运行、管理水平 (4) 变电站综合自动化的特点  功能综合化  分部分散式系统结构  测量显示数字化  操作监控屏幕化 2、 发展历程 (1) 早期国外起步20 世纪80 年代 (2) 国内起步20 世纪90 年代初期 (3) 20 世纪90 年代中期——国内变电站自动化技术现状 3、 应用历程 (1) 远动技术 (2) 监控技术 (3) 综合自动化技术 4、 发展趋势 (1) IEC61850 (2) 高集成化、数字化、标准化 思考题: (1) 什么是变电站的综合自动化? (2) 变电站自动化系统的任务是什么? (3) IEC61850 是什么?制定的主要目的是什么?有何特点? 二、远动技术 远动技术是一门多学科技术,是集通信、控制、数据采集等于一体,在电力调度自动化和变电站监控系统中发挥着重要作用 (一) 远动终端 1、 概念 远动终端装置简称 RTU(Remoto Terminal Unit ),应用通信技术完成遥测、遥信、遥控变电站自动化技术 - 2 - 和遥调等功能 2、 特点 远离对象现场又能使主站或调度了解、掌握、控制电力系统运行的装置 3、 基本功能 (1)“四遥” (2)数据处理 (3)数据转发 (4)规约转换 (5)装置自诊断 (二)“四遥” “四遥”即遥信、遥测、遥控、遥调,是变电站自动化系统的基本功能,也是变电站自动化系统最初要实现的目的。 1、 遥信 (1) 定义 开关量输入,反映电力系统结构、状态的量 (2) 接线方式  通过光电隔离接入 RTU 或测控(图 2)  通过继电器隔离接入 RTU 或测控(图 3)  常规控制盘开关量转换器(图 4) 变电站自动化技术 - 3 - (3) 防抖与展宽 开关量是一个矩形方波,RTU(测控)...

1、当您付费下载文档后,您只拥有了使用权限,并不意味着购买了版权,文档只能用于自身使用,不得用于其他商业用途(如 [转卖]进行直接盈利或[编辑后售卖]进行间接盈利)。
2、本站所有内容均由合作方或网友上传,本站不对文档的完整性、权威性及其观点立场正确性做任何保证或承诺!文档内容仅供研究参考,付费前请自行鉴别。
3、如文档内容存在违规,或者侵犯商业秘密、侵犯著作权等,请点击“违规举报”。

碎片内容

变电站自动化技术

您可能关注的文档

确认删除?
VIP
微信客服
  • 扫码咨询
会员Q群
  • 会员专属群点击这里加入QQ群
客服邮箱
回到顶部