电脑桌面
添加小米粒文库到电脑桌面
安装后可以在桌面快捷访问

变频器驱动电路常用的几种驱动IC

变频器驱动电路常用的几种驱动IC_第1页
1/6
变频器驱动电路常用的几种驱动IC_第2页
2/6
变频器驱动电路常用的几种驱动IC_第3页
3/6
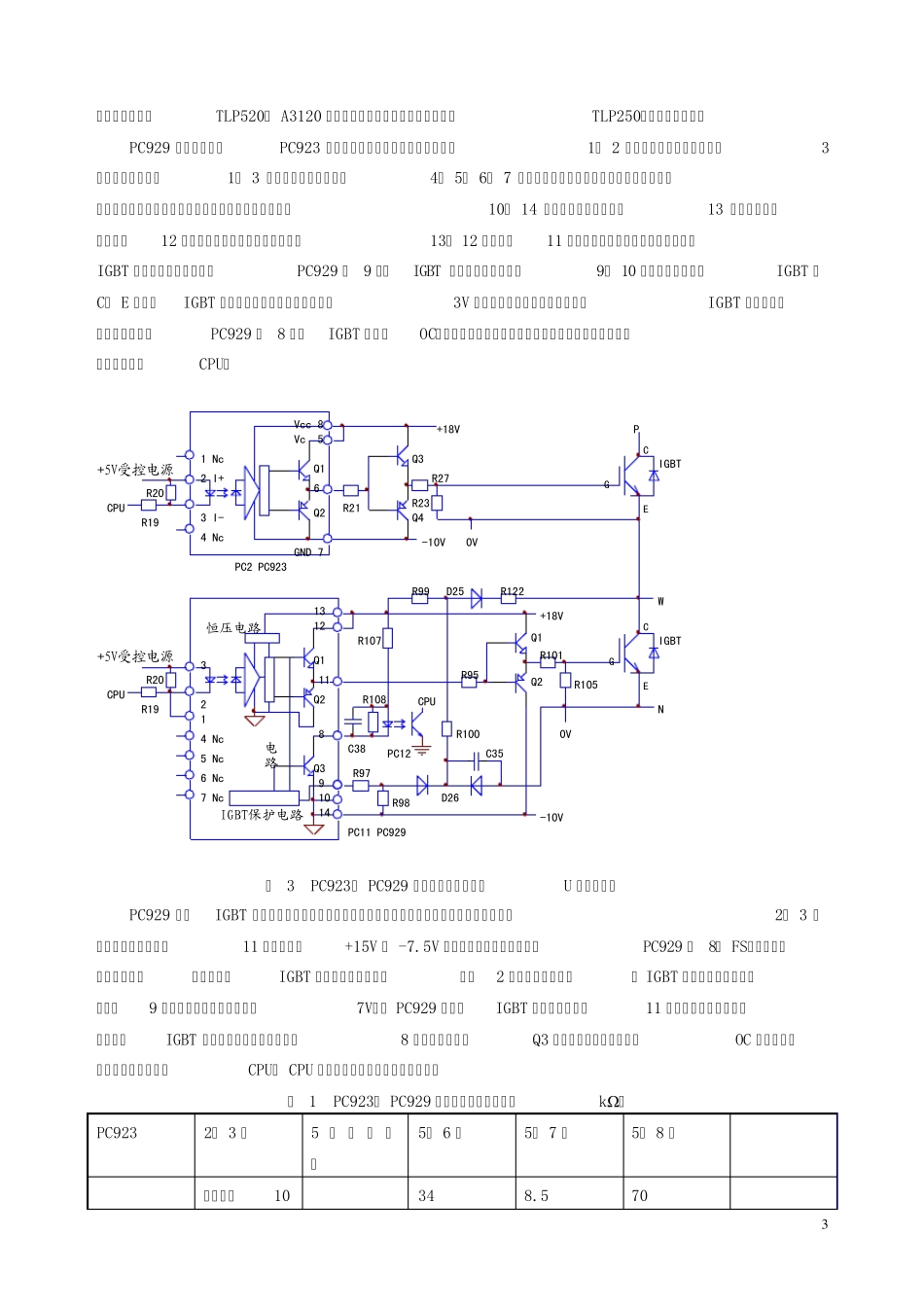
1 变频器驱动电路常用的几种驱动IC 变频器驱动电路中常用IC, 共有为数不多的几种。可以设想一下,变频器电路的通用电路,必定是主电路(包括三相整流电路和三相逆变电路)和驱动电路,即便是型号的功率级别不同的变频器,驱动电路却往往采用了同一型号的驱动IC,甚至于驱动电路的结构和布局,是非常类似的和接近的。 早期的和小功率的变频器机种,经常采用TLP250、 A3120( HCPL3120)驱动IC,内部电路简单,不含 IGBT 保护电路;以后被大量广泛采用的是PC923、PC929 的组合驱动电路,往往上三臂IGBT 采用PC923驱动,而下三臂IGBT 则采用PC929 驱动。PC929 内含IGBT 检测保护电路等;智能化程度比较高的专用驱动芯片A316J,也在大量机型中被采用。 通过熟悉驱动IC 的引脚功能和掌握相关的检测方法,达到对驱动电路进行故障判断与检测的能力,以及能对不同型号的驱动IC 应急进行代换与修复。 一、TLP250 和 HCPL3120 驱动IC: Nc 18 VccIF+ 2Nc 4IF- 37 Vo6 Vo5 GNDNc 18 VccIF+ 2Nc 4IF- 37 Vo6 Vo5 GNDNc 18 VccIF+ 2Nc 4IF- 37 Vo6 Nc5 GNDV1V2V1V2V1V2 TLP250 HCPL3120/ J312 HCNW3120 图 1 三种驱动IC 的功能电路图 TLP250:输入IF 电流阀值5mA,电源电压10∽ 35V,输出电流±0.5A,隔离电压2500V,开通/关断时间(tPLH/ tPHL) 0.5μs。可直接驱动50A1200V 的 IGBT 模块,在小功率变频器驱动电路中,和早期变频器产品中被普遍采用。 HCNW3120( A3120):与HCPL3120、 HCPLJ312 内部电路结构相同,只是因选材和工艺的不同,后者的电隔离能力低于前者。输入IF 电流阀值2.5mA, 电源电压15∽ 30V, 输出电流±2A, 隔离电压1414V,可直接驱动150A/1200V 的 IGBT 模块。 三种驱动IC 的引脚功能基本一致,小功率机型中可用TLP250 直接代换另两种HCNW3120和HCPL3120,大多数情况下TLP350、 HCNW3120 可以互换,虽然它们的个别参数和内部电路有所差异,如TPL250 的电流输出能力较低,但在变频器中功率机型中,驱动IC 往往有后置放大器,对驱动IC 的电流输出能力就不是太挑剔了。 驱动IC 实质上都为光耦合器件,具有优良的电气隔离特性。输入侧内部电路为一只发光二极管,有明显的正、反向电阻特性。用指针式万用表×1k 档测量,2、 3 脚正向电阻约为100kΩ 左右,反向电阻无穷大;用×10k 档测量,正向电阻约为25kΩ 左右,反向电阻也为无穷大。当然2...

1、当您付费下载文档后,您只拥有了使用权限,并不意味着购买了版权,文档只能用于自身使用,不得用于其他商业用途(如 [转卖]进行直接盈利或[编辑后售卖]进行间接盈利)。
2、本站所有内容均由合作方或网友上传,本站不对文档的完整性、权威性及其观点立场正确性做任何保证或承诺!文档内容仅供研究参考,付费前请自行鉴别。
3、如文档内容存在违规,或者侵犯商业秘密、侵犯著作权等,请点击“违规举报”。

碎片内容

变频器驱动电路常用的几种驱动IC

小辰3+ 关注
实名认证
内容提供者

出售各种资料和文档

相关文档

确认删除?
VIP
微信客服
  • 扫码咨询
会员Q群
  • 会员专属群点击这里加入QQ群
客服邮箱
回到顶部