电脑桌面
添加小米粒文库到电脑桌面
安装后可以在桌面快捷访问

台达变频器C2000使用说明书

台达变频器C2000使用说明书_第1页
1/6
台达变频器C2000使用说明书_第2页
2/6
台达变频器C2000使用说明书_第3页
3/6
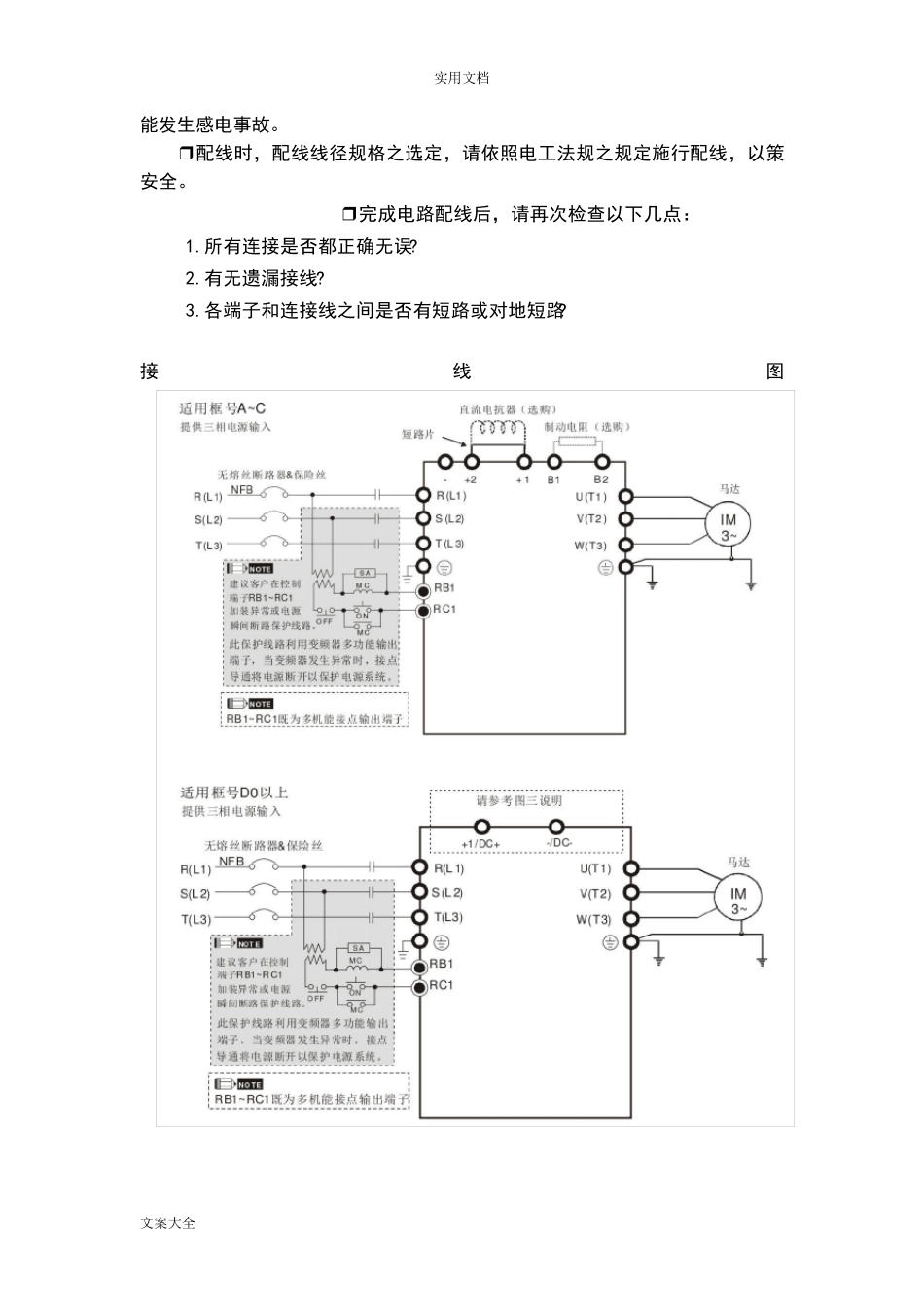
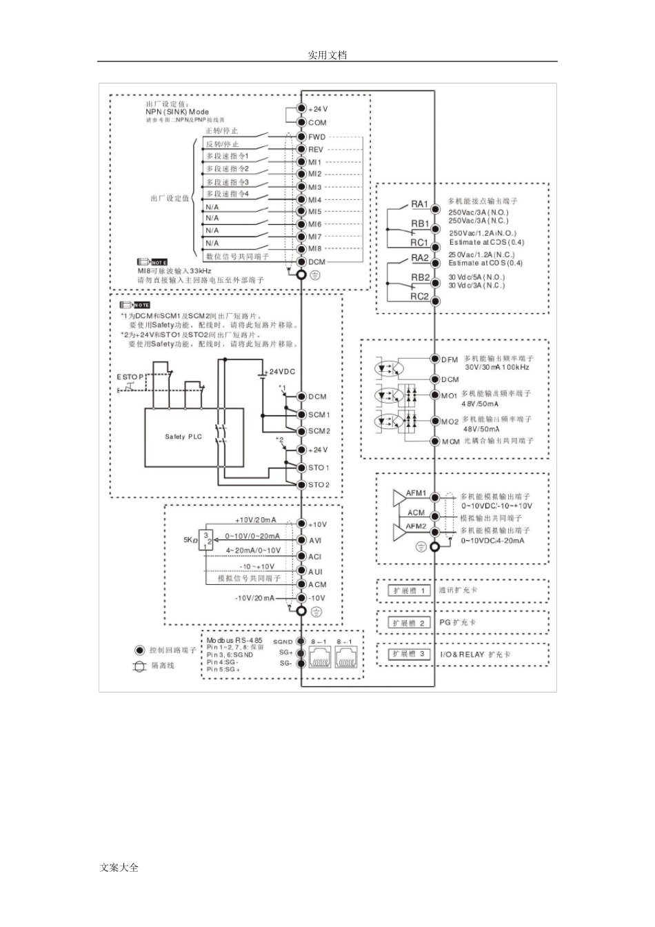
实用文档 文案大全 台达变频器C2000 使用说明 当用户拿到产品机种时,请参考下列步骤,以确保使用安全。 1)打开包装后,先确认产品是否因运送途中有所损坏。检查并确定印在外箱及机身的铭牌标签,是否相符合。 2)确认配线是否适用符合该交流马达驱动器的电压范围。安装交流马达驱动器时,请参照安装手册内容说明进行安装。 3)连接电源前,请先确认连接电源、马达、控制板、操作面板等等,是否装置确定。 4)交流马达驱动器在进行配线时,请留意输入端子『R/L1 、S/L2 、T/L3 』与输出端子『U/T1 、V/T2 、W/T3 』接线位置,请勿接错端子以避免造成机器损坏。 5)通电后,藉由数字操作器(KPC-CC01)可自由选择语言、设定各参数群。先以低频率试运转,慢慢调高频率到达指定的速度。 检查&建议 ❒请勿让各种纤维、纸片、木片(屑)或金属碎块等异物进入交流马达驱动器内或粘附 于 散 热 风 扇 上 。 ❒应 安装于 如 金属等不 会 燃 烧 的控制盘 中,否则 容易 发 生 火 灾 事 故 。 ❒交流马达驱动器应 该安装符合污 染 等级 2 之 环 境 与干 净 循 环 空 气 。干 净循 环 空 气 定义 为 无 污 染 物质 以及具 电子污 染 粉 尘 物质 之 气 体 接线方 式 打开交流马达驱动器上 盖 后,露 出各接线端子排 ,检查各主 回 路 电路 及控制回 路 电路 之 端子是否标示 清 楚 及接线时注 意以下各项 说明,千 万 不 要 接错线。 ❒交流马达驱动器的主 回 路 电源端子 R/L1、S/L2、T/L3 是输入电源端。如 果 将 电源错误 连接于 其 它 端子, 则 将 损坏交流马达驱动器。另 外应 确认电源应 在铭牌标示 的允 许 电压/电流范围内(参考 1-1 产品外观 之 铭牌说明)。 ❒接地 端子必 须 良 好 接地 ,一 方 面可以防 止 雷 击 或感 电事 故 ,另 外能 降 低噪 声 干 扰 。 ❒各连接端子与导 线间 的螺 丝 请确实 锁 紧 ,以防 震 动松 脱 产生 火 花 。 ❒若 要 改 变接线,首 先应 关 掉 运转的变频器电源,因为 内部 回 路 直 流部 分滤 波 电容器完 成放 电需 要 一 定时间 。为 避免危 险 ,客 户可使用直 流电压表 作测试。确认电压值 小 于 25Vdc 安全电压值 后,才 能 开始 进行配线。若 使用者 未 让变频器充 分 时间 放 电, 内部 ...

1、当您付费下载文档后,您只拥有了使用权限,并不意味着购买了版权,文档只能用于自身使用,不得用于其他商业用途(如 [转卖]进行直接盈利或[编辑后售卖]进行间接盈利)。
2、本站所有内容均由合作方或网友上传,本站不对文档的完整性、权威性及其观点立场正确性做任何保证或承诺!文档内容仅供研究参考,付费前请自行鉴别。
3、如文档内容存在违规,或者侵犯商业秘密、侵犯著作权等,请点击“违规举报”。

碎片内容

台达变频器C2000使用说明书

您可能关注的文档

确认删除?
VIP
微信客服
  • 扫码咨询
会员Q群
  • 会员专属群点击这里加入QQ群
客服邮箱
回到顶部