电脑桌面
添加小米粒文库到电脑桌面
安装后可以在桌面快捷访问

各单位质量终身责任制承诺书

各单位质量终身责任制承诺书_第1页
1/14
各单位质量终身责任制承诺书_第2页
2/14
各单位质量终身责任制承诺书_第3页
3/14
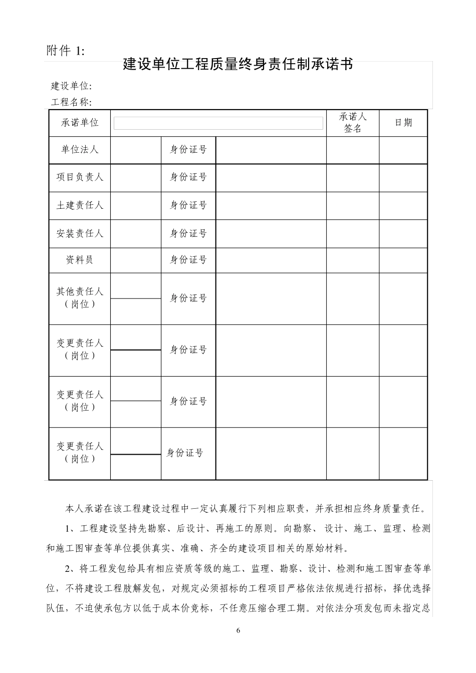
6 附件1 : 建设单位工程质量终身责任制承诺书 建设单位: 工程名称: 承诺单位 承诺人 签名 日期 单位法人 身份证号 项目负责人 身份证号 土建责任人 身份证号 安装责任人 身份证号 资料员 身份证号 其他责任人 (岗位) 身份证号 变更责任人 (岗位) 身份证号 变更责任人 (岗位) 身份证号 变更责任人 (岗位) 身份证号 本人承诺在该工程建设过程中一定认真履行下列相应职责,并承担相应终身质量责任。 1 、工程建设坚持先勘察、后设计、再施工的原则。向勘察、 设计、施工、监理、检测和施工图审查等单位提供真实、准确、齐全的建设项目相关的原始材料。 2 、将工程发包给具有相应资质等级的施工、监理、勘察、设计、检测和施工图审查等单位,不将建设工程肢解发包,对规定必须招标的工程项目严格依法依规进行招标,择优选择队伍,不迫使承包方以低于成本价竞标,不任意压缩合理工期。对依法分项发包而未指定总 7 包管理的分部分项工程的质量负总责。对规定必须实行监理的工程项目依法委托监理。 3 、及时办理项目施工图审查和备案、质量安全监督、合同备案、开工安全生产条件审查等手续,领取施工许可证(含依法分项发包工程)后方开工建设。向施工现场提供经施工图审查机构审查合格并加盖了专用章的施工用图和设计变更等相关设计文件。 4 、不明示或暗示勘察、设计、施工、检测等单位违反工程建设强制性 标准或使用不合格的建筑材料、建筑配件和设备,降低工程质量。 5 、工程竣工后,组织勘察、设计、监理、施工等有关单位进行验收,并接受工程质量监督机构监督。经验收合格的工程项目方交付使用,并在工程验收合格十五日内,办理竣工验收备案手续。 6 、及时整理文件资料,建立健全工程项目 档案,并自竣工备案后三个月内向城建档案管理部门移交建设项目档案。 7 、其他法律法规规定的职责。 本承诺书一式三份,一份在建设工程领取施工许可证时提交住房城乡建设主管部门,一份待建设工程竣工验收合格备案后与档案资料一并交城建档案管理部门存档,一份保存于各自责任主体单位备查。 法人代表签章: 年 月 日 8 附件2 : 勘察单位工程质量终身责任制承诺书 建设单位: 工程名称: 承诺单位 承诺人 签名 日期 单位法人 身份证号 技术负责人 身份证号 项目负责人 身份证号 注册 岩土工程师 身份证号 其他责任人 (专业) 身份证号 变更责任人 (岗位、专...

1、当您付费下载文档后,您只拥有了使用权限,并不意味着购买了版权,文档只能用于自身使用,不得用于其他商业用途(如 [转卖]进行直接盈利或[编辑后售卖]进行间接盈利)。
2、本站所有内容均由合作方或网友上传,本站不对文档的完整性、权威性及其观点立场正确性做任何保证或承诺!文档内容仅供研究参考,付费前请自行鉴别。
3、如文档内容存在违规,或者侵犯商业秘密、侵犯著作权等,请点击“违规举报”。

碎片内容

各单位质量终身责任制承诺书

小辰5+ 关注
实名认证
内容提供者

出售各种资料和文档

相关文档

确认删除?
VIP
微信客服
  • 扫码咨询
会员Q群
  • 会员专属群点击这里加入QQ群
客服邮箱
回到顶部