电脑桌面
添加小米粒文库到电脑桌面
安装后可以在桌面快捷访问

含氟废水处理案例及汇总

含氟废水处理案例及汇总_第1页
1/25
含氟废水处理案例及汇总_第2页
2/25
含氟废水处理案例及汇总_第3页
3/25
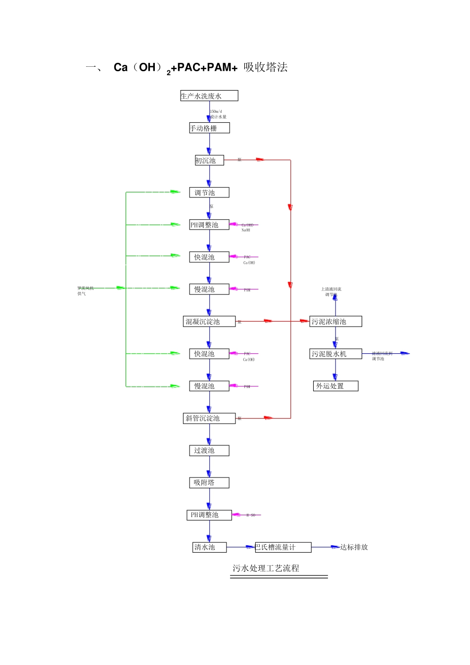
含氟废水处理大汇总 氟是一种微量元素,饮用水含氟量在 0.4~0.6mg/L 的水对人体无害有益,而长期饮用含量大于 1.5mg/L 的高氟水则会给人体带来不利影响,严重的会引起氟斑牙和氟骨病。我国某些地区特殊的地球化学特征使该区域水源含氟量大于 1.0mg/L,从而造成地方性氟中毒。我国有将近 l 亿人生活在高氟水地区,目前在我国氟受害者多达几千万人。除个别地区自然因素外,大量的高氟工业废水的排放是主要因素之一。随着我国工业的迅猛发展,含氟废水的排放量将会增加,因此.含氟废水的排放必须受到严格控制。 某些高浓度含氟工业废水的排放,更对人们身体健康造成很大威胁,所以必须对含氟工业废水加以处理。 1973 年颁布的《工业三废排放试行标准》(GBJ4-73)中规定,氟的无机化合物排放标准为10mg/L(以F-计)。1988 年颁布的《污水综合排放标准》(GB8789-88)中规定,新扩改企业对外排放含氟废水,氟化物不得超过10mg/L(向二级污水处理厂排放除外)。此废水带出物是以氟化钙计,那么1988 年的标准比1973 年的标准严格了一倍以上。 目前含氟废水的主要处理方法是化学沉淀法和吸附法,这两种方法存在处理后出水很难达标、泥渣沉降缓慢且脱水困难等缺点。 冷冻法、离子交换树脂法、超滤法、电渗析等,因为处理成本高,除氟效率低,多停留在实验阶段,很少推广应用于工业含氟废水治理。 笔者认为,应围绕沉淀法吸附法为主体工艺,后续深处理工艺,提高效率,节约成本,应对含氟废水的特点,开发合理工艺。 化学沉淀法 一、 Ca(OH)2+PAC+PAM+ 吸收塔法 污水处理工艺流程快混池PH调整池调节池初沉池PH调整池污泥浓缩池污泥脱水机外运处置泵巴氏槽流量计达标排放滤液回流到调节池上清液回流 调节池Ca(OH)NaOHPAC泵混凝沉淀池清水池泵慢混池PAM吸附塔H SO罗茨风机供气手动格栅生产水洗废水150m/d设计水量快混池PAC斜管沉淀池慢混池PAM泵泵Ca(OH)Ca(OH)过渡池 对于高浓度含氟工业废水,一般采用钙盐沉淀法,即向废水中投加石灰,使氟离子与钙离子生成CaF2 沉淀而除去。该工艺具有方法简单、处理方便、费用低等优点,但存在处理后出水很难达标、泥渣沉降缓慢且脱水困难等缺点。 氟化钙在18 ℃时于水中的溶解度为 16.3 mg/L,按氟离子计为 7.9 mg/L,在此溶解度的氟化钙会形成沉淀物。氟的残留量为 10~20 mg/L 时形成沉淀物的速度会减慢。当水中含有一定数量的盐类,如氯化钠、硫酸钠、氯化铵时,将会增大氟化钙...

1、当您付费下载文档后,您只拥有了使用权限,并不意味着购买了版权,文档只能用于自身使用,不得用于其他商业用途(如 [转卖]进行直接盈利或[编辑后售卖]进行间接盈利)。
2、本站所有内容均由合作方或网友上传,本站不对文档的完整性、权威性及其观点立场正确性做任何保证或承诺!文档内容仅供研究参考,付费前请自行鉴别。
3、如文档内容存在违规,或者侵犯商业秘密、侵犯著作权等,请点击“违规举报”。

碎片内容

含氟废水处理案例及汇总

确认删除?
VIP
微信客服
  • 扫码咨询
会员Q群
  • 会员专属群点击这里加入QQ群
客服邮箱
回到顶部