电脑桌面
添加小米粒文库到电脑桌面
安装后可以在桌面快捷访问

建设工程有限责任公司祥云项目实测实量测量实施方案VIP免费

建设工程有限责任公司祥云项目实测实量测量实施方案_第1页
1/15
建设工程有限责任公司祥云项目实测实量测量实施方案_第2页
2/15
建设工程有限责任公司祥云项目实测实量测量实施方案_第3页
3/15
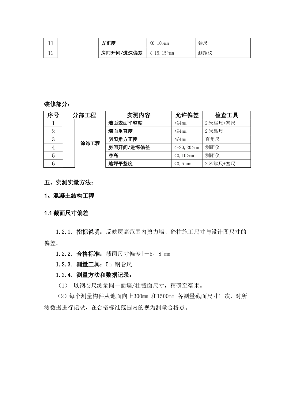
工程有限责任公司祥云项目实测实量测量实施方案一、组织架构项目部成立的已项目经理为组长的实测实量小组,小组成员包括技术负责人质量员、安全员、现场工长,检测仪器包括墨线仪、靠尺、卷尺、千分尺、塞尺、小锤等。二、实测实量的工作范围1.承担所承建项目各分项工程的全部实测实量检查工作;2.编制所承建项目的实测实量检查细则,并制定相关质量保证措施及整改措施。3.土建阶段对项目各施工阶段实施100%的实测实量,建立分楼层(结构阶段)和分户(抹灰阶段)测量档案。4.装修阶段对项目各施工阶段实施100%的实测实量,分户测量档案。三、实测实量的测量完成时间:工作面清理干净后1周内完成。四、实测实量的工作内容:土建部分:序号分部工程实测内容允许偏差检查工具1混凝土工程墙柱表面平整度<0,8>mm2米靠尺+塞尺2墙柱垂直度8mm<层高≤5m>10mm(层高>5m)2米靠尺+塞尺3顶棚表面平整度[0,15]mm激光墨线仪+卷尺4楼板截面尺寸偏差8mm,-5mm钻孔检测5砌筑工程门或窗洞口尺寸偏差<-10,10>mm卷尺6表面平整度<0,8>mm2米靠尺+塞尺7垂直度5mm<层高≤3m>10mm(层高>3m)2米靠尺+塞尺8抹灰工程表面平整度<0,4>mm2米靠尺+塞尺9垂直度<0,4>mm2米靠尺+塞尺10阴阳角<0,4>mm直角尺11方正度<0,10>mm卷尺12房间开间/进深偏差<-15,15>mm测距仪装修部分:序号分部工程实测内容允许偏差检查工具1涂饰工程墙面表面平整度≤4mm2米靠尺+塞尺2墙面垂直度≤4mm2米靠尺3阴阳角方正度≤4mm直角尺4房间开间/进深偏差<-20,20>mm测距仪5净高<0,10>mm测距仪6地坪平整度<0,5>mm2米靠尺+塞尺五、实测实量方法:1、混凝土结构工程1.1截面尺寸偏差1.2.1.指标说明:反映层高范围内剪力墙、砼柱施工尺寸与设计图尺寸的偏差。1.2.2.合格标准:截面尺寸偏差[-5,8]mm1.2.3.测量工具:5m钢卷尺1.2.4.测量方法和数据记录:(1)以钢卷尺测量同一面墙/柱截面尺寸,精确至毫米。(2)每个测量构件从地面向上300mm和1500mm各测量截面尺寸1次,对所测数据进行记录,在合格标准范围内的视为测量合格点。图1墙柱截面尺寸偏差实测示意图1.2表面平整度1.2.1.指标说明:反映层高范围内剪力墙、砼柱表面平整程度。1.2.2.合格标准:[0,8]mm1.2.3.测量工具:2米靠尺、楔形塞尺1.2.4.测量方法和数据记录:(1)当所测墙长度小于3米时,同一面墙4个角(顶部及根部)中取左上及右下2个角。按45度角斜放靠尺,累计测2次表面平整度。跨洞口部位必测。这2个实测值分别作为该指标合格率的2个计算点。(2)当所测墙长度大于3米时,除按45度角斜放靠尺测量两次表面平整度外,还需在墙长度中间水平放靠尺测量1次表面平整度。跨洞口部位必测。这些实测值分别作为判断该指标合格率的计算点。(3)砼柱:可以不测表面平整度。1200图2表面平整度实测示意图1.3垂直度1.3.1.指标说明:反映层高范围内剪力墙、砼柱表面垂直的程度。1.3.2.合格标准:[0,8]mm1.3.3.测量工具:2米靠尺1.3.4.测量方法和数据记录:(1)当墙长度小于3米时,同一面墙距两端头竖向阴阳角约30cm位置,分别按以下原则实测2次:一是靠尺顶端接触到上部砼顶板位置时测1次垂直度,二是靠尺底端接触到下部地面位置时测1次垂直度。砼墙体洞口一侧为垂直度必测部位。这2个实测值分别作为判断该实测指标合格率的2个计算点。(2)当墙长度大于3米时,同一面墙距两端头竖向阴阳角约30cm和墙中间位置,分别按以下原则实测3次:一是靠尺顶端接触到上部砼顶板位置时测1次垂直度,二是靠尺底端接触到下部地面位置时测1次垂直度,三是在墙长度中间位置靠尺基本在高度方向居中时测1次垂直度。砼墙体洞口一侧为垂直度必测部位。这3个实测值分别作为判断该实测指标合格率的3个计算点。(3)砼柱:任选砼柱四面中的两面,分别将靠尺顶端接触到上部砼顶板和下部地面位时各测1次垂直度。这2个实测值分别作为判断该实测指标合格率的2个计算点。图3垂直度实测示意图1.4顶板水平度极差1.4.1.指标说明:考虑实际测量的可操作性,选取同一功能房间砼顶板内四个角点和一个中点距离同一水平基准线之间5个实测值的极差值,综合反映同一房间砼顶板的平整程度。1.4.2.合格标准:[0,20]mm1.4.3.测量工具...

1、当您付费下载文档后,您只拥有了使用权限,并不意味着购买了版权,文档只能用于自身使用,不得用于其他商业用途(如 [转卖]进行直接盈利或[编辑后售卖]进行间接盈利)。
2、本站所有内容均由合作方或网友上传,本站不对文档的完整性、权威性及其观点立场正确性做任何保证或承诺!文档内容仅供研究参考,付费前请自行鉴别。
3、如文档内容存在违规,或者侵犯商业秘密、侵犯著作权等,请点击“违规举报”。

碎片内容

建设工程有限责任公司祥云项目实测实量测量实施方案

确认删除?
VIP
微信客服
  • 扫码咨询
会员Q群
  • 会员专属群点击这里加入QQ群
客服邮箱
回到顶部