电脑桌面
添加小米粒文库到电脑桌面
安装后可以在桌面快捷访问

分布式光伏电站验收资料

分布式光伏电站验收资料_第1页
1/163
分布式光伏电站验收资料_第2页
2/163
分布式光伏电站验收资料_第3页
3/163
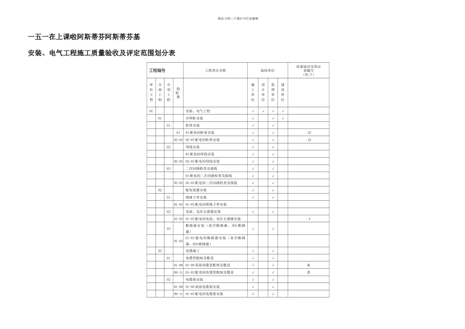
精品文档---下载后可任意编辑工程名称:一五一在上课啦阿斯蒂芬阿斯蒂芬基 编号:ABCD-HN-BS-SGYP-001 致:我就虽是在右工在地有有地一一项目监理部 现报上一五一在上课啦阿斯蒂芬阿斯蒂芬基安装、电气工程施工质量验收及评定范围划分表,请审查。 附件:一五一在上课啦阿斯蒂芬阿斯蒂芬基安装、电气工程施工质量验收及评定范围划分表施工项目部(章):项目经理:日 期:监理项目部审查意见:监理项目部(章):总监理工程师:专业监理工程师:日 期:业主项目部审批意见:业主项目部(章):项目经理:日 期:注本表一式份,由施工项目部填报,业主项目部、监理项目部各份,施工项目部存份。精品文档---下载后可任意编辑一五一在上课啦阿斯蒂芬阿斯蒂芬基安装、电气工程施工质量验收及评定范围划分表工程编号工程项目名称验收单位质量验评及签证表编号(DL/T)单位工程分部工程分项工程检验批施工单位设计单位监理单位建设单位01安装、电气工程√√√√01并网柜安装√√√01柜体安装√√0101 配电间柜体安装√√.2202-03 02-03 配电间柜体安装√√.2202母线安装√√01 配电间母线安装√√02-03 02-03 配电间母线安装√√03二次回路检查及接线√√01 配电间二次回路检查及接线√√02-03 02-03 配电间二次回路检查及接线√√02配电装置安装√√01绝缘子串安装√√01-03 01-03 配电间绝缘子串安装02电流、电压互感器安装√√01-03 01-03 配电间电流、电压互感器安装.403断路器安装(真空断路器、 SF6 断路器)√√01-0301-03 配电间断路器安装(真空断路器、SF6 断路器)03电缆施工√√01电缆管配制及敷设√√01-08 01-08 屋面电缆管配制及敷设√√表09-11 01-03 配电间电缆管配制及敷设√√表02电缆架安装√√01-08 01-08 屋面电缆架安装√√09-11 01-03 配电间电缆架安装√√精品文档---下载后可任意编辑工程编号工程项目名称验收单位质量验评及签证表编号(DL/T)单位工程分部工程分项工程检验批施工单位设计单位监理单位建设单位03光伏方阵电气接线√√01-08 01-08 屋面光伏方阵电气接线√√04沟通电缆敷设√√01-08 01-08 屋面沟通电缆敷设√√表09-11 01-03 配电间沟通电缆敷设√√表05电力电缆终端制作及安装√√01-08 01-08 屋面电力电缆终端制作及安装√√09-11 01-03 配电间电力电缆终端制作及安装√√06控制电缆终端制作及安装√√01-08 01-08 屋面控制电缆终端制作及安装√√表09-11 01-0...

1、当您付费下载文档后,您只拥有了使用权限,并不意味着购买了版权,文档只能用于自身使用,不得用于其他商业用途(如 [转卖]进行直接盈利或[编辑后售卖]进行间接盈利)。
2、本站所有内容均由合作方或网友上传,本站不对文档的完整性、权威性及其观点立场正确性做任何保证或承诺!文档内容仅供研究参考,付费前请自行鉴别。
3、如文档内容存在违规,或者侵犯商业秘密、侵犯著作权等,请点击“违规举报”。

碎片内容

分布式光伏电站验收资料

确认删除?
VIP
微信客服
  • 扫码咨询
会员Q群
  • 会员专属群点击这里加入QQ群
客服邮箱
回到顶部