电脑桌面
添加小米粒文库到电脑桌面
安装后可以在桌面快捷访问

分部子分部分项工程划分表

分部子分部分项工程划分表_第1页
1/17
分部子分部分项工程划分表_第2页
2/17
分部子分部分项工程划分表_第3页
3/17
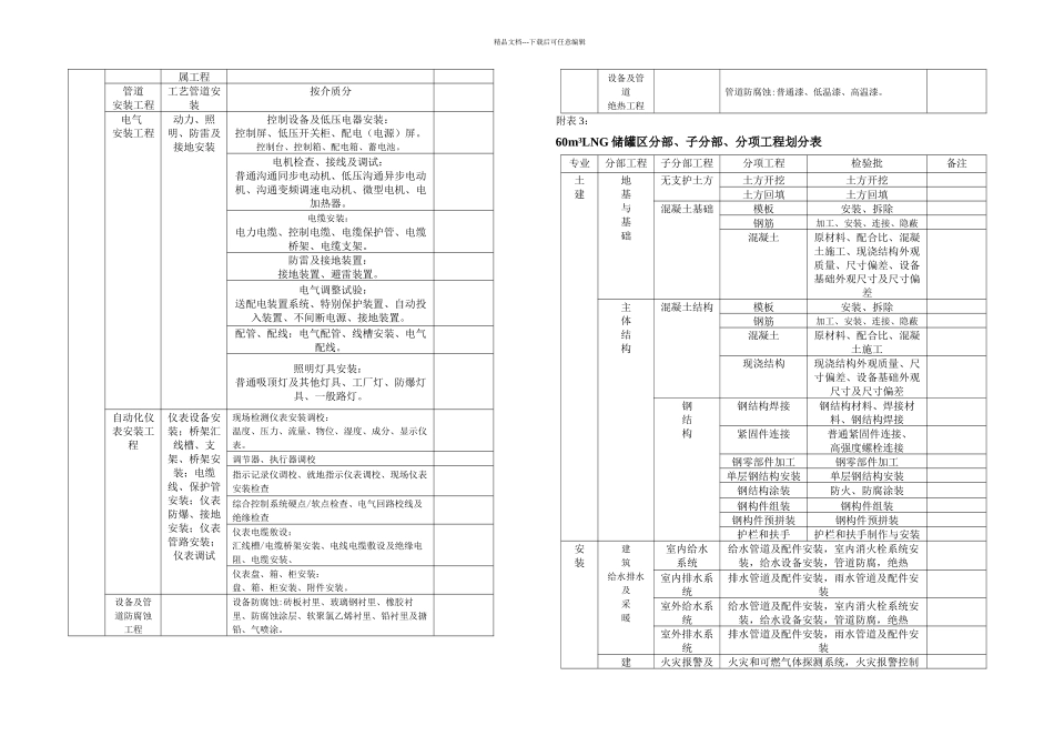
精品文档---下载后可任意编辑压缩机房分部、子分部、分项工程划分表专业分部工程子分部工程分项工程检验批备注土建地基与基础无支护土方土方开挖土方开挖土方回填土方回填桩基础先张法预应力管桩先张法预应力管桩混凝土基础模板安装、拆除钢筋加工、安装混凝土原材料、配合比、混凝土施工、现浇结构外观质量、尺寸偏差、设备基础外观尺寸及尺寸偏差主体结构混凝土结构模板安装、拆除钢筋加工、安装混凝土原材料、配合比、混凝土施工现浇结构现浇结构外观质量、尺寸偏差、设备基础外观尺寸及尺寸偏差砌体结构砖砌体砖砌体混凝土小型空心砌块砌体混凝土小型空心砌块砌体配筋砌体配筋砌体填充墙砌体填充墙砌体钢结构钢结构焊接钢结构材料、焊接材料、钢结构焊接紧固件连接 普通紧固件连接、高强度螺栓连接钢零部件加工钢零部件加工单层钢结构安装单层钢结构安装钢结构涂装防火、防腐涂装钢构件组装钢构件组装钢构件预拼装钢构件预拼装压型金属板压型金属板建筑装饰装修地面整风光层基层基土垫层、碎石垫层、水泥混凝土垫层、找平层、隔离层水泥混凝土面层水泥混凝土面层板块基层基土垫层、碎石垫层、水泥混凝土垫层、找平面层层、隔离层砖面层陶瓷地砖抹灰一般抹灰一般抹灰门窗木门窗制作与安装制作、安装金属门窗安装钢门窗、铝合金门窗特种门安装特种门安装塑料门窗安装塑料门窗安装门窗玻璃安装门窗玻璃安装吊顶明龙骨吊顶明龙骨吊顶涂饰水性涂料涂饰溶水性涂料涂饰溶建筑屋面瓦屋面金属板屋面金属板屋面细部构造细部构造安装安装建筑给水排水及采暖室内给水 系统给水管道及配件安装,室内消火栓系统安装,给水设备安装,管道防腐,绝热室内排水系统排水管道及配件安装,雨水管道及配件安装室内热水供应系统管道及配件安装,辅助设备安装,防腐,绝热室内采暖系统管道及配件安装,辅助设备及散热器安装,系统水压试验及调试,防腐,绝热室外给水系统给水管道及配件安装,室内消火栓系统安装,给水设备安装,管道防腐,绝热室外排水系统排水管道及配件安装,雨水管道及配件安装室外热供热系统管道及配件安装,辅助设备安装,防腐,绝热建筑智能化火灾报警及消防联动系统火灾和可燃气体探测系统,火灾报警控制系统,消防联动系统综合布线系统缆线敷设和终接,机柜、机架、配线架的安装,消息插座和光缆芯线终端的安装电源与接地智能建筑电源,防雷及接地环境空间环境,室内空调环境,视觉照明环境,电磁环境工业设备安装工程容器类设备安装按设备位...

1、当您付费下载文档后,您只拥有了使用权限,并不意味着购买了版权,文档只能用于自身使用,不得用于其他商业用途(如 [转卖]进行直接盈利或[编辑后售卖]进行间接盈利)。
2、本站所有内容均由合作方或网友上传,本站不对文档的完整性、权威性及其观点立场正确性做任何保证或承诺!文档内容仅供研究参考,付费前请自行鉴别。
3、如文档内容存在违规,或者侵犯商业秘密、侵犯著作权等,请点击“违规举报”。

碎片内容

分部子分部分项工程划分表

您可能关注的文档

人从众+ 关注
实名认证
内容提供者

欢迎光临小店,本店以公文和教育为主,希望符合您的需求。

确认删除?
VIP
微信客服
  • 扫码咨询
会员Q群
  • 会员专属群点击这里加入QQ群
客服邮箱
回到顶部