电脑桌面
添加小米粒文库到电脑桌面
安装后可以在桌面快捷访问

某市给水工程设计给水工程专业毕业设计毕业论文

某市给水工程设计给水工程专业毕业设计毕业论文_第1页
1/33
某市给水工程设计给水工程专业毕业设计毕业论文_第2页
2/33
某市给水工程设计给水工程专业毕业设计毕业论文_第3页
3/33
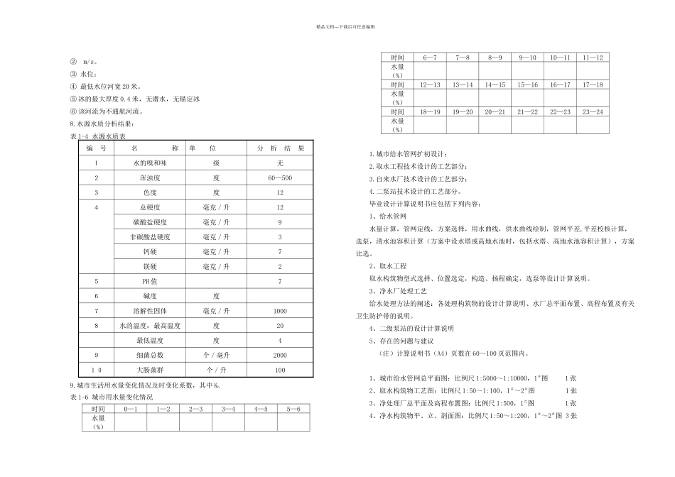
精品文档---下载后可任意编辑随着我国经济的高速进展,人民生活水平的显著提高,如何解决水资源的匮乏、安全问题一直是困扰水处理工作者的一个难题。给水工程中管网的设计布置是极其重要的,给水管网系统的建设投资站给水排水工程建设总投资的 70%,而管网系统的科学讨论和高科技术的开发和应用,是长期以来备受关注和重视的领域,特别是给水管网系统的最优化设计理论和方法得到了很好的进展。另一方面,饮用水的安全问题也很重要,人们对源水进行一系列处理后饮用。在 20 世纪初,饮用水净化技术已基本上形成了现在被人们普遍称之为常规处理工艺的处理方法,即:混凝、沉淀或澄清、过滤和消毒。这种常规的处理工艺之今仍被世界大多数国家所采纳,是目前饮用水处理的主要工艺。本设计中根据水源水质分析,采纳常规处理工艺,出水即可达到饮用标准。在目前的给水设计讨论中,关于净水设备的更新和新的净水设备的研发也正方兴未艾。取水工程的设计在给水工程的整个设计和施工中也占有及其重要的作用。因为,这是给水工程设计的第一步,如何选择更为合理和经济的水源,如何确定取水点,设计什么样的取水构筑物等等,这都包含着较高的专业知识和一定的实践经验。如何保证城市用水单位和家庭的水压、水量,这个问题就是二泵站所要解决的问题。在满足水量和水压的条件下如何最大可能的减少泵站的电耗,这就涉及到泵的选择。因此二级泵房的涉及在给水工程中也占有很重要的地位,而且泵站的设计费用往往是昂贵的。特别是近年来,各种各样的新型水泵应运而生,它们为解决上述问题迈进了一大步。随着技术和信息的不断进展,未来人们对生活饮用水的要求也会越来越高,这就对我们给水排水设计者提出了更高的挑战和要求。我信任我们会以一个专业设计人员来迎接给水排水的明天第一章总论1.1 城镇概况城市总规划人口:23 万人,城市居住区房屋卫生设备情况:室内有给水、排水、淋浴、热水供应,城市中房屋的平均层数:6 层℃℃;主导风向,夏季西南风,冬季西北风。自来水厂处的土壤种类:亚粘土;地下水位深度:米。地面水源流量:最大流量 190 m3/s,最小流量 50 m3/s m/s。水位:最高水位-1.00 米,常水位-3.00 米,最低水位(97%)-5.00 米,最低水位河宽 20 米。冰的最大厚度 0.4 米,无潜水,无锚定冰,该河流为不通航河流。 Q 市给水工程设计⒈ 城市总体规划平面图,比例:1:10000⒉ 城市总规划人口: 23 万人 ⒊ 城市居住区房屋...

1、当您付费下载文档后,您只拥有了使用权限,并不意味着购买了版权,文档只能用于自身使用,不得用于其他商业用途(如 [转卖]进行直接盈利或[编辑后售卖]进行间接盈利)。
2、本站所有内容均由合作方或网友上传,本站不对文档的完整性、权威性及其观点立场正确性做任何保证或承诺!文档内容仅供研究参考,付费前请自行鉴别。
3、如文档内容存在违规,或者侵犯商业秘密、侵犯著作权等,请点击“违规举报”。

碎片内容

某市给水工程设计给水工程专业毕业设计毕业论文

您可能关注的文档

确认删除?
VIP
微信客服
  • 扫码咨询
会员Q群
  • 会员专属群点击这里加入QQ群
客服邮箱
回到顶部