电脑桌面
添加小米粒文库到电脑桌面
安装后可以在桌面快捷访问

桩基础课程设计

桩基础课程设计_第1页
1/11
桩基础课程设计_第2页
2/11
桩基础课程设计_第3页
3/11
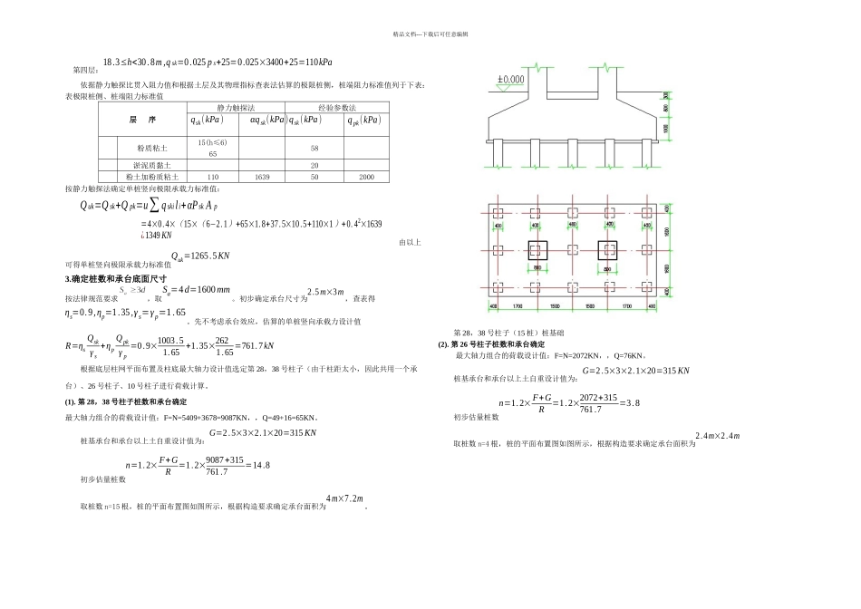
温州大学建工学院WENZHOUUNIVERSITY课程设计题目:桩基础设计课程:基础工程班级:07 土木本二 指导老师:余闯完成日期:一、 总则:1.上部结构资料某教学实验楼,上部结构为七层框架,其框架主梁、次梁、楼板均为现浇整体式,混凝土强度等级为 C30。底层层高(局部 10m,内有 10 t 桥式吊车),其余层高,底层柱网平面布置及柱底荷载见附图。2.建筑物场地资料拟建建筑物场地位于市区内,地势平坦,建筑物平面位置见图 2-1。建筑物平面位置示意图建筑物场地位于非地震区,不考虑地震影响。场地地下水类型为潜水,地下水位离地表米,根据已有资料,该场地地下水对混凝土没有腐蚀性。建筑地基的土层分布情况及各土层物理、力学指标见表 2.1.土层编号 土层名称层底埋深(m)层厚(m)(KN/m3 )ew(%)ILc(kpa) (o)ES(Mpa)fk(kpa)ps(Mpa)1杂填土1.512粉质粘土0.81926381403淤泥质粘土17.2 1.3491.58123704粉土夹粉质粘土3021.3 10.516005粉质粘土很深268.81850表 2.1.地基各土层物理,力学指标二.桩基础设计:1.选择桩型、桩长、承台埋深根据施工场地、地基条件以及场地周围环境条件,选择静压预制桩,这样可以较好的保证桩身质量,并在较短的施工工期完成沉桩任务,同时,当地的施工技术力量、施工设备以及材料供应也为采纳静压桩提供可能性。依据地质条件和地基土的分布,第③层是淤泥质的粉质粘土,且比较厚,而第④层是粉土夹粉质粘土,所以第④层是比较适合的桩端持力层。桩端全断面进入持力层(>2d),预制桩入土深度为h=1.5+6.3+10.5+1=19.3m,如下图所示。由于第①层土厚 1.5m,地下水位为离地表,为了使地下水对承台没有影响,所以选择承台底进入第②层土 0.6m,即承台埋深为,桩基得有效桩长即为 19.3-2.1=17.2m。考虑持力层可能有一定的起伏以及桩需精品文档---下载后可任意编辑要嵌入承台一定长度,取实际桩长为 18m。由于经验得当楼层数 n<10 层时,桩边长取 400mm×400mm。桩基及土层分布示意图2.确定单桩承载力标准值(1)按经验参数法确定单桩竖向承载力极限承载力标准值:查表得:qs 2k=58,qs3k=20,qs 4k=50,qsp=2000=4×0.4×(58×5.7+20×10.5+50×1)+0. 4×0. 4×2000=1265.5 KN(2)静力触探法估算单桩极限承载力标准值:根据单桥探头静力触探资料 Ps按图 2-3 确定桩侧极限阻力标准 2-3 曲线图由于除去杂土外,第②,③,④层土都是粘土,则中的折线 oabc 来确定桩侧极限阻力的标准值:即:Ps<1000...

1、当您付费下载文档后,您只拥有了使用权限,并不意味着购买了版权,文档只能用于自身使用,不得用于其他商业用途(如 [转卖]进行直接盈利或[编辑后售卖]进行间接盈利)。
2、本站所有内容均由合作方或网友上传,本站不对文档的完整性、权威性及其观点立场正确性做任何保证或承诺!文档内容仅供研究参考,付费前请自行鉴别。
3、如文档内容存在违规,或者侵犯商业秘密、侵犯著作权等,请点击“违规举报”。

碎片内容

桩基础课程设计

MY shop+ 关注
实名认证
内容提供者

欢迎挑选适合自己的材料。

确认删除?
VIP
微信客服
  • 扫码咨询
会员Q群
  • 会员专属群点击这里加入QQ群
客服邮箱
回到顶部