电脑桌面
添加小米粒文库到电脑桌面
安装后可以在桌面快捷访问

宁夏用水定额VIP专享

宁夏用水定额_第1页
1/11
宁夏用水定额_第2页
2/11
宁夏用水定额_第3页
3/11
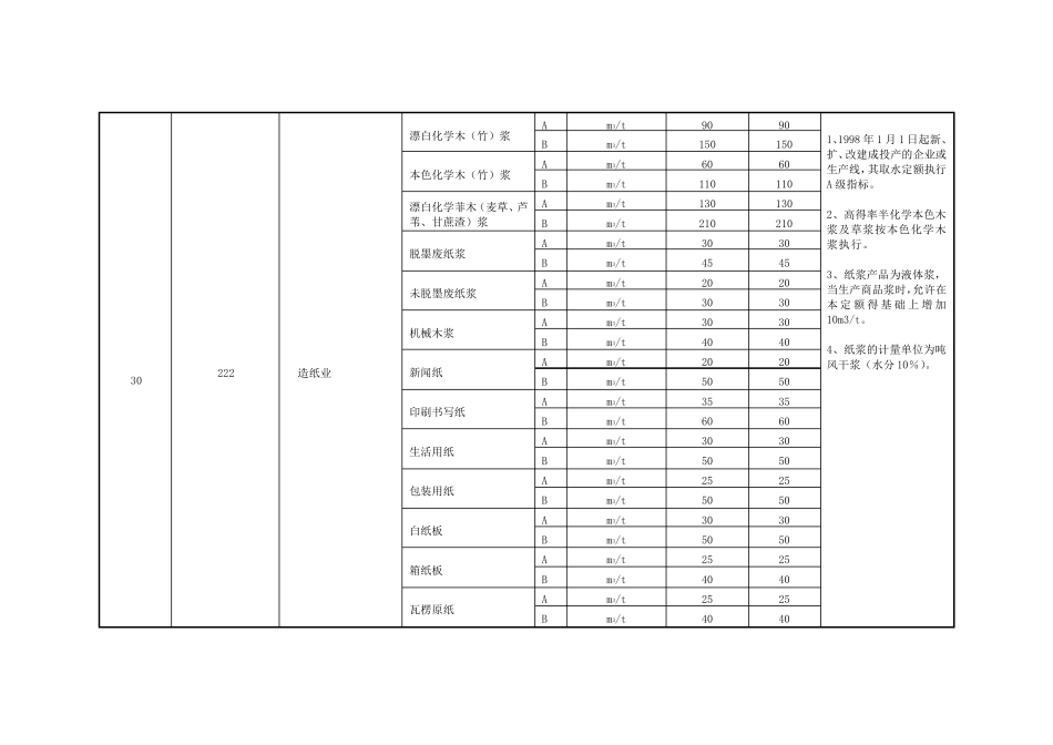
宁夏工业产品取水定额表 编 号 行业代码 行业名称 产品名称 单 位 定 额 备 注 中/小 国家 标准 宁夏 1 061/0610 煤炭开采业 原煤 m3/t 0.7 2 062/0620 煤炭洗选业 洗煤 m3/t 1 3 131/1311 碾米业 大米 m3/t 0.05 4 131/1312 磨粉业 面粉 m3/t 0.5 5 131/1314 饲料制造业 混合饲料 m3/t 1 6 132 植物油加工业 植物油 m3/t 2.5 7 133 制糖业 机制白糖 m3/t 60 8 134/1341 屠宰业 牛 m3/头 1.3 羊 m3/只 0.5 猪 m3/头 0.6 9 134/1342 糖果业 水果糖 m3/t 7.5 10 141/1412 糕点业 糕点 m3/t 120 11 142 乳制品制造业 鲜奶 m3/t 15 奶粉 m3/t 50 12 143 罐头食品制造业 罐头 m3/t 25 13 144/1442 味精制造业 味精 m3/t 160 14 145 酱油、醋类制造业 酱油、醋 m3/t 3 15 145/1453 调味品制造业 调味品 m3/t 5 16 149/1491 豆制品制造业 豆腐、豆干、豆桨等 L/kg 28 17 149/1492 淀粉及淀粉制造业 玉米淀粉 m3/t 10 马铃薯淀粉 m3/t 27 18 151/1511 洒精制造业 酒精 m3/t 50 19 151/1512 白洒制造业 白洒 m3/t 25 20 151/1512 啤酒制造业 啤酒 m3/t 18 21 151/1515 葡萄洒制造业 葡萄酒 m3/t 25 22 162/1620 卷烟制造业 卷烟 m3/标箱 2 23 172/1721 棉纺业 棉纱、棉线 m3/t 80 24 172/1722 棉织业 棉织布 m3/百米 5 25 174 毛纺织业 原毛加工 m3/t ≤200 200 粗纺、精纺 m3/百米 ≤4.0 20 绒线 m3/t ≤200 100 26 176 麻纺织业 亚麻纱 m3/t ≤200 200 湿纺工艺 亚麻布 m3/百米 ≤4 20 毛毯 m3/千条 200 地毯 m3/m2 4 宁夏工业产品取水定额表(续) 编 号 行业代码 行业名称 产品名称 单 位 定 额 备 注 中/小 国家 标准 宁夏 27 191 制革业 羊、猪、牛皮革 m3/张 1 28 201 锯材木片加工业 木材加工 m3/m3 0.01 29 211/2110 木制家具制造业 家具 m3/件 0.2 30 222 造纸业 漂白化学木(竹)浆 A m3/t 90 90 1、1998 年 1 月 1 日起新、扩、改建成投产的企业或生产线,其取水定额执行A 级指标。 2、高得率半化学本色木浆及草浆按本色化学木浆执行。 3、纸浆产品为液体浆,当生产商品浆时,允许在本 定 额 得 基 础 上 增 加10m3/t。 4、纸浆的计量单位为吨风干浆(水分 10...

1、当您付费下载文档后,您只拥有了使用权限,并不意味着购买了版权,文档只能用于自身使用,不得用于其他商业用途(如 [转卖]进行直接盈利或[编辑后售卖]进行间接盈利)。
2、本站所有内容均由合作方或网友上传,本站不对文档的完整性、权威性及其观点立场正确性做任何保证或承诺!文档内容仅供研究参考,付费前请自行鉴别。
3、如文档内容存在违规,或者侵犯商业秘密、侵犯著作权等,请点击“违规举报”。

碎片内容

宁夏用水定额

小辰+ 关注
实名认证
内容提供者

出售各种文档和资料

相关文档

确认删除?
VIP
微信客服
  • 扫码咨询
会员Q群
  • 会员专属群点击这里加入QQ群
客服邮箱
回到顶部