电脑桌面
添加小米粒文库到电脑桌面
安装后可以在桌面快捷访问

安全工器具的分类

安全工器具的分类_第1页
1/8
安全工器具的分类_第2页
2/8
安全工器具的分类_第3页
3/8
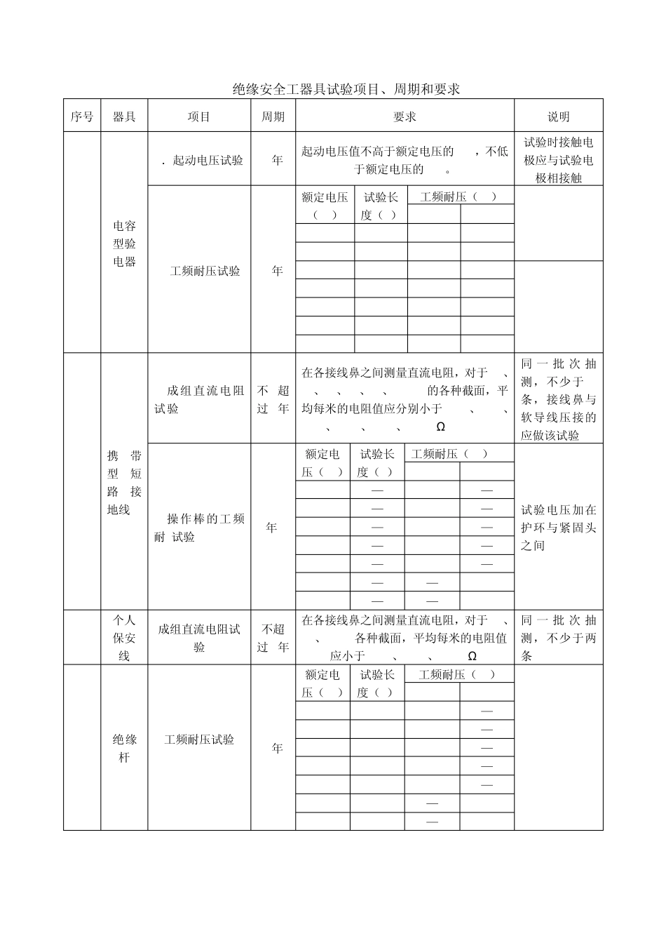
安全工器具的分类 一、安全工器具的类型 1、绝缘安全工器具。 2、一般防护安全工器具、安全围栏(网)。 3、标示牌三大类。 二、绝缘安全工器具 基本和辅助两种绝缘安全工器具。 1、基本绝缘安全工器具是指能直接操作带电设备、接触或可能接触带电体的工器具,如电容型验电器、绝缘杆、绝缘隔板、绝缘罩、携带型短路接地线、个人保安接地线、核相器等。 (1)电容型验电器是通过检测流过验电器对地杂散电容中的电流,检验高压电气设备、线路是否带有运行电压的装置。电容型验电器一般由接触电极、验电指示器、连接件、绝缘杆和护手坏等组成。 (2)绝缘杆是用于短时间对带电设备进行操作或测量的绝缘工具,如接通或断开高压隔离开关、跌落熔丝具等。绝缘杆由合成材料制成,结构一般分为工作部分、绝缘部分和手握部分。 (3)绝缘隔板是由绝缘材料制成,用于隔离带电部件、限制工作人员活动范围的绝缘平板。 (4)绝缘罩是由绝缘材料制成,用于遮蔽带电导体或非带电导体的保护罩。 (5)携带型短路接地线是用于防止设备、线路突然来电,消除感应电压,放尽剩余电荷的临时接地装置。 (6)个人保护接地线(俗称“小地线”)用于防上感应电压危害的个人用接地装置。 (7)核相器是用于检别待连接设备、电气回路是否相位相同的装置。 2、辅助绝缘安全工器具是指绝缘强度不是承受设备或线路的工作电压,只是用于加强基本绝缘安全工器具的保安作用,用以防止接触电压,跨步电压、泄漏电流电弧对操作人员的伤害,不能用辅助绝缘安全工器具直接接触高压设备带电部分。属于这一类的安全工器具有:绝缘手套、绝缘靴(鞋)、绝缘胶垫等。 (1)绝缘手套是由特种橡胶制成的,起电气绝缘作用的手套。 (2)绝缘靴是由特种橡胶制成的,用于人体与地面绝缘的靴子。 (3)绝缘胶垫是由特种橡胶制成的,用于加强工作人员对地绝缘的橡胶板。 3、一般防护安全工器具(一般防护用具)是指防护工作人员发生事故的工器具,如安全帽、安全带、梯子、安全绳、脚扣、防静电服(静电感应防护服)、防电弧服、导电鞋(防静电鞋)、安全自锁器、速差自控器、防护眼镜、过滤式防毒面具、正压式消防空气呼吸器、SF6气体检漏仪、氧量测试仪、耐酸手套、耐酸服及耐酸靴等。 (1)安全帽是一种用来保护工作人员头部、使头部免受外力冲击伤害的帽子。 (2)高压近电报警安全帽是一种带有高压近电报警功能的安全帽,一般由普通安全帽和高压近电报警器组合而成。 ...

1、当您付费下载文档后,您只拥有了使用权限,并不意味着购买了版权,文档只能用于自身使用,不得用于其他商业用途(如 [转卖]进行直接盈利或[编辑后售卖]进行间接盈利)。
2、本站所有内容均由合作方或网友上传,本站不对文档的完整性、权威性及其观点立场正确性做任何保证或承诺!文档内容仅供研究参考,付费前请自行鉴别。
3、如文档内容存在违规,或者侵犯商业秘密、侵犯著作权等,请点击“违规举报”。

碎片内容

安全工器具的分类

您可能关注的文档

小辰+ 关注
实名认证
内容提供者

出售各种文档和资料

确认删除?
VIP
微信客服
  • 扫码咨询
会员Q群
  • 会员专属群点击这里加入QQ群
客服邮箱
回到顶部