电脑桌面
添加小米粒文库到电脑桌面
安装后可以在桌面快捷访问

安全施工作业票(样板)

安全施工作业票(样板)_第1页
1/12
安全施工作业票(样板)_第2页
2/12
安全施工作业票(样板)_第3页
3/12
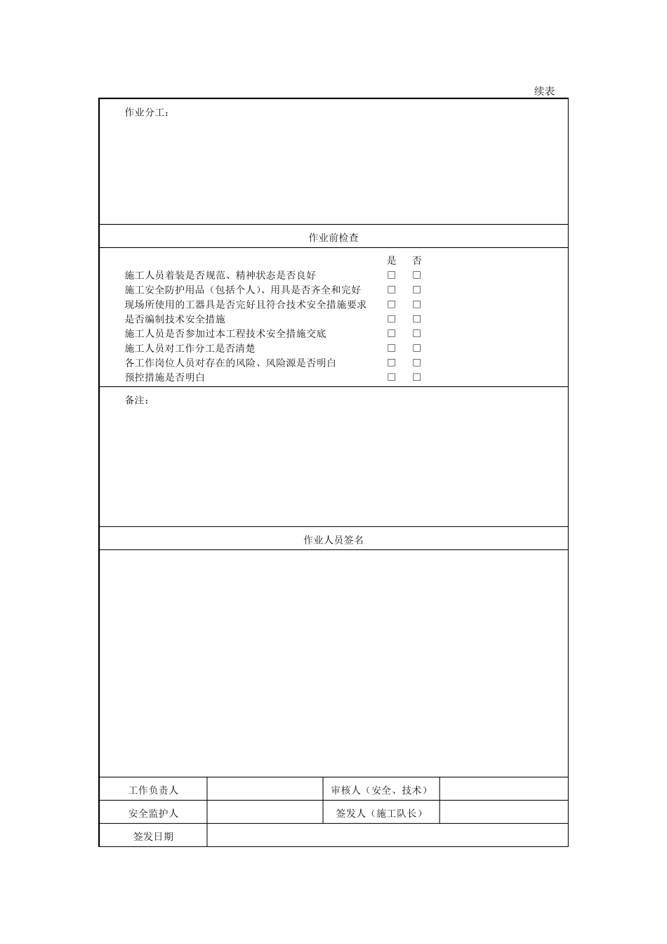
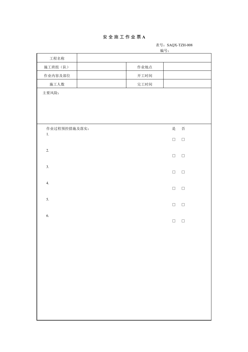
安全施工作业 票 A 表号:SAQX-TZH-008 编号: 工程名称 施工班组(队) 作业地点 作业内容及部位 开工时间 施工人数 完工时间 主要风险: 作业过程预控措施及落实: 是 否 1. □ □ 2. □ □ 3. □ □ 4. □ □ 5. □ □ 6. □ □ 续表 作业分工: 作业前检查 是 否 施工人员着装是否规范、精神状态是否良好 □ □ 施工安全防护用品(包括个人)、用具是否齐全和完好 □ □ 现场所使用的工器具是否完好且符合技术安全措施要求 □ □ 是否编制技术安全措施 □ □ 施工人员是否参加过本工程技术安全措施交底 □ □ 施工人员对工作分工是否清楚 □ □ 各工作岗位人员对存在的风险、风险源是否明白 □ □ 预控措施是否明白 □ □ 备注: 作业人员签名 工作负责人 审核人(安全、技术) 安全监护人 签发人(施工队长) 签发日期 安全施工作业 票 B 表号:SAQX-TZH-009 编号: 工程名称 施工班组(队) 作业地点 作业内容及部位 开工时间 施工人数 风险等级 主要风险: 工作分工: 作业前检查 是 否 施工人员着装是否规范、精神状态是否良好 □ □ 施工安全防护用品(包括个人)、用具是否齐全和完好 □ □ 现场所使用的工器具是否完好且符合技术安全措施要求 □ □ 是否按平面布置图要求进行施工作业现场布置 □ □ 是否编制技术安全措施 □ □ 施工人员是否参加过本工程技术安全措施交底 □ □ 施工人员对工作分工是否清楚 □ □ 各工作岗位人员对存在的风险、风险源是否明白 □ □ 预控措施是否明白 □ □ 参加作业人员签名: 备注: 工作负责人 审核人(安全、技术) 安全监护人 签发人(施工项目经理) 签发日期 监理人员(三级及以上风险) 业主项目部(四级及以上风险) 安全施工作业票使用说明 (1)需要办理安全施工作业票的项目施工前,由施工负责人填写,经施工项目部技术员和安全员审查,风险等级较低的作业(《国家电网公司基建安全管理规定》附件5)由施工队长签发,风险等级较高的作业项目(《国家电网公司基建安全管理规定》附件8),由施工项目经理签发。施工负责人通过宣读作业票的方式向全体作业人员交底,作业人员签名后实施。 (2)一张施工作业票只能填写同一作业地点的同一类型作业内容,并可连续使用至该项作业任务完成。 (3)施工周期超过一个月或重复施工的施工项目,应重新交底;如人员、...

1、当您付费下载文档后,您只拥有了使用权限,并不意味着购买了版权,文档只能用于自身使用,不得用于其他商业用途(如 [转卖]进行直接盈利或[编辑后售卖]进行间接盈利)。
2、本站所有内容均由合作方或网友上传,本站不对文档的完整性、权威性及其观点立场正确性做任何保证或承诺!文档内容仅供研究参考,付费前请自行鉴别。
3、如文档内容存在违规,或者侵犯商业秘密、侵犯著作权等,请点击“违规举报”。

碎片内容

安全施工作业票(样板)

小辰3+ 关注
实名认证
内容提供者

出售各种资料和文档

确认删除?
VIP
微信客服
  • 扫码咨询
会员Q群
  • 会员专属群点击这里加入QQ群
客服邮箱
回到顶部