电脑桌面
添加小米粒文库到电脑桌面
安装后可以在桌面快捷访问

安全检查评分表VIP专享

安全检查评分表_第1页
1/26
安全检查评分表_第2页
2/26
安全检查评分表_第3页
3/26
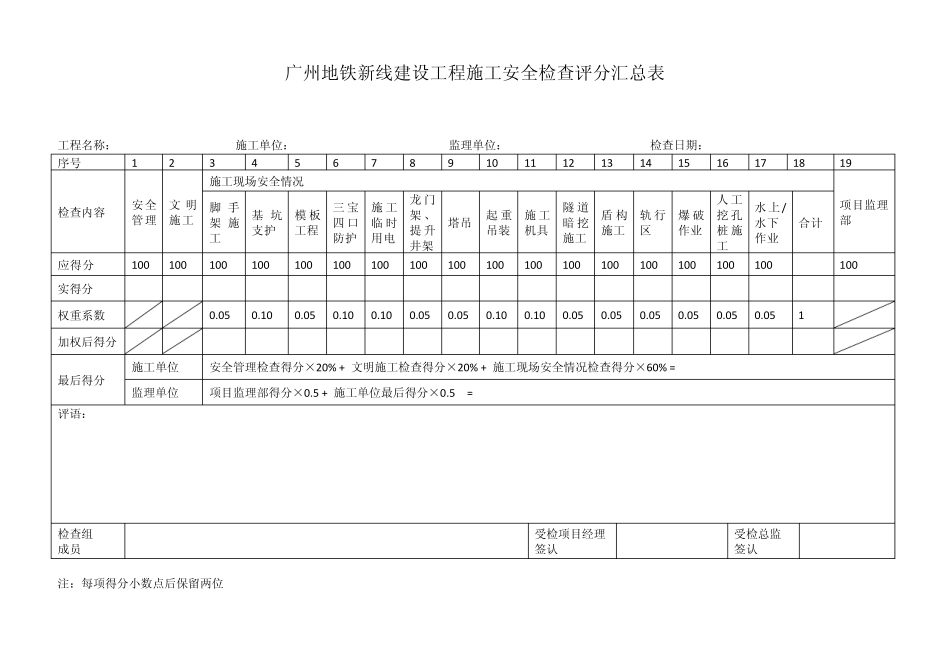
附件 广州地铁新线建设工程 施工安全检查评分标准 广州市地下铁道总公司编制 二○一三年 月 广州地铁新线建设工程施工安全检查评分汇总表 工程名称: 施工单位: 监理单位: 检查日期: 注:每项得分小数点后保留两位 序号 1 2 3 4 5 6 7 8 9 10 11 12 13 14 15 16 17 18 19 检查内容 安全管理 文明施工 施工现场安全情况 项目监理部 脚手架施工 基坑支护 模板工程 三宝四口防护 施工临时用电 龙门架、提升井架 塔吊 起重吊装 施工机具 隧道暗挖施工 盾构施工 轨行区 爆破作业 人工挖孔桩施工 水上/水下 作业 合计 应得分 100 100 100 100 100 100 100 100 100 100 100 100 100 100 100 100 100 100 实得分 权重系数 0.05 0.10 0.05 0.10 0.10 0.05 0.05 0.10 0.10 0.05 0.05 0.05 0.05 0.05 0.05 1 加权后得分 最后得分 施工单位 安全管理检查得分×20% + 文明施工检查得分×20% + 施工现场安全情况检查得分×60% = 监理单位 项目监理部得分×0.5 + 施工单位最后得分×0.5 = 评语: 检查组 成员 受检项目经理 签认 受检总监 签认 表1 安全管理检查评分表 序号 检查项目 扣分标准 应得分数 扣减分数 实得分数 1 安全生产责任制 安全生产责任制文件 项目部应制订安全生产责任制,未制订的扣5 分;不完善的扣3 分 10 2 明确责任人 项目部应明确并公布安全生产第一责任人和直接责任人。无任命书或责任状的,扣5 分,未上墙公示的扣2 分 3 责任目标 项目部应制定安全生产责任目标(伤亡控制指标、安全达标、文明施工目标)及考核办法。未制定目标或考核办法的扣5 分,未实行考核的,每次扣3 分,考核资料不完善的扣1~2 分 4 分包单位的安全管理 分包单位无安全生产许可证或不具备相应的施工资质等级的扣10 分;总承包单位未与分包单位签订安全协议的扣10 分,转包、以包代管的扣10 分 5 交叉作业管理 两个以上单位在同一场所作业的,应分别签订安全生产协议。没有签订的,扣10 分 6 安全生产规 章制度及 操作 规程 项目部建立完善的规章制度 项目部应建立以下安全管理规章制度: 安全检查、监督制度 安全培训教育制度 安全技术措施编制、审查制度 安全技术交底制度 安全生产奖惩制度 施工工地消防管理制度 工地事故管理制度 各工种和机械设备的安全操作规程 每缺一项制度的扣5...

1、当您付费下载文档后,您只拥有了使用权限,并不意味着购买了版权,文档只能用于自身使用,不得用于其他商业用途(如 [转卖]进行直接盈利或[编辑后售卖]进行间接盈利)。
2、本站所有内容均由合作方或网友上传,本站不对文档的完整性、权威性及其观点立场正确性做任何保证或承诺!文档内容仅供研究参考,付费前请自行鉴别。
3、如文档内容存在违规,或者侵犯商业秘密、侵犯著作权等,请点击“违规举报”。

碎片内容

安全检查评分表

确认删除?
VIP
微信客服
  • 扫码咨询
会员Q群
  • 会员专属群点击这里加入QQ群
客服邮箱
回到顶部