电脑桌面
添加小米粒文库到电脑桌面
安装后可以在桌面快捷访问

安全检查隐患整改单

安全检查隐患整改单_第1页
1/11
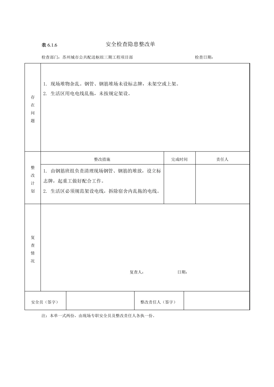
安全检查隐患整改单_第2页
2/11
安全检查隐患整改单_第3页
3/11
表 6 .1 .6 安全检查隐患整改单 检查部门:苏州城市公共配送枢纽三期工程项目部 检查日期: 存 在 问 题 1、部分电箱门不关,防雨措施不到位。 2. 现场无醒目安全生产宣传标牌。 整 改 计 划 整改措施 完成时间 责任人 1 . 电工每天加强巡视检查,固定电箱门必须关上,移动电箱下班必须收回专人保管。 2. 现场宣传标识挂放在醒目、合理的位置,高低一致、端正。 复 查 情 况 复查人: 日期: 安全员(签字) 整改责任人(签字) 注:本单一式两份,由现场专职安全员及整改责任人各执一份。 表 6 .1 .6 安全检查隐患整改单 检查部门:苏州城市公共配送枢纽三期工程项目部 检查日期: 存 在 问 题 1. 现场堆物杂乱。钢管、钢筋堆场未设标志牌,未架空或上架。 2. 生活区用电电线乱拖,未按规定架设。 整 改 计 划 整改措施 完成时间 责任人 1. 由钢筋班组负责清理现场钢管、钢筋的堆放,设立标志牌,起重工做好配合工作。 2. 生活区必须规范架设电线,拆除宿舍内乱拖的电线。 复 查 情 况 复查人: 日期: 安全员(签字) 整改责任人(签字) 注:本单一式两份,由现场专职安全员及整改责任人各执一份。 表 6 .1 .6 安全检查隐患整改单 检查部门:苏州城市公共配送枢纽三期工程项目部 检查日期: 存 在 问 题 1.电焊机出线松动,地面潮湿。 2.钢筋加工棚搭设不规范。 整 改 计 划 整改措施 完成时间 责任人 1 对电焊设备全面检查,发现隐患及时消除(焊工负责,一天完成)。 2 钢筋加工棚拆除,重新按标化工地要求搭设,并做好标色。 复 查 情 况 复查人: 日期: 安全员(签字) 整改责任人(签字) 注:本单一式两份,由现场专职安全员及整改责任人各执一份。 表 6 .1 .6 安全检查隐患整改单 检查部门:苏州城市公共配送枢纽三期工程项目部 检查日期: 存 在 问 题 1. 施工道路不畅,模板、钢管随意乱堆。 2. 电焊机搭铁用钢筋乱拖。 3. 钢筋加工场物料杂乱。 整 改 计 划 整改措施 完成时间 责任人 1 派 3 人清理道路杂物,模板堆放整齐、就位,一天内完成(木工组负责)。 2 通知焊工,今后禁止用钢筋作搭铁,应按操作规程作业。 3 钢筋、物料场派 5 人清理堆放齐整。 复 查 情 况 复查人: 日期: 安全员(签字) 整改责任人(签字) 注:本单一式两份,由现场专职安全员及整改责任人各执一...

1、当您付费下载文档后,您只拥有了使用权限,并不意味着购买了版权,文档只能用于自身使用,不得用于其他商业用途(如 [转卖]进行直接盈利或[编辑后售卖]进行间接盈利)。
2、本站所有内容均由合作方或网友上传,本站不对文档的完整性、权威性及其观点立场正确性做任何保证或承诺!文档内容仅供研究参考,付费前请自行鉴别。
3、如文档内容存在违规,或者侵犯商业秘密、侵犯著作权等,请点击“违规举报”。

碎片内容

安全检查隐患整改单

您可能关注的文档

小辰8+ 关注
实名认证
内容提供者

出售各种资料和文档

确认删除?
VIP
微信客服
  • 扫码咨询
会员Q群
  • 会员专属群点击这里加入QQ群
客服邮箱
回到顶部