电脑桌面
添加小米粒文库到电脑桌面
安装后可以在桌面快捷访问

安全生产许可证延期申请表

安全生产许可证延期申请表_第1页
1/9
安全生产许可证延期申请表_第2页
2/9
安全生产许可证延期申请表_第3页
3/9
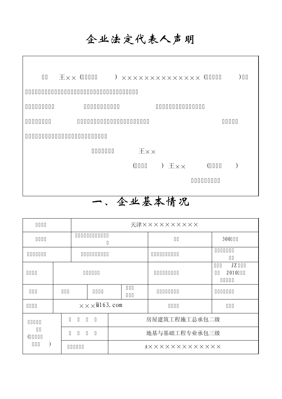
申请编号: 建筑施工企业安全生产许可证延期 申 请 表 企业名称:天津×××××××× 填报日期:×× 年××月××日 申请类别:延期申请[√] 天津市城乡建设和交通委员会制 填 表 说 明 一、本表用于建筑施工企业申请延期安全生产许可证。 二、本表应使用黑色钢笔或签字笔填写,字迹要工整,不得涂改。 三、申请编号由发证机关填写,本表第一至第五部分由企业如实逐项填写。 四、本表一律用中文填写,数字均使用阿拉伯数字。 五、本表在填写时如需加页,一律使用 A4型纸。 六、本表所需附件材料请按第七项所列目录设目录表,按顺序每页编号并加盖公章,用 A4型纸单独胶装成册;企业在申请延期时,需要交验附件材料中涉及的所有证件、凭证原件。 企业法定代表人声明 本人 王×× (法定代表人) ×××××××××××××× (身份证号码)郑重声明,本企业填报的《建筑施工企业安全生产许可证延期申请表》及附件材料的全部内容是真实的,无任何隐瞒和欺骗行为。本企业此次申请建筑施工企业安全生产许可证延期,如有隐瞒情况和提供虚假材料以及其他违法行为,本企业和本人愿意接受建设主管部门依据有关法律法规给予的处罚。 企业法人代表:王×× (本人签名) 王×× (企业公章) ××年××月××日 一、企业基本情况 企业名称 天津×××××××××× 注册地址 天津市××区×××路××号 邮编 300××× 营业执照注册号 ×××××××××× 安全生产许可发证时间 ××年××月××日 经济类型 有限责任公司 安全生产许可证编号 (津)JZ 安许证字(2010)××××××× 联系人 王×× 联系电话 ×××××× 安全许可证有效期 ××年×月×日 电子邮箱 ×××@163.com 职工人数 ××人 资质类别及等级 (已办理资质的填写) 主 项 资 质 房屋建筑工程施工总承包二级 增 项 资 质 地基与基础工程专业承包三级 资质证书编号 A××××××××××××× 二、企业主要负责人简况 序号 姓名 性别 年龄 学历 职务 职称 安全生产考核情况 发证时间 证书编号 1 王×× 男 ×× 大本 法人 高级工程师 2009 年 9月 25 日 津建安 A(2009)××××××× 2 李×× 男 ×× 大专 总经理 工程师 2009 年 9月 25 日 津建安 A(2009)××××××× 3 赵×× 男 ×× 大本 副经理 高级工程师 2009 年 9月 25 日 津建安 A...

1、当您付费下载文档后,您只拥有了使用权限,并不意味着购买了版权,文档只能用于自身使用,不得用于其他商业用途(如 [转卖]进行直接盈利或[编辑后售卖]进行间接盈利)。
2、本站所有内容均由合作方或网友上传,本站不对文档的完整性、权威性及其观点立场正确性做任何保证或承诺!文档内容仅供研究参考,付费前请自行鉴别。
3、如文档内容存在违规,或者侵犯商业秘密、侵犯著作权等,请点击“违规举报”。

碎片内容

安全生产许可证延期申请表

您可能关注的文档

确认删除?
VIP
微信客服
  • 扫码咨询
会员Q群
  • 会员专属群点击这里加入QQ群
客服邮箱
回到顶部