电脑桌面
添加小米粒文库到电脑桌面
安装后可以在桌面快捷访问

实验室授权签字人一览表

实验室授权签字人一览表_第1页
1/12
实验室授权签字人一览表_第2页
2/12
实验室授权签字人一览表_第3页
3/12
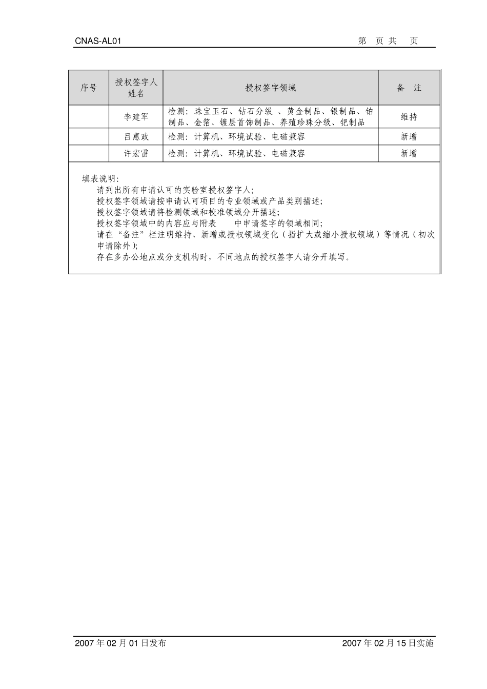
CNAS-AL01 第 1页 共 9 页 2007 年02 月01 日发布 2007 年02 月15 日实施 附表1-1 实验室授权签字人一览表 名称:山东 省 计 量 科 学 研 究 院 地 址 :千 佛 山东 路 28号 序号 授权签字人姓名 授权签字领域 备 注 1 刘晓伟 检测:珠宝玉石、钻石分级 、黄金制品、银制品、铂制品、金箔、镀层首饰制品、养殖珍珠分级、钯制品、计算机、网络、电磁兼容 维持 2 林振强 检测:计量器具、计算机、网络、电磁兼容 维持 3 曹瑞基 检测:计量器具、网络、计算机、电磁兼容 维持 4 李万升 检测:计量器具、电磁兼容 校准:测力、硬度、扭矩、振动、电声、密度、机动车检测设备 扩大授权领域 5 孙 艺 校准:全部校准项目 维持 6 刘继义 检测:计量器具、计算机、网络、电磁兼容 维持 7 鲁新光 校准:质量、压力、粘度 检测:衡器 扩大授权领域 8 马 堃 校准:质量、压力 维持 9 赵东升 校准:几何量 维持 10 夏霄红 校准:几何量 维持 11 赵玉成 校准:测力、硬度、扭矩、振动、电声、密度、机动车检测设备 维持 12 张 勤 检测:计量器具、计算机、网络、电磁兼容 扩大授权领域 13 王新军 校准:电磁计量 维持 14 张务铎 校准:流量计量、容量计量 维持 15 高进胜 校准:流量计量、容量计量 新增 16 郭 波 校准:化学计量、光学计量 维持 17 隋 峰 校准:化学计量、光学计量 维持 18 张 慧 校准:测绘仪器 维持 19 卢清杰 校准:测绘仪器 维持 20 李文强 校准:电磁计量 扩大授权领域 21 李志明 校准:无线电计量、时间频率计量、转速计量、电磁计量 扩大授权领域 22 程佑法 检测:珠宝玉石、钻石分级 、黄金制品、银制品、铂制品、金箔、镀层首饰制品、养殖珍珠分级、钯制品 维持 CNAS-AL01 第 2页 共 9 页 2007 年 02 月 01 日发布 2007 年 02 月 15 日实施 序号 授权签字人姓名 授权签字领域 备 注 23 李建军 检测:珠宝玉石、钻石分级 、黄金制品、银制品、铂制品、金箔、镀层首饰制品、养殖珍珠分级、钯制品 维持 24 吕惠政 检测:计算机、环境试验、电磁兼容 新增 25 许宏雷 检测:计算机、环境试验、电磁兼容 新增 填表说明: 1. 请列出所有申请认可的实验室授权签字人; 2. 授权签字领域请按申请认可项目的专业领域或产品类别描述; 3. 授权签字领域请将检测...

1、当您付费下载文档后,您只拥有了使用权限,并不意味着购买了版权,文档只能用于自身使用,不得用于其他商业用途(如 [转卖]进行直接盈利或[编辑后售卖]进行间接盈利)。
2、本站所有内容均由合作方或网友上传,本站不对文档的完整性、权威性及其观点立场正确性做任何保证或承诺!文档内容仅供研究参考,付费前请自行鉴别。
3、如文档内容存在违规,或者侵犯商业秘密、侵犯著作权等,请点击“违规举报”。

碎片内容

实验室授权签字人一览表

小辰6+ 关注
实名认证
内容提供者

出售各种资料和文档

确认删除?
VIP
微信客服
  • 扫码咨询
会员Q群
  • 会员专属群点击这里加入QQ群
客服邮箱
回到顶部