电脑桌面
添加小米粒文库到电脑桌面
安装后可以在桌面快捷访问

室内照明线路的安装与调试

室内照明线路的安装与调试_第1页
1/16
室内照明线路的安装与调试_第2页
2/16
室内照明线路的安装与调试_第3页
3/16
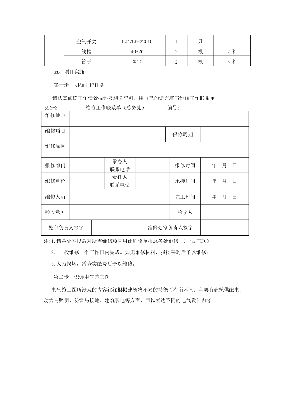
项目二 室内照明线路的安装与调试 一、工作场景 我校一储藏间由于照明线路老化,根据安全需要,总务处要求我校维修电工组在半天内对储藏间照明线路重新安装,完成施工,并负责该照明线路维保一年。 二、能力目标 知识目标 1 . 能根据“储藏间照明线路的安装”工作任务单,明确工时、工艺要求,进行人员分工。 2 .能正确识别与安装空气开关、插座等元器件,选择线色,进行导线与接线桩、接线帽的连接。 技能目标 1 .能按图纸、工艺要求、安全规程要求,使用手锯进行槽板布线施工。 2 .施工后,能按施工任务书的要求利用万用表进行检测;同时拓展照明线路常见故障现象分析、检测,培养维修技能。 情感目标 1 .培养学生学习兴趣和探索精神; 2 .培养学生团队合作、爱护工具、爱岗敬业、吃苦耐劳的精神。 三、项目描述 储藏间照明线路由单相电能表、空气开关、按钮 和节 能灯 四 个 部 分组成。要求单相电能表能度 量 节 能灯 的用电量 ,按钮 控 制 灯 的开启 与关闭 ,空气开关能够 在线路出 现故障时切断 电源 ,起 到 保护电路的作用。 四 、使用材 料 、工具 表 2 -1 工具、仪 表及 器材 项 目 内 容 工具 测电笔 、螺 丝 刀 、弹 簧 、斜 口 钳 、剥 线工具、锯弓 、电钻 等电工常用工具 仪 表 7007 指 针 万用表 器材 名 称 型 号 及 规 格 数 量 单 位 备 注 节 能灯 9W~13W 1 只 飞 雕 2 开 86 型 1 只 单相电能表 1 只 空气开关 DZ47LE-32C10 1 只 线槽 40*20 2 根 2 米 管子 Φ20 2 根 3 米 五、项目实施 第一步 明确工作任务 请认真阅读工作情景描述及相关资料,用自己的语言填写维修工作联系单 表 2-2 维修工作联系单(总务处) 编号: 维修地点 维修项目 保修周期 维修原因 报修部门 承办人 报修时间 年 月 日 联系电话 维修单位 责任人 承接时间 年 月 日 联系电话 维修人员 完工时间 年 月 日 验收意见 验收人 处室负责人签字 维修处室负责人签字 注:1.请各处室以后对所需维修项目用此维修单报总务处维修。(一式三联) 2.一般维修一个工作日内完成。如无维修材料,报批采购后予以维修; 3.人为损坏,需查实缴费后予以维修。 第二步 识读电气施工图 电气施工图所涉及的内容往往根据建筑物不同的功能而有所不同,主要有建筑供配电、动力与照明、防雷与...

1、当您付费下载文档后,您只拥有了使用权限,并不意味着购买了版权,文档只能用于自身使用,不得用于其他商业用途(如 [转卖]进行直接盈利或[编辑后售卖]进行间接盈利)。
2、本站所有内容均由合作方或网友上传,本站不对文档的完整性、权威性及其观点立场正确性做任何保证或承诺!文档内容仅供研究参考,付费前请自行鉴别。
3、如文档内容存在违规,或者侵犯商业秘密、侵犯著作权等,请点击“违规举报”。

碎片内容

室内照明线路的安装与调试

您可能关注的文档

确认删除?
VIP
微信客服
  • 扫码咨询
会员Q群
  • 会员专属群点击这里加入QQ群
客服邮箱
回到顶部