电脑桌面
添加小米粒文库到电脑桌面
安装后可以在桌面快捷访问

室内设计制图标准

室内设计制图标准_第1页
1/16
室内设计制图标准_第2页
2/16
室内设计制图标准_第3页
3/16
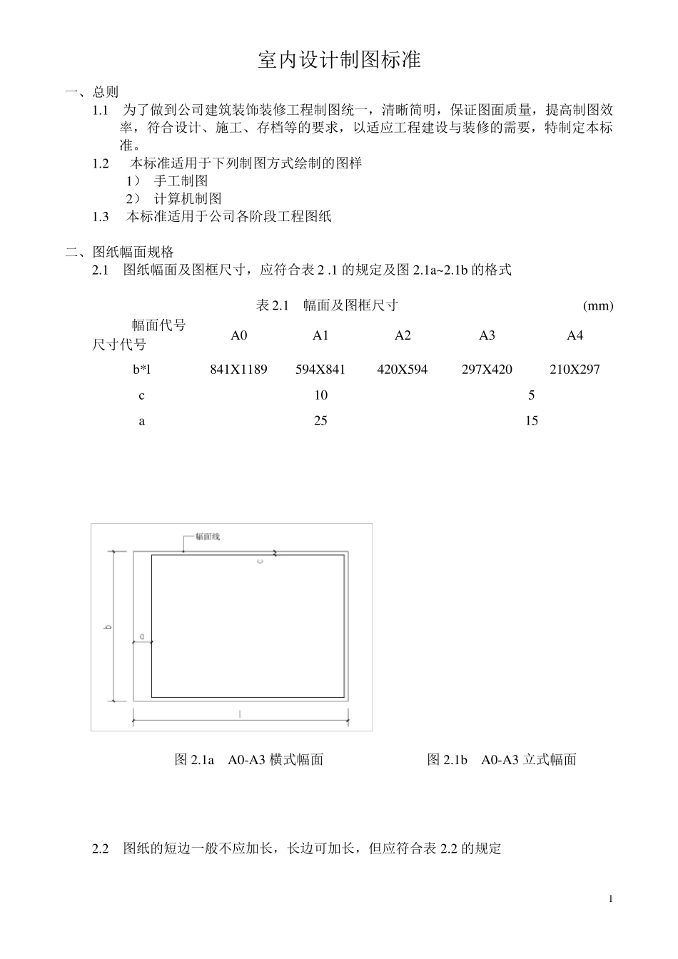
1 室内设计制图标准 一、总则 1.1 为了做到公司建筑装饰装修工程制图统一,清晰简明,保证图面质量,提高制图效率,符合设计、施工、存档等的要求,以适应工程建设与装修的需要,特制定本标准。 1.2 本标准适用于下列制图方式绘制的图样 1) 手工制图 2) 计算机制图 1.3 本标准适用于公司各阶段工程图纸 二、图纸幅面规格 2.1 图纸幅面及图框尺寸,应符合表 2 .1 的规定及图2.1a~2.1b 的格式 表 2.1 幅面及图框尺寸 (mm) 幅面代号 尺寸代号 A0 A1 A2 A3 A4 b*l 841X1189 594X841 420X594 297X420 210X297 c 10 5 a 25 15 图2.1a A0-A3 横式幅面 图2.1b A0-A3 立式幅面 2.2 图纸的短边一般不应加长,长边可加长,但应符合表 2.2 的规定 2 表2.2 图纸长边加长尺寸 (mm) 幅面尺寸 长边尺寸 长边加长后尺寸 A0 1189 1486 1784 A1 841 1051 1262 A2 594 743 891 A3 420 525 630 2.3 图纸以短边作为垂直边称为横式,以短边作为水平边称为立式。一般A0~A3 图纸宜横式,必要时,也可立式使用。 2.4 一个工程设计中,每个专业所使用的图纸,一般不宜多于两种幅面,不含表格所采用的A4 幅面。 三、图框及其中内容 3.1 图签有两种,即竖图签及横图签。 3.2 工程名称: 一般填写为XXXXXX 室内装修工程。 3.3 工程编号: 由经营部统一编制。 3.4 日期: 精确到日,形式符合下例: 2012.04.21。图纸修改时注意修改日期。日期为出图日期。 3.5 比例: 标注为1:XX,若图纸中出现不止一个比例,则标注 A.S.。 3.6 图纸编号: 形式符合下例:IE-01-08,---IE 代表图纸类别编码,01 代表建筑物楼层数或分区区号,08 代表图号。其中图名编码符合表3.6 表3.6 图纸类别编码简缩对照表 序号 编码 英文对照 图名 备注 1 DIS Drawing index schedule 图纸目录 2 EP Design explanation 设计说明 3 FS Finish schedule 终饰索引表 4 DP Door schedule 门表 5 FF Furniture & Fixture plan 平面布置图 6 AR Architectural information plan 隔墙定位图 7 FC Floor covering plan 地面铺装图 8 RC Reflected ceiling plan 天花造型尺寸图 9 DC Reflected lighting plan 灯具尺寸定位图 10 SC Synthetical ceiling plan 综合天花图 根据需要而定 11 EM Electrical & Mechanical plan 配...

1、当您付费下载文档后,您只拥有了使用权限,并不意味着购买了版权,文档只能用于自身使用,不得用于其他商业用途(如 [转卖]进行直接盈利或[编辑后售卖]进行间接盈利)。
2、本站所有内容均由合作方或网友上传,本站不对文档的完整性、权威性及其观点立场正确性做任何保证或承诺!文档内容仅供研究参考,付费前请自行鉴别。
3、如文档内容存在违规,或者侵犯商业秘密、侵犯著作权等,请点击“违规举报”。

碎片内容

室内设计制图标准

您可能关注的文档

确认删除?
VIP
微信客服
  • 扫码咨询
会员Q群
  • 会员专属群点击这里加入QQ群
客服邮箱
回到顶部