电脑桌面
添加小米粒文库到电脑桌面
安装后可以在桌面快捷访问

水泥磨安装施工方案

水泥磨安装施工方案_第1页
1/20
水泥磨安装施工方案_第2页
2/20
水泥磨安装施工方案_第3页
3/20
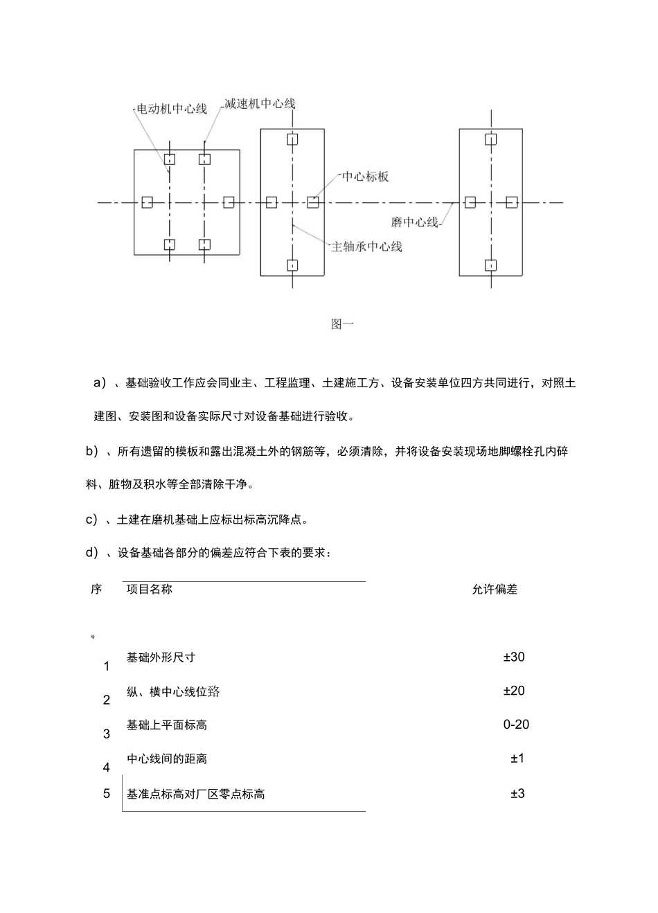
04・2m*13m 磨机施工方案淄川崇正 120 万吨/t 项目水泥粉磨装置所采用的磨机为中心传动磨机,两端采用滑履轴承(焊接式滑环)支撑,缩短了磨机跨距,受力良好,支撑稳定,筒体厚度大大减薄,从而降低磨机重量,制造简单、零部件少、用户备件可减少,维护方便。主要由进料装置、回转部分、出料装置、滑履轴承和滑履轴承润滑系统组成。其工作原理是:物料由进料装置中的进料溜子直接喂入磨机筒体内的粗磨仓,在平均直径较大的研磨体(钢球)的冲击研磨下得到粉碎。被粉碎到一定粒度的物料通过隔仓板的粗筛板之间的缝隙进入组合式隔仓板,而粗磨仓的研磨体则被隔仓板的粗筛板挡住。物料在组合式隔仓板内被细筛板进一步筛析,过粗物料被筛出,并返回粗磨仓,而小于细筛板尺寸的细料被扬料板扬起进入细磨仓,在细磨仓内被小研磨体进一步研磨,达到一定细度要求的物料经出料篦板、出料筒进入出料装置并被排出,进入高效选粉机进行选粉,磨细了的研磨体残余同出料装置的排渣口排出。水泥磨管磨的主要技术性能参数如下:(1)、配套规模:120 万 t/d 水泥粉磨(2)、磨机规格:04.2mx13m(3)、生产能力:195t/h(4)、传动方式:中心传动;支承方式:双滑履(5)、电机功率:3550KW;转速:745r/min(6)、设备总重:(磨体、滑履轴承、减速机、主辅传电机)372t、研磨体 235t2、编制依据双滑履式水泥磨使用说明书图纸技术交底水泥磨车间工艺布置图水泥机械设备安装工程施工及验收规范 JCJ03-90 破碎、粉磨设备安装工程施工及验收规范 GB50276-983、人员组织及主要施工机具3.1、施工人员组织结构工长、磨机安装班组、铆工:二人其他:叁人起重工:二人钳工:叁人焊工:二人4、安装计划网络图(附图)5、施工工艺:基础部分工作:基础检查验收、标板埋设、基础放线、基础铲麻面、砂墩制作底座部分安装:设备检查、底座就位、底粗找正、基础孔灌浆、底座精找正滑履轴承安装:设备检查、轴瓦水压试验、轴瓦刮研、滑履轴承清洗、就位筒体部分安装:筒体卸车、筒体移位及顶升、滑环清洗、检查、筒体找正、就位衬板安装传动部分安装:设备检查、减速机安装、主电机安装、减速机及电机稀油站安装辅助电机其它部分安装:设备检查、进料装置等安装、出料装置装置等安装、液压、润滑、冷却系统安装6、磨机的安装6.1、基础部分工作 6.1.a)、基础验收工作应会同业主、工程监理、土建施工方、设备安装单位四方共同进行,对照土建图、安装图和设备实际尺寸对设备基础进行验收。b)、...

1、当您付费下载文档后,您只拥有了使用权限,并不意味着购买了版权,文档只能用于自身使用,不得用于其他商业用途(如 [转卖]进行直接盈利或[编辑后售卖]进行间接盈利)。
2、本站所有内容均由合作方或网友上传,本站不对文档的完整性、权威性及其观点立场正确性做任何保证或承诺!文档内容仅供研究参考,付费前请自行鉴别。
3、如文档内容存在违规,或者侵犯商业秘密、侵犯著作权等,请点击“违规举报”。

碎片内容

水泥磨安装施工方案

您可能关注的文档

确认删除?
VIP
微信客服
  • 扫码咨询
会员Q群
  • 会员专属群点击这里加入QQ群
客服邮箱
回到顶部