电脑桌面
添加小米粒文库到电脑桌面
安装后可以在桌面快捷访问

特种设备事故专项应急预案VIP免费

特种设备事故专项应急预案_第1页
1/13
特种设备事故专项应急预案_第2页
2/13
特种设备事故专项应急预案_第3页
3/13
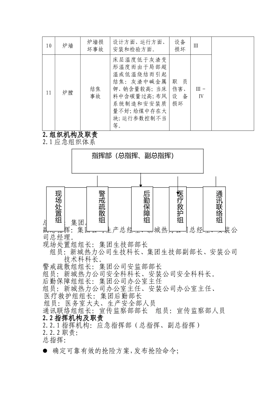
特种设备事故专项应急预案1、事故类型和危害程度分析事故类型:起重伤害、锅炉爆炸、容器爆炸、锅炉爆管、过热器爆管、省煤器爆管、锅炉结焦、汽包满水、缺水等。1.1起重伤害危险程度分析公司起重机械多为梁式起重机,在起重吊装过程中可能发生的事故类型主要有:起重机倾覆、吊装构件滑落、操作检修人员高处坠落等伤害事故。1.1.1发生起重机倾覆事故时,容易造成人员伤亡,相邻构筑物损坏;1.1.2发生吊装物滑落造成物体打击事故时致使人员受重伤或死亡;1.1.3发生高处坠落事故容易造成人员重伤甚至死亡;1.2压力容器爆炸事故危害程度分析1.2.1压力容器或压力管道内压力上升,超过安全阀开启压力、防爆片的爆破压力而没有泄压,发生爆炸,造成设备损坏或人员伤亡;1.2.2蒸汽管道的破裂会造成人员烧伤。1.3锅炉事故危害程度分析序号主要危险源位置事故、故障类型触发条件事故后果危险性等级对策措施1承压部件爆炸事故锅炉内的饱和水与饱和蒸汽迅速膨胀;制造缺陷;压力过高控制失灵,安全附件、自控保护装置失灵或没有。职员伤害、设备损坏Ⅲ-Ⅳ1、各类安全附件保持完好、灵敏可靠。2、操纵职员持证上岗。3、严格执行安全操纵规程。4、定期对锅炉进行检验,对主要承压部件进行探伤检查。5、做好交接班记录、班中巡回检查记录6、强制水循环2受压部件、燃烧室严重损伤事故锅炉缺水、水质不良、给水含氧超标,安全附件、自控保护装置失灵或没有。职员伤害、设备损坏Ⅱ-Ⅲ3承压部件一般损坏事故稍微损伤设备损坏Ⅰ4承压部件严重损坏事故外压或内压职员伤害、设备损坏Ⅲ采用备用电源7、保证锅炉水质质量符合要求。8、加强设备治理和维护、完善灭火保护装置、加强运行治理。9、加强制度治理,在锅炉大修、小修和临修中,负责对受热面磨损、管外腐蚀、胀粗和撕裂等情况做定期、有计划的检查。10、应建立化学监视体系保证减少或减缓管子内部腐蚀、结垢造成的爆漏。11、应建立金属监视体系在材料、焊口检验等方面开展防磨防爆工作。12、采用与锅炉相匹配的煤种,是防止炉膛结焦的重要措施。13、炉膛结焦情况,一旦发现结焦,应及时处理。14、受热面及炉底等部位严重结渣,影响锅炉安全运行时,应立即停炉处理。5水冷壁爆管事故短时过热爆管,主要是由于管内水循环发生故障,内部介质冷却条件恶化,管子壁温急剧上升,材料强度大幅度下降;长时过热爆管。职员伤害、设备损坏Ⅱ6汽包锅炉满水、缺水事故运行职员疏忽大意;水位表故障造成假水位;水位报警器或给水设备或给水管路故障,无法给水或水量不足;忘记封闭排污阀或排污阀泄漏。职员伤害、设备损坏Ⅱ-Ⅲ7汽包汽水共腾没有严格监视水位,在进行负荷调整时,增加负荷过快。职员伤害、设备损坏Ⅱ8省煤器省煤器的损坏(1)水质不符合标准,含氧量较高,且补水量较大,产生氧腐蚀;(2)给水温度及流量变化频繁或运行操纵不当;(3)给水温度偏低,且燃料中硫分较高,省煤器管外壁产生低温腐蚀;(4)材质题目Ⅲ9过热器管过热器管爆破(1)水质分歧格;(2)在点火、升压或长期低负荷运行时,过热器内蒸汽流量不够,造成管壁过热;(3)过热器上的安全阀截面积不够或排气压力偏高,使过热器长期超压运行;(4)过热器长期超温运行,管壁强度降低;(5)管壁腐蚀、减薄或管材质量分歧格。职员伤害、设备损坏Ⅲ10炉墙炉墙损坏事故设计方面、运行方面、安装和检验方面。设备损坏Ⅲ11炉膛结焦事故床层温度低于灰渣变形温度而由于局部超温或低温烧结而引起结焦:灰渣中碱金属钾、钠含量较高;当床料中含碳量过高;布风系统制造和安安装质量不好;给煤中存在大块;运行参数控制不当等。职员伤害、设备损坏Ⅲ-Ⅳ2.组织机构及职责2.1应急组织体系总指挥:集团总经理副总指挥:集团公司生产总经理、新城热力公司总经理、安装公司总经理。现场处置组组长:集团生技部部长组员:新城热力公司生技科长、集团生技部副部长、安装公司技术科科长。警戒疏散组组长:集团公司安监部部长组员:新城热力公司安全科科长、安装公司安全科科长。后勤保障组组长:集团公司办公室主任组员:新城热力公司办公室主任、安装公司办公室主任、医疗救护组组长:集团后勤...

1、当您付费下载文档后,您只拥有了使用权限,并不意味着购买了版权,文档只能用于自身使用,不得用于其他商业用途(如 [转卖]进行直接盈利或[编辑后售卖]进行间接盈利)。
2、本站所有内容均由合作方或网友上传,本站不对文档的完整性、权威性及其观点立场正确性做任何保证或承诺!文档内容仅供研究参考,付费前请自行鉴别。
3、如文档内容存在违规,或者侵犯商业秘密、侵犯著作权等,请点击“违规举报”。

碎片内容

特种设备事故专项应急预案

文章天下+ 关注
实名认证
内容提供者

各种文档应有尽有

确认删除?
VIP
微信客服
  • 扫码咨询
会员Q群
  • 会员专属群点击这里加入QQ群
客服邮箱
回到顶部