电脑桌面
添加小米粒文库到电脑桌面
安装后可以在桌面快捷访问

公司对项目部安全检查和整改记录

公司对项目部安全检查和整改记录_第1页
1/13
公司对项目部安全检查和整改记录_第2页
2/13
公司对项目部安全检查和整改记录_第3页
3/13
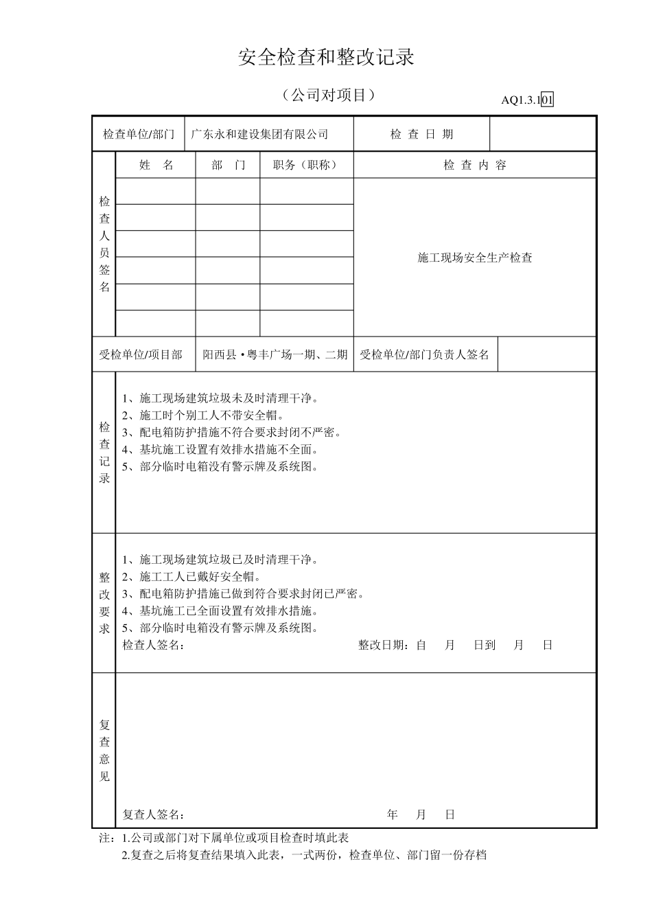
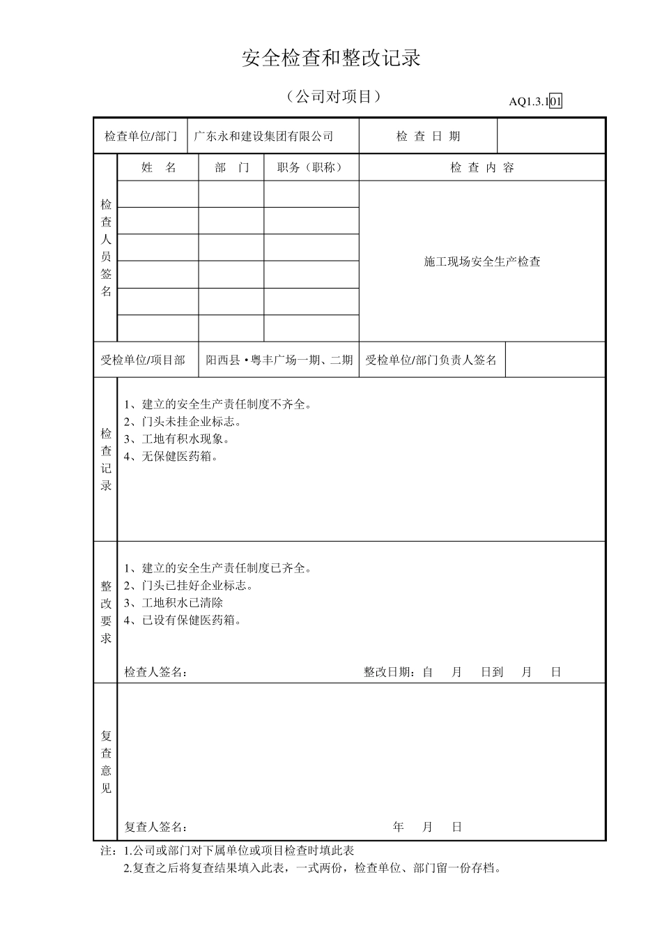
安全检查和整改记录 (公司对项目) A Q 1.3.101 检查单位/部门 广东永和建设集团有限公司 检 查 日 期 检查人员签名 姓 名 部 门 职务(职称) 检 查 内 容 施工现场安全生产检查 受检单位/项目部 阳西县·粤丰广场一期、二期 受检单位/部门负责人签名 检查记录 1、建立的安全生产责任制度不齐全。 2、门头未挂企业标志。 3、工地有积水现象。 4、无保健医药箱。 整改要求 1、建立的安全生产责任制度已齐全。 2、门头已挂好企业标志。 3、工地积水已清除 4、已设有保健医药箱。 检查人签名: 整改日期:自 月 日到 月 日 复查意见 复查人签名: 年 月 日 注:1.公司或部门对下属单位或项目检查时填此表 2.复查之后将复查结果填入此表,一式两份,检查单位、部门留一份存档。 安全检查和整改记录 (公司对项目) A Q 1.3.101 检查单位/部门 广东永和建设集团有限公司 检 查 日 期 检查人员签名 姓 名 部 门 职务(职称) 检 查 内 容 施工现场安全生产检查 受检单位/项目部 阳西县·粤丰广场一期、二期 受检单位/部门负责人签名 检查记录 1、施工现场道路不畅通。 2、材料堆放不整齐。 3、无宣传栏、读报栏。 4、个别二级电箱无接地。 整改要求 1、施工现场道路已畅通。 2、材料已按要求堆放整齐。 3、已设有宣传栏、读报栏。 4、二级电箱已按要求接地。 检查人签名: 整改日期:自 月 日到 月 日 复查意见 复查人签名: 年 月 日 注:1.公司或部门对下属单位或项目检查时填此表 2.复查之后将复查结果填入此表,一式两份,检查单位、部门留一份存档 安全检查和整改记录 (公司对项目) A Q 1.3.101 检查单位/部门 广东永和建设集团有限公司 检 查 日 期 检查人员签名 姓 名 部 门 职务(职称) 检 查 内 容 施工现场安全生产检查 受检单位/项目部 阳西县·粤丰广场一期、二期 受检单位/部门负责人签名 检查记录 1、施工现场建筑垃圾未及时清理干净。 2、施工时个别工人不带安全帽。 3、配电箱防护措施不符合要求封闭不严密。 4、基坑施工设置有效排水措施不全面。 5、部分临时电箱没有警示牌及系统图。 整改要求 1、施工现场建筑垃圾已及时清理干净。 2、施工工人已戴好安全帽。 3、配电箱防护措施已做到符合要求封闭已严密。 4、基坑施工已全面设置有效排水措施。 5、部分临时电箱没有警示牌及系统图。 ...

1、当您付费下载文档后,您只拥有了使用权限,并不意味着购买了版权,文档只能用于自身使用,不得用于其他商业用途(如 [转卖]进行直接盈利或[编辑后售卖]进行间接盈利)。
2、本站所有内容均由合作方或网友上传,本站不对文档的完整性、权威性及其观点立场正确性做任何保证或承诺!文档内容仅供研究参考,付费前请自行鉴别。
3、如文档内容存在违规,或者侵犯商业秘密、侵犯著作权等,请点击“违规举报”。

碎片内容

公司对项目部安全检查和整改记录

小辰3+ 关注
实名认证
内容提供者

出售各种资料和文档

确认删除?
VIP
微信客服
  • 扫码咨询
会员Q群
  • 会员专属群点击这里加入QQ群
客服邮箱
回到顶部