电脑桌面
添加小米粒文库到电脑桌面
安装后可以在桌面快捷访问

240克塑料注射机液压系统设计计算VIP专享

240克塑料注射机液压系统设计计算_第1页
1/14
240克塑料注射机液压系统设计计算_第2页
2/14
240克塑料注射机液压系统设计计算_第3页
3/14
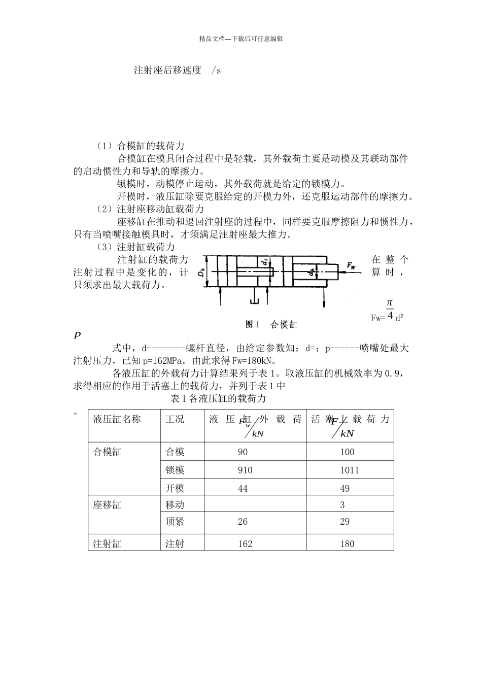
精品文档---下载后可任意编辑 ―240 克塑料注射机液压系统设计计算 大型塑料注射机目前都是全液压控制。其基本工作原理是:粒状塑料通过料斗进入螺旋推动器中,螺杆转动,将料向前推动,同时因螺杆外装有电加热器,而将料融化成黏液状态,在此之前,合模机构已将模具闭合,当物料在螺旋推动器前端形成一定压力时,注射机构开始将液状料高压快速注射到模具型腔中,经一定时间的保压冷却后,开模将成型的塑料制品顶出,使完成了一个动作循环。 现以 240 克塑料注射机为例,进行液压系统设计计算。 塑料注射器的工作循环为: 合模→注射→保压→冷却→开模→顶出 ∣→螺杆预塑进料 其中合模的动作又分为:快速合模、慢速合模、锁模。锁模的时间比较长 ,直到开模前这段时间都是锁模阶段。 1.240 克塑料注射机液压系统设计要求及有关设计参数(1)合模运动要平稳,两篇模具闭合时不应有冲击;(2)当模具闭合后,合模机构应保持闭合压力,防止注射时将模具冲开。注射后,注射机构应保持注射压力,使塑料充满型腔;(3)预塑进料时,螺杆转动,料被推倒螺杆前端,这时,螺杆同注射机构一起向后退,为使螺杆前端的塑料有一定的密度,注射机构必须有一定的后退阻力;(4)为保证安全生产,系统应设有安全联锁装置。 240 克塑料注射机液压系统设计参数如下: 螺杆直径 38mm 螺杆行程: 200mm 最大注射压力 143MPa 螺杆驱动功率 5KW 螺杆转速 61r/min 注射座行程 240mm 注射座最大推力 26kN 最大合模力(锁模力)910kN 开模力 44kN 动模板最大行程 350mm 快速闭模速度 /s 慢速闭模速度 /s 快速开模速度 /s 慢速开模速度 /s 注射速度 /s 注射座前进速度 /s精品文档---下载后可任意编辑 注射座后移速度 /s(1)合模缸的载荷力 合模缸在模具闭合过程中是轻载,其外载荷主要是动模及其联动部件的启动惯性力和导轨的摩擦力。锁模时,动模停止运动,其外载荷就是给定的锁模力。开模时,液压缸除要克服给定的开模力外,还克服运动部件的摩擦力。(2)注射座移动缸载荷力 座移缸在推动和退回注射座的过程中,同样要克服摩擦阻力和惯性力,只有当喷嘴接触模具时,才须满足注射座最大推力。(3)注射缸载荷力 注射缸的载荷力在 整 个注射过程中是变化的,计算 时 ,只须求出最大载荷力。 Fw=π4 d²p式中,d--------螺杆直径,由给定参数知:d=;p------喷嘴处最大注射压力,已知 p=162MPa。由此求得 Fw=1...

1、当您付费下载文档后,您只拥有了使用权限,并不意味着购买了版权,文档只能用于自身使用,不得用于其他商业用途(如 [转卖]进行直接盈利或[编辑后售卖]进行间接盈利)。
2、本站所有内容均由合作方或网友上传,本站不对文档的完整性、权威性及其观点立场正确性做任何保证或承诺!文档内容仅供研究参考,付费前请自行鉴别。
3、如文档内容存在违规,或者侵犯商业秘密、侵犯著作权等,请点击“违规举报”。

碎片内容

240克塑料注射机液压系统设计计算

一二三四传媒+ 关注
实名认证
内容提供者

大量资料供您选择,没有合适的可以联系小二。

确认删除?
VIP
微信客服
  • 扫码咨询
会员Q群
  • 会员专属群点击这里加入QQ群
客服邮箱
回到顶部