电脑桌面
添加小米粒文库到电脑桌面
安装后可以在桌面快捷访问

形位公差100个问与答a

形位公差100个问与答a_第1页
1/21
形位公差100个问与答a_第2页
2/21
形位公差100个问与答a_第3页
3/21
形状和位置公差100个问与答 1 . 目前我国的“形状和位置公差”国家标准有哪些主要内容? 答:有 GB/T1182-96 形状和位置公差通则、定义、符号和图样表示法; GB/T4249-96 公差原则; GB/T13319-03 几何公差 位置度公差注法; GB/T16671-96 形状和位置公差 最大实体要求、最小实体要求和可逆要求; GB/T16892-97 形状和位置公差 非刚性零件注法;形状和位置误差如何产生? 答:由于加工过程中工件在机床上的定位误差、刀具与工件的相对运动不正确、夹紧力和切削力引起的工件变形、工件的内应力的释放等原因,完工工件会产生各种形状和位置误差。 3 . 形状和位置误差对什么产生影响? 答:各种形状和位置误差都将会对零件的装配和使用性能产生不同程度的影响。 因此机械类零件的几何精度,除了必须规定适当的尺寸公差和表面粗糙度要求以外,还须对零件规定合理的形状和位置公差。形位公差研究对象是什么? 答:形位公差研究对象就是要素,即点、线、面。 5 . 什么称为要素? 答:要素是指零件上的特征部分:点、线、面。 任何零件不论其复杂程度如何,它都是由许多要素组成的。见图 1 图 1什么称为实际要素? 答:零件加工后实际存在的要素(存在误差)。实际要素是按规定方法,由在实际要素上测量有限个点得到的实际要素的近似替代要素(测得实际要素)来体现的。 每个实际要素由于测量方法不同,可以有若干个替代要素。测量误差越小,测得实际要素越接近实际要素。什么称为理想要素? 答:理论正确的要素(无误差)。 在技术制图中我们画出的要素为理想要素。理想轮廓要素用实线(可见)或虚线(不可见)表示;理想中心要素用点划线表示。什么称为轮廓(实有)要素? 答:零件表面上的点、线或面。见图 1的圆锥面、圆柱面、圆台面、球面和素线。 9 .什么称为中心(导出)要素? 答:由一个或几个轮廓(组成)要素得到的中心点(圆心或球心)、中心线(轴线)或中心面。见图 1的轴线和球心。 1 0 .什么称为被测要素? 答:图样上给出了形位公差要求的要素,为测量的对象。 1 1 .什么称为基准要素? 答:零件上用来建立基准并实际起基准作用的实际要素(如一条边、一个表面或一个孔)。 1 2 .被测要素在图样上如何表示? 答:被测要素在图样上一般通过带箭头的指引线与形位公差框格相连;基准要素在图样上用基准符号表示。注意:基准要素≠基准。 1 3 .什么称为单一要素? 答:具有形状公差要求的要...

1、当您付费下载文档后,您只拥有了使用权限,并不意味着购买了版权,文档只能用于自身使用,不得用于其他商业用途(如 [转卖]进行直接盈利或[编辑后售卖]进行间接盈利)。
2、本站所有内容均由合作方或网友上传,本站不对文档的完整性、权威性及其观点立场正确性做任何保证或承诺!文档内容仅供研究参考,付费前请自行鉴别。
3、如文档内容存在违规,或者侵犯商业秘密、侵犯著作权等,请点击“违规举报”。

碎片内容

形位公差100个问与答a

您可能关注的文档

确认删除?
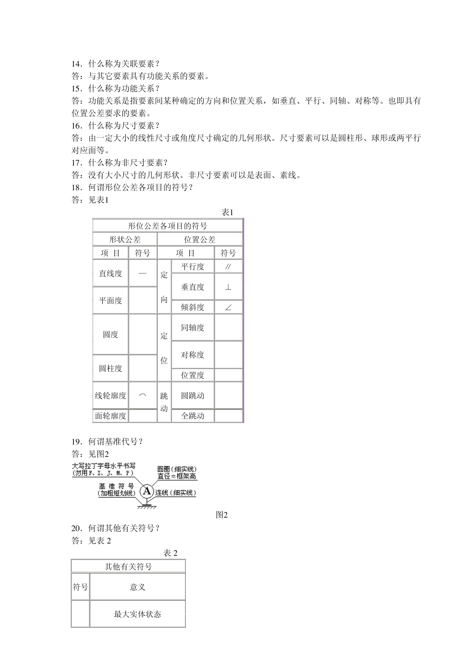
VIP
微信客服
  • 扫码咨询
会员Q群
  • 会员专属群点击这里加入QQ群
客服邮箱
回到顶部