电脑桌面
添加小米粒文库到电脑桌面
安装后可以在桌面快捷访问

房屋建筑工程安全施工组织设计

房屋建筑工程安全施工组织设计_第1页
1/14
房屋建筑工程安全施工组织设计_第2页
2/14
房屋建筑工程安全施工组织设计_第3页
3/14
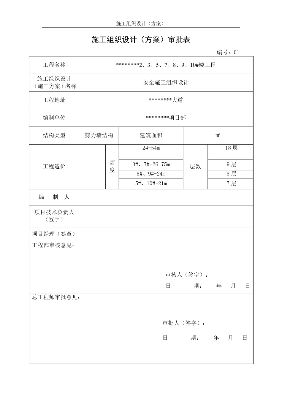
施工组织设计(方案) 2 、3 、5 、7 、8 、9 、1 0 # 楼工程 安全施工组织设计 * * * * * * * * 有限公司 2 0 1 8 年 5 月 1 5 日 施工组织设计(方案) 施工组织设计(方案)审批表 编号:01 工程名称 * * * * * * * * 2 、3 、5 、7 、8 、9 、1 0 # 楼工程 施工组织设计 (施工方案)名称 安全施工组织设计 工程地址 * * * * * * * * 大道 编制单位 * * * * * * * * 项目部 结构类型 剪力墙结构 建筑面积 ㎡ 工程造价 高度 2#-54m 层数 18 层 3#、7#-26.75m 9 层 8#、9#-24m 8 层 5#、10#-21m 7 层 编 制 人 项目技术负责人(签字) 项目经理(签章) 工程部审核意见: 审核人(签字): 日 期: 年 月 日 总工程师审批意见: 审批人(签字): 日 期: 年 月 日 施工组织设计(方案) 安全施工组织设计报审表 工程名称:* * * * * * * * 2 、3 、5 、7 、8 、9 、1 0 # 楼工程 编 号: 0 1 致:* * * * * * * * 工程监理有限公司 我方已根据施工合同的有关规定完成了********2、3、5、7、8、9、10#楼工程安全施工组织设计的编制,并经我单位上级技术负责人审查批准,请予以审查。 附:方案 承包单位(章):* * * * * * * * 有限公司 项目经理: 日 期: 年 月 日 专业监理工程师审查意见: 专业监理工程师: 日 期 : 年 月 日 总监理工程师审核意见: 项目监理机构: 总监理工程师: 日 期: 年 月 日 施工组织设计(方案) 一、工程概况 工程名称:********2、3、5、7、8、9、10#楼工程 工程地点:**** *****大道 建设单位:********有限公司 勘察单位:********工程有限公司 设计单位:********建筑设计有限公司 监理单位:********工程监理有限公司 施工单位:********有限公司 2、3、5、7、8、9、10#楼工程,建设地址位于*****大道。工程总建筑面积****m²,本 工程为3、5、7、8、9、10#楼多 层 住 宅 楼,2#楼为 高 层 住 宅 楼。设计使 用 年 限为50 年 ,结 构 形 式 均 为 剪 力 墙 结构 ,抗 震 设防 烈 度 为 7 度 。标 准 层 楼层 高 度 均 为 2.95m。目 前 资 金 已落 实 到 位,施工现 场 三 通 一平 完 善 ,具 备 开 工条 件 。 二 、编 制 依 据 《...

1、当您付费下载文档后,您只拥有了使用权限,并不意味着购买了版权,文档只能用于自身使用,不得用于其他商业用途(如 [转卖]进行直接盈利或[编辑后售卖]进行间接盈利)。
2、本站所有内容均由合作方或网友上传,本站不对文档的完整性、权威性及其观点立场正确性做任何保证或承诺!文档内容仅供研究参考,付费前请自行鉴别。
3、如文档内容存在违规,或者侵犯商业秘密、侵犯著作权等,请点击“违规举报”。

碎片内容

房屋建筑工程安全施工组织设计

确认删除?
VIP
微信客服
  • 扫码咨询
会员Q群
  • 会员专属群点击这里加入QQ群
客服邮箱
回到顶部