电脑桌面
添加小米粒文库到电脑桌面
安装后可以在桌面快捷访问

手机PCBA定制项目流程

手机PCBA定制项目流程_第1页
1/18
手机PCBA定制项目流程_第2页
2/18
手机PCBA定制项目流程_第3页
3/18
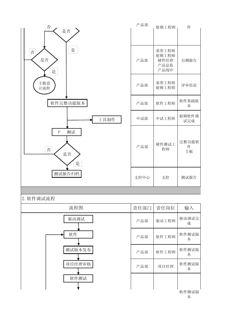
责任部门责任岗位输入产品部项目经理试产板完成产品部驱动工程师硬件原理图GPIO配置产品部基带工程师射频工程师主板调试结果产品部基带工程师射频工程师更换物料清单产品部基带工程师射频工程师项目经理更换物料清单产品部基带工程师射频工程师项目经理更换物料清单换料位号图产品部营销管理部基带工程师射频工程师项目经理深圳技术部人员更换物料清单换料位号图调试阶段流程产品部流程图1.主板调试基带工程师射频工程师项目经理更换物料清单产品部基带工程师射频工程师完整功能软件产品部基带工程师射频工程师最小功能软件驱动调试硬件调试否硬件自测是否需要是否是否调整试产板是更新BOM是否上海试产板换料深圳试产板换料是否通知项目经理库存主板调试物料准备产品部基带工程师射频工程师硬件经理产品总监产品线VP自测报告产品部基带工程师射频工程师评审结论产品部软件工程师软件基础版本中试部中试工程师射频软件调试完成文控中心文控测试报告责任部门责任岗位输入产品部驱动工程师驱动调试完成产品部软件工程师软件测试版本产品部软件工程师软件测试版本产品部项目经理软件测试版本2.软件调试流程流程图产品部硬件测试工程师完整功能软件主板软件测试版本产品部射频工程师件是否是否软件完整功能版本PCBA测试测试版本发布是否是否软件测试软件DEBUG项目经理审核测试报告归档工具制作驱动调试OK是否主板设计流程是否产品部项目经理通过版本文控中心文控通过版本流程图责任部门责任岗位输入营销管理部商务经理客户ID结构部结构工程师客户ID产品部射频工程师客户ID产品部营销管理部项目经理商务经理《ID评审报告》营销管理部商务经理客户MD结构部产品部结构工程师项目经理客户MD营销管理部商务经理《MD评审报告》责任部门责任岗位输入结构部上海sourcing结构工程师sourcing专员样品结构BOM产品部项目经理流程单流程图样品流程单3.客户ID、MD评审流程4.屏和摄像头认证流程质检中心测试工程师软件测试版本工具填写是否是否软件对外发布客户ID评审需求结构评审意见反馈给客射频评审评审意见汇总客户MD评审需求结构评审供应商送样项目经理确认结构确认产品部驱动工程师认证通过结论上海sourcing sourcing专员 认证通过结论结构部结构专员认证通过结论责任部门责任岗位输入结构部上海sourcing结构工程师sourcing专员样品结构BOM产品部项目经理流程单样品流程单5.其他器件认证流程流程图结构部结构工程师样品流程单质检中心测试工程师样品软件效果产...

1、当您付费下载文档后,您只拥有了使用权限,并不意味着购买了版权,文档只能用于自身使用,不得用于其他商业用途(如 [转卖]进行直接盈利或[编辑后售卖]进行间接盈利)。
2、本站所有内容均由合作方或网友上传,本站不对文档的完整性、权威性及其观点立场正确性做任何保证或承诺!文档内容仅供研究参考,付费前请自行鉴别。
3、如文档内容存在违规,或者侵犯商业秘密、侵犯著作权等,请点击“违规举报”。

碎片内容

手机PCBA定制项目流程

您可能关注的文档

确认删除?
VIP
微信客服
  • 扫码咨询
会员Q群
  • 会员专属群点击这里加入QQ群
客服邮箱
回到顶部