电脑桌面
添加小米粒文库到电脑桌面
安装后可以在桌面快捷访问

静压管桩施工技术标准

静压管桩施工技术标准_第1页
1/7
静压管桩施工技术标准_第2页
2/7
静压管桩施工技术标准_第3页
3/7
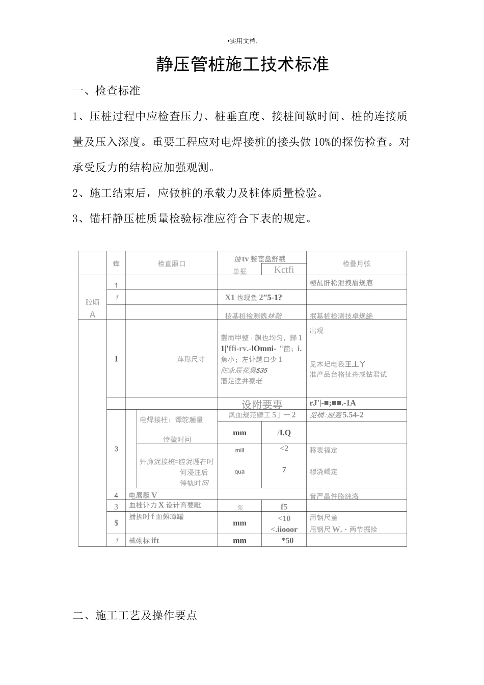
•实用文档.静压管桩施工技术标准一、检查标准1、压桩过程中应检查压力、桩垂直度、接桩间歇时间、桩的连接质量及压入深度。重要工程应对电焊接桩的接头做 10%的探伤检查。对承受反力的结构应加强观测。2、施工结束后,应做桩的承载力及桩体质量检验。3、锚杆静压桩质量检验标准应符合下表的规定。痒检直厢口蚀 tv 整宦盘舒戳检叠月弦单掘Kctfi腔顷A1極乩肝松泄拽眉规庖1X1 也现鱼 2”5-1?按基桩检测魏林鞄抿基桩检测技卓规絶1萍形尺寸叢而甲整・飙也均匀,歸 11|'ffi-rv.-lOmni-“茴;i.魚小;左讣越口少 1陀永辰花臭$35藩足逹井寮老出观见木圮电我王丄丫准产品台格扯舟咸钻君试设附要專rJ'|-■;■■.-1A3电焊接柱:谭鸵腫量悻號时问凤血规范聽工 5』一 2见桶:屉轰 5.54-2mm/I.Q艸廉泥接桩=腔泥逓在时何浸注后停轨时冋millqua<27移表福定穆浇嶠定4电唇駆 V音严晶件胳純洛3血桂讣力 X 设计育要毗讯)%f5$播拆时 f 血傩璋罐mm<10<.iiooor用钢尺童甩钢尺 W.・两节掘拴1械砌标 iftmm*50二、施工工艺及操作要点.实用文档..实用文档.过桩机导架的旋转、滑动管进桩行起调吊整示,确意保图管桩位置和垂直度符合要求后压桩。2.10、压桩压桩前,根据工程情况制定合理的压桩顺序,减少挤土效应,施工时按照压桩顺序组织施工。压桩前在每节单桩桩身上划出以米为单位的长度标记,以便观察桩的入土深度及记录对应压力值,并通过实地高程测量,在送桩器上做好最后 1m 及最终送桩深度标记,通过水准仪配合控制。在压桩开始阶段,压桩速度不能过快,应根据地质报告显示的土质情况选择压桩速度,一般以 2.0m-3.0m/min 速度为宜。在初期 2-3m 的压桩范围内应重点观察控制状身、机架垂直度,垂直度控制应重点放在第一节桩上,垂直度偏差不得超过桩长的 0.5%。并在压桩过程中需要经常观测桩身是否发生位移、偏移等情况并做好过程记录,并详细记录每入土 1 米时压力表的压力值。压桩前最好将地表下的障碍物探明并去除干净,以免桩身移位倾斜。2.11、接桩将首节管桩压至桩头距地面 0.5-1.0m 左右高度时停止压桩,开始进行接桩作业。接桩前将上下桩端头板用钢丝刷去除浮锈及泥污,然后下放桩身进行对桩。上下两节端头板对齐并初步调整垂直后,采用手工电弧焊在坡口周围点焊 4-6 点,然后再次进行垂直度的调整,假设端头板间隙过大,应加塞铁片。为减少焊接变形引起节点弯曲,焊.实用文档.接时由两名工人对称施焊,焊接层数不少于两层且焊缝...

1、当您付费下载文档后,您只拥有了使用权限,并不意味着购买了版权,文档只能用于自身使用,不得用于其他商业用途(如 [转卖]进行直接盈利或[编辑后售卖]进行间接盈利)。
2、本站所有内容均由合作方或网友上传,本站不对文档的完整性、权威性及其观点立场正确性做任何保证或承诺!文档内容仅供研究参考,付费前请自行鉴别。
3、如文档内容存在违规,或者侵犯商业秘密、侵犯著作权等,请点击“违规举报”。

碎片内容

静压管桩施工技术标准

确认删除?
VIP
微信客服
  • 扫码咨询
会员Q群
  • 会员专属群点击这里加入QQ群
客服邮箱
回到顶部