电脑桌面
添加小米粒文库到电脑桌面
安装后可以在桌面快捷访问

土的经验参数VIP专享

土的经验参数_第1页
1/4
土的经验参数_第2页
2/4
土的经验参数_第3页
3/4
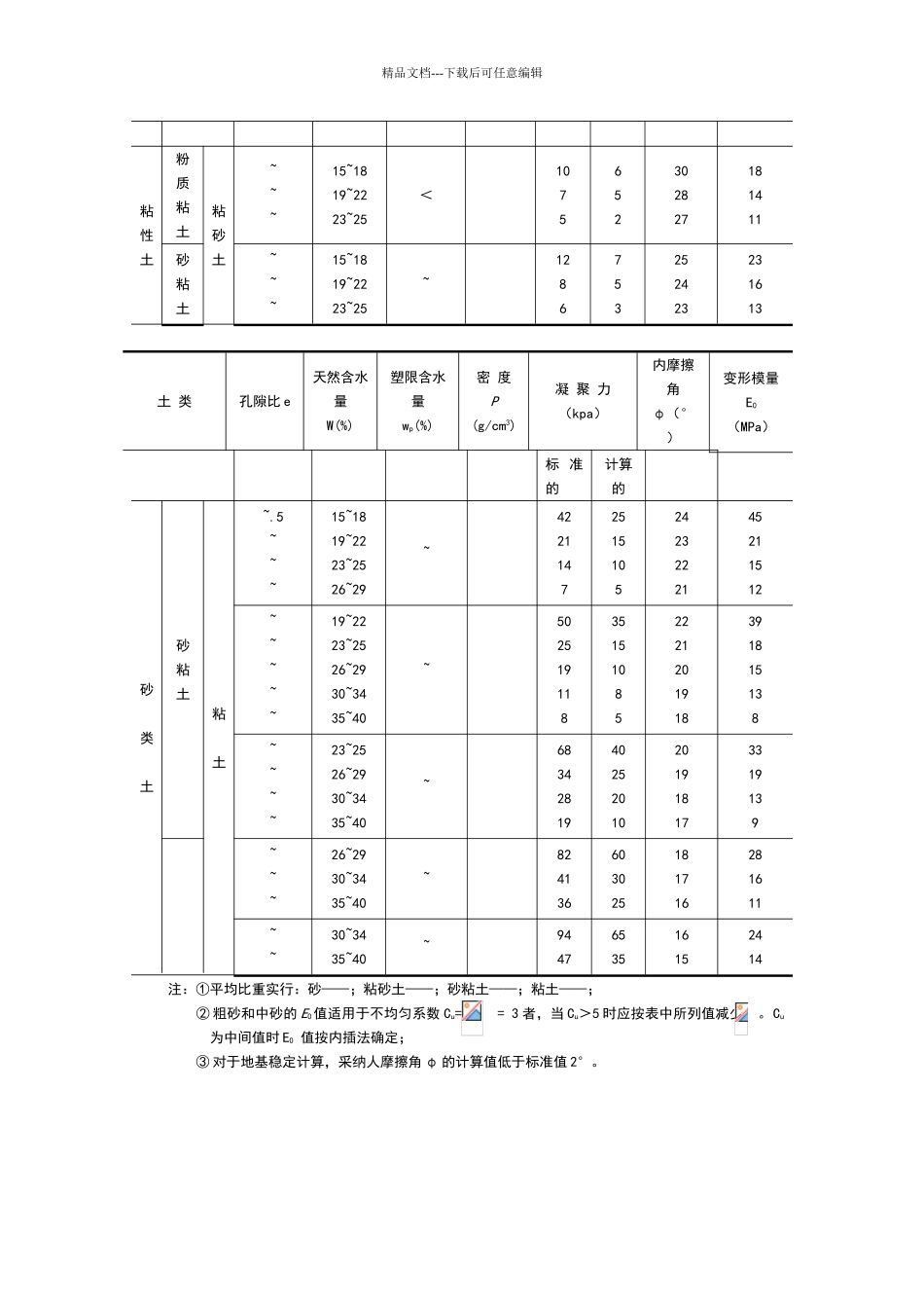
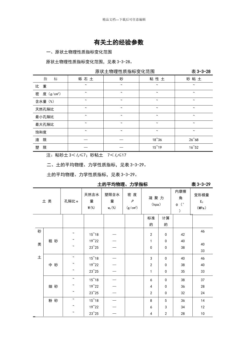
精品文档---下载后可任意编辑有关土的经验参数一、原状土物理性质指标变化范围原状土物理性质指标变化范围,见表 3-3-28。原状土物理性质指标变化范围 表 3-3-28 指 标砾 石 土砂粘 性 土砂 粘 土比 重~~~~密 度(g/cm3)~~~~含水量(%)~~~~天然孔隙比~~~~最小孔隙比~~~~最大孔隙比~~~~饱和度~~~~液 限——18~3626~68塑 限——15~1916~52注:粘砂土 3<Ip≤7;砂粘土 7<Ip≤17二、土的平均物理、力学性质指标,见表 3-3-29。土的平均物理、力学性质指标,见表 3-3-29。土的平均物理、力学指标 表 3-3-29 土 类孔隙比 e天然含水量W(%)塑限含水量wp(%)密 度P(g/cm3)凝 聚 力(kpa)内摩擦角φ(°)变形模量E0(MPa)标准的计算的砂类土粗 砂~~~15~1819~2223~25———210000424038464033中 砂~~~15~1819~2223~25———321000403835464033细 砂~~~15~1819~2223~25———642000383632372824粉 砂~~~15~1819~2223~25———864532363428141210精品文档---下载后可任意编辑粘性土粉质粘土粘砂土~~~15~1819~2223~25<1075652302827181411砂粘土~~~15~1819~2223~25~1286753252423231613土 类孔隙比 e天然含水量W(%)塑限含水量wp(%)密 度P(g/cm3)凝 聚 力(kpa)内摩擦角φ(°)变形模量E0(MPa)标 准的计算的砂类土砂粘土粘土~.5~~~15~1819~2223~2526~29~422114725151052423222145211512~~~~~19~2223~2526~2930~3435~40~502519118351510852221201918391815138~~~~23~2526~2930~3435~40~6834281940252010201918173319139~~~26~2930~3435~40~824136603025181716281611~~30~3435~40~9447653516152414注:①平均比重实行:砂——;粘砂土——;砂粘土——;粘土——;② 粗砂和中砂的 E0值适用于不均匀系数 Cu= = 3 者,当 Cu>5 时应按表中所列值减少 。Cu为中间值时 E0 值按内插法确定;③ 对于地基稳定计算,采纳人摩擦角 φ 的计算值低于标准值 2°。精品文档---下载后可任意编辑三、土的压缩模量一般范围值土的压缩模量一般范围值,见表 3-3-3-。土的压缩模量一般范围值 表 3-3-30 土 的 名 称压 缩 模 量 Es (MPa)卵石土54~65碎石土29~65砾石土14~42粗砂36(中实)~48(密实)中砂31(中实)~42(密实)细砂稍湿25(中实)~36(密实)潮 湿 及 饱 和19(中实)~31(密实)粉 砂( 淤 泥 )稍湿17(中实)~21(密实)潮湿14(中实)~(密实)饱和9(中实)~14(密实)砂粘土...

1、当您付费下载文档后,您只拥有了使用权限,并不意味着购买了版权,文档只能用于自身使用,不得用于其他商业用途(如 [转卖]进行直接盈利或[编辑后售卖]进行间接盈利)。
2、本站所有内容均由合作方或网友上传,本站不对文档的完整性、权威性及其观点立场正确性做任何保证或承诺!文档内容仅供研究参考,付费前请自行鉴别。
3、如文档内容存在违规,或者侵犯商业秘密、侵犯著作权等,请点击“违规举报”。

碎片内容

土的经验参数

确认删除?
VIP
微信客服
  • 扫码咨询
会员Q群
  • 会员专属群点击这里加入QQ群
客服邮箱
回到顶部