电脑桌面
添加小米粒文库到电脑桌面
安装后可以在桌面快捷访问

塔吊检测项目

塔吊检测项目_第1页
1/10
塔吊检测项目_第2页
2/10
塔吊检测项目_第3页
3/10
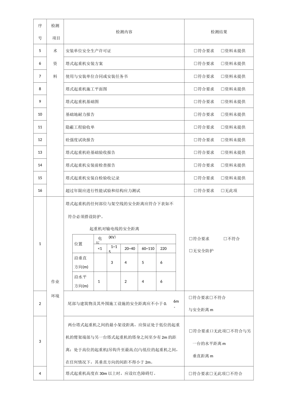
建筑工程江质量检苏测中心省有限公司检测记录检测项目塔式起重机安装质量工程名称委托单位委托单号检测日期编号检测日期天气温度°C风速 m/s设备名称塔式起重机规格型号制造单位许可证号出厂编号出厂日期检测高度检测幅度工程名称施工地点登记编号安装日期安装单位资质证书联系人联系电话使用单位是否复检是口否口参数取大额定起重量t最大幅度时额定起重量t最大起重量时允许幅度m最大幅度m起升咼度固定式:m;附着式:m检测依据1、GB5144-2006《塔式起重机安全规程》2、DGJ32/J65-2008《建筑工程施工机械安装质量检验规程》检测仪器一览表序号仪器名称仪器编号规格型号设备状况1光学经纬仪□LA0102^LA0103DJ6-1□领用前完好□使用正常2绝缘电阻表□ER0104DER0105ZC25B-1□领用前完好□使用正常3接地电阻测试仪□ER0203DER0206□领用前完好□使用正常4钢卷尺(30m)□LS0809DLS0810GW-3008□领用前完好□使用正常5塞尺□LG0704DLG0705JZC2□领用前完好□使用正常6拉力计□FM2901DFM2902KL2 型□领用前完好□使用正常7钢直尺□LS0909DLS0910300mm□领用前完好□使用正常8风速仪□FS0101DFS0105LFM-4□领用前完好□使用正常编号:检测项目序号检测项目检测内容检测结果1证塔式起重机安全制造许可证□符合要求□资料未提供2书塔式起重机出厂产品合格证、监督检验合格证□符合要求□资料未提供3及塔式起重机安装使用说明书□符合要求□资料未提供4技安装人员操作证□符合要求□资料未提供序号检测项目检测内容检测结果5术安装单位安全生产许可证□符合要求□资料未提供6资塔式起重机安装方案□符合要求□资料未提供7料使用与安装单位合同或安装任务书□符合要求□资料未提供8塔式起重机施工平面图□符合要求□资料未提供9塔式起重机基础图□符合要求□资料未提供10基础地耐力报告□符合要求□资料未提供11隐蔽工程验收单□符合要求□资料未提供12砼强度试块报告□符合要求□资料未提供13塔式起重机砼基础验收报告□符合要求□资料未提供14塔式起重机安装前检查报告□符合要求□资料未提供15塔式起重机安装自检验收记录□符合要求□资料未提供16超过年限应进行性能试验和结构应力测试□符合要求□无此项塔式起重机的任何部位与架空线的安全距离应符合下表如不符合必须搭设防护。起重机对输电线的安全距离1位置电压(KV)□符合要求□不符合<11~1520~4060~110220□无安全防护沿垂直方向(m)3456作业沿水平方向(m)12462环境尾部与建筑物及其外围施工设施的安全...

1、当您付费下载文档后,您只拥有了使用权限,并不意味着购买了版权,文档只能用于自身使用,不得用于其他商业用途(如 [转卖]进行直接盈利或[编辑后售卖]进行间接盈利)。
2、本站所有内容均由合作方或网友上传,本站不对文档的完整性、权威性及其观点立场正确性做任何保证或承诺!文档内容仅供研究参考,付费前请自行鉴别。
3、如文档内容存在违规,或者侵犯商业秘密、侵犯著作权等,请点击“违规举报”。

碎片内容

塔吊检测项目

您可能关注的文档

确认删除?
VIP
微信客服
  • 扫码咨询
会员Q群
  • 会员专属群点击这里加入QQ群
客服邮箱
回到顶部