电脑桌面
添加小米粒文库到电脑桌面
安装后可以在桌面快捷访问

增加津国油库区至中航油北方库区航煤管线工程施工方案

增加津国油库区至中航油北方库区航煤管线工程施工方案_第1页
1/59
增加津国油库区至中航油北方库区航煤管线工程施工方案_第2页
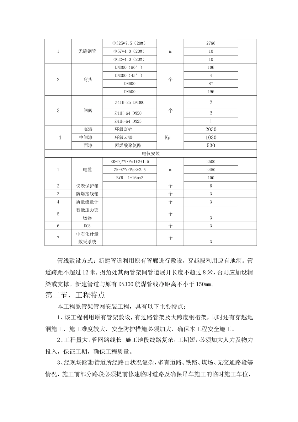
2/59
增加津国油库区至中航油北方库区航煤管线工程施工方案_第3页
3/59
目 录第一章、工程概况及特点.....................................................................................................................2第一节、工程概况.............................................................................................................................2第二节、工程特点.............................................................................................................................3第二章、编制依据、工程目标和实施措施.....................................................................................5第一节、编制依据.............................................................................................................................5第二节、本工程拟用施工规范清单.................................................................................................5第三节、工程主要管理目标.............................................................................................................6第三章、施工组织机构及人员安排................................................................................................7第一节、施工组织机构.....................................................................................................................7第二节、各部门职责及任务划分.....................................................................................................7第四章、施工部署........................................................................................................................10第一节、施工管理体系...................................................................................................................10第二节、施工进度计划及施工工期保证措施................................................................................10第三节、劳动力安排计划...............................................................................................................11第四节、主要施工机具配备计划...........................................................................................

1、当您付费下载文档后,您只拥有了使用权限,并不意味着购买了版权,文档只能用于自身使用,不得用于其他商业用途(如 [转卖]进行直接盈利或[编辑后售卖]进行间接盈利)。
2、本站所有内容均由合作方或网友上传,本站不对文档的完整性、权威性及其观点立场正确性做任何保证或承诺!文档内容仅供研究参考,付费前请自行鉴别。
3、如文档内容存在违规,或者侵犯商业秘密、侵犯著作权等,请点击“违规举报”。

碎片内容

增加津国油库区至中航油北方库区航煤管线工程施工方案

您可能关注的文档

确认删除?
VIP
微信客服
  • 扫码咨询
会员Q群
  • 会员专属群点击这里加入QQ群
客服邮箱
回到顶部