电脑桌面
添加小米粒文库到电脑桌面
安装后可以在桌面快捷访问

抗震结构大赛设计计算书

抗震结构大赛设计计算书_第1页
1/11
抗震结构大赛设计计算书_第2页
2/11
抗震结构大赛设计计算书_第3页
3/11
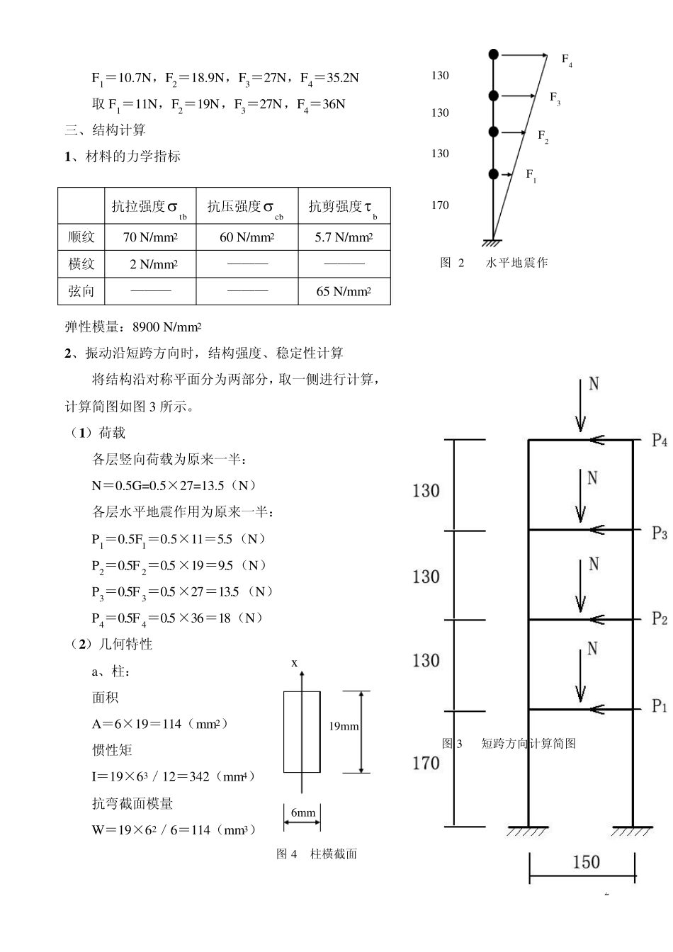
1 设计计算书 一、总体设计思路 1、采用“板→梁→柱→基础”结构,传力路线简单明确。 2、保证结构各部分强度。 3、保证结构稳定性。 4、在保证强度、稳定性的前提下,调整结构,使固有频率远离共振区,从而尽量降低动力系数β 。 5、尽量减轻自重。 二、基本参数 1 、高度 从底座板上表面开始计算。共四层。 第一层:基础高度20mm;净高151mm;梁、板高度33mm。总计204mm。 第二层:净高101mm;梁、板高度33mm。总计134mm。 第三层:净高102mm;梁、板高度27mm。总计129mm。 第四层:净高101mm;梁、板、卡槽高度47mm。总计148mm。 总高:615mm。 2 、面积 前三层面积相同,顶层稍有增加,均按前三层取值 楼板面积+四个柱面积: 164×164+4×(20×13)=27936(mm2)=279.36(cm2) 3 、荷载 单层承受质量:M=279.36×10=2793.6(g)=2.7936(kg) 单层重力荷载:G=Mg=2.7936×9.8=27.37728(N),取G 为 27N。 结构等效总重力荷载:Geq=iG85.0=0.85 ×4×27=91.8 (N) 取水平地震影响系数为 1,按第一主振型近似计算(参见图 2),各层水平地震作用为: 图 1 模型图 2 F1=10.7N,F2=18.9N,F3=27N,F4=35.2N 取F1=11N,F2=19N,F3=27N,F4=36N 三、结构计算 1 、材料的力学指标 弹性模量:8900 N/mm2 2 、振动沿短跨方向时,结构强度、稳定性计算 将结构沿对称平面分为两部分,取一侧进行计算,计算简图如图3 所示。 (1 )荷载 各层竖向荷载为原来一半: N=0.5G=0.5×27=13.5(N) 各层水平地震作用为原来一半: P1=0.5F1=0.5×11=5.5(N) P2=0.5F 2=0.5×19=9.5(N) P3=0.5F 3=0.5×27=13.5 (N) P4=0.5F 4=0.5×36=18(N) (2 )几何特性 a、柱: 面积 A=6×19=114(mm2) 惯性矩 I=19×63/12=342(mm4) 抗弯截面模量 W=19×62/6=114(mm3) 抗拉强度tb 抗压强度cb 抗剪强度b 顺纹 70 N/mm2 60 N/mm2 5.7 N/mm2 橫纹 2 N/mm2 ——— ——— 弦向 ——— ——— 65 N/mm2 170 130 130 130 F4 F3 F2 F1 图2 水平地震作图3 短跨方向计算简图 19mm 6mm x 图4 柱橫截面 3 b、板(计算简图中的橫梁,每层取三块板计算): 面积 A=3×19×3=171(mm2) 惯性矩 I=3×(19×33/12)=128(mm4) 抗弯截面模量 W=3×(19×32/6)=86(mm3) (3 )使用结构力学求解器...

1、当您付费下载文档后,您只拥有了使用权限,并不意味着购买了版权,文档只能用于自身使用,不得用于其他商业用途(如 [转卖]进行直接盈利或[编辑后售卖]进行间接盈利)。
2、本站所有内容均由合作方或网友上传,本站不对文档的完整性、权威性及其观点立场正确性做任何保证或承诺!文档内容仅供研究参考,付费前请自行鉴别。
3、如文档内容存在违规,或者侵犯商业秘密、侵犯著作权等,请点击“违规举报”。

碎片内容

抗震结构大赛设计计算书

您可能关注的文档

确认删除?
VIP
微信客服
  • 扫码咨询
会员Q群
  • 会员专属群点击这里加入QQ群
客服邮箱
回到顶部