电脑桌面
添加小米粒文库到电脑桌面
安装后可以在桌面快捷访问

护栏检验批质量检验记录

护栏检验批质量检验记录_第1页
1/9
护栏检验批质量检验记录_第2页
2/9
护栏检验批质量检验记录_第3页
3/9
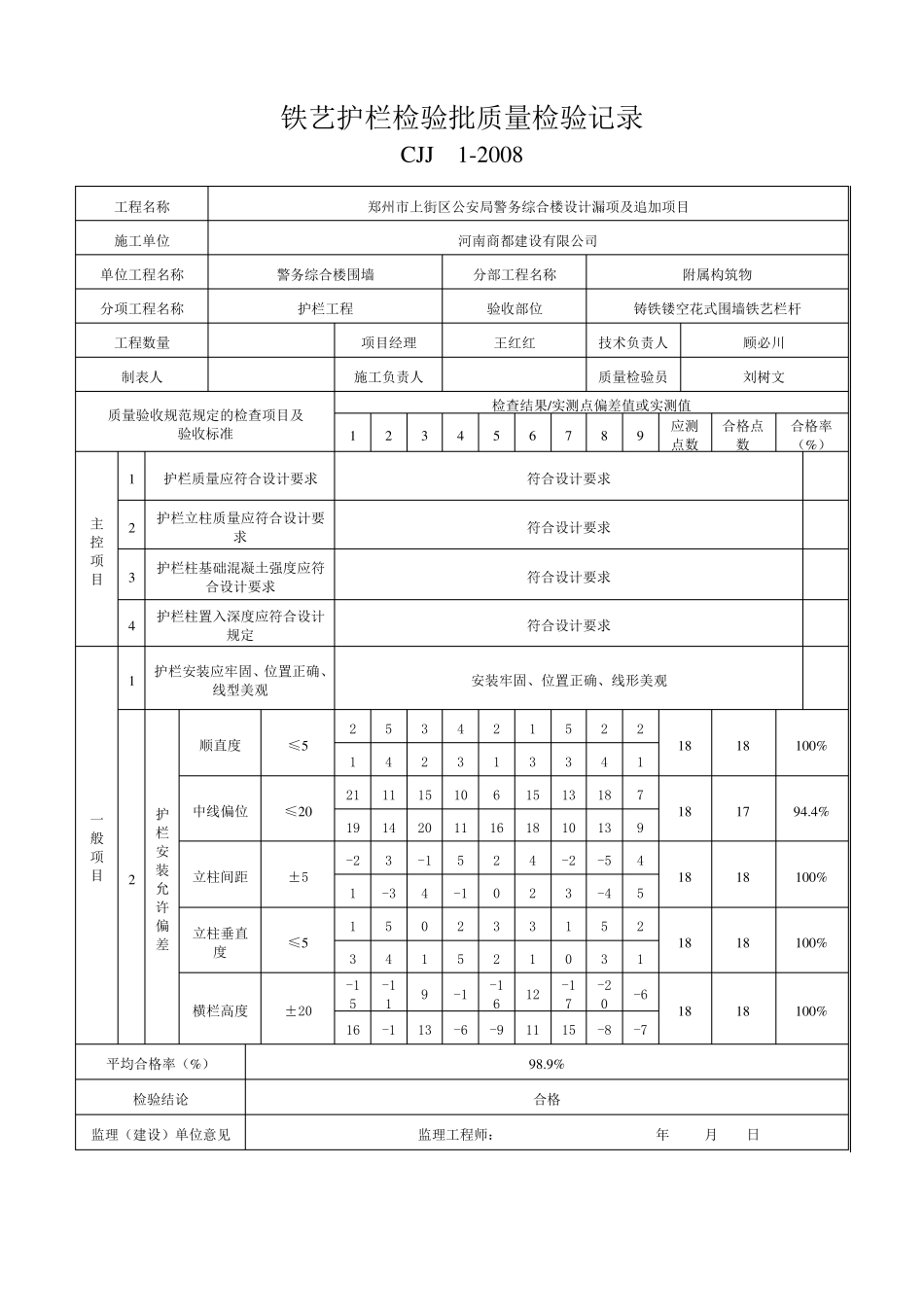
护栏 报验申请表 工程名称:太原市虎峪河河道美化工程 编号: 致:太原宏晋工程建设监理有限公司 我单位已完成 K 2+297.6~K2+346.6 段护栏 的工作,现报上该工程报验申请表,请予以审查和验收。 附件: (1)浆砌石坝水泥砂浆勾缝工程质量验收记录表 承包单位(章) 项 目 经 理 日 期 监理工程师审核意见: 项目监理机构 总/专业监理工程师 日 期 铁 艺 护 栏 检 验 批 质 量 检 验 记 录 CJJ 1-2008 工 程 名 称 郑 州 市 上 街 区 公 安 局 警 务 综 合 楼 设 计 漏 项 及 追 加 项 目 施 工 单 位 河 南 商 都 建 设 有 限 公 司 单 位 工 程 名 称 警 务 综 合 楼 围 墙 分 部 工 程 名 称 附 属 构 筑 物 分 项 工 程 名 称 护 栏 工 程 验 收 部 位 铸 铁 镂 空 花 式 围 墙 铁 艺 栏 杆 工 程 数 量 项 目 经 理 王 红 红 技 术 负 责 人 顾 必 川 制 表 人 施 工 负 责 人 质 量 检 验 员 刘 树 文 质 量 验 收 规 范 规 定 的 检 查 项 目 及 验 收 标 准 检 查 结 果 /实 测 点 偏 差 值 或 实 测 值 1 2 3 4 5 6 7 8 9 应 测点 数 合 格 点数 合 格 率( %) 主控项目 1 护 栏 质 量 应 符 合 设 计 要 求 符 合 设 计 要 求 2 护 栏 立 柱 质 量 应 符 合 设 计 要求 符 合 设 计 要 求 3 护 栏 柱 基 础 混 凝 土 强 度 应 符合 设 计 要 求 符 合 设 计 要 求 4 护 栏 柱 置 入 深 度 应 符 合 设 计规 定 符 合 设 计 要 求 一般项目 1 护 栏 安 装 应 牢 固 、 位 置 正 确、线型美观 安 装 牢 固 、 位 置 正 确、 线形美观 2 护栏安装允许偏差 顺直度 ≤5 2 5 3 4 2 1 5 2 2 18 18 100% 1 4 2 3 1 3 3 4 1 中线偏 位 ≤20 21 11 15 10 6 15 13 18 7 18 17 94.4% 19 14 20 11 16 18 10 13 9 立 柱 间距 ±5 -2 3 -1 5 2 4 -2 -5 4 18 18 100% 1 -3 4 -1 0 2 3 -4 5 立 柱 垂直度 ≤5 1 5 0 2 3 3 1 5 2 18 18 100% 3 4 1 5 2 1 0 3 1 横栏 高度 ±20 -15 -11 9 -1 -16 12...

1、当您付费下载文档后,您只拥有了使用权限,并不意味着购买了版权,文档只能用于自身使用,不得用于其他商业用途(如 [转卖]进行直接盈利或[编辑后售卖]进行间接盈利)。
2、本站所有内容均由合作方或网友上传,本站不对文档的完整性、权威性及其观点立场正确性做任何保证或承诺!文档内容仅供研究参考,付费前请自行鉴别。
3、如文档内容存在违规,或者侵犯商业秘密、侵犯著作权等,请点击“违规举报”。

碎片内容

护栏检验批质量检验记录

您可能关注的文档

确认删除?
VIP
微信客服
  • 扫码咨询
会员Q群
  • 会员专属群点击这里加入QQ群
客服邮箱
回到顶部