电脑桌面
添加小米粒文库到电脑桌面
安装后可以在桌面快捷访问

电气安全隐患排查表

电气安全隐患排查表_第1页
1/8
电气安全隐患排查表_第2页
2/8
电气安全隐患排查表_第3页
3/8
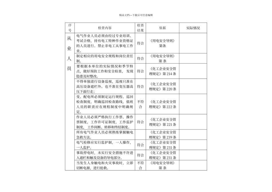
精品文档---下载后可任意编辑 序号检查内容检查结果依据实际情况从业人员电气作业人员必须由经过专业培训、考试合格,持有电工特种作业资格证的人员进行。禁止非电工从事电工作业。符合《用电安全导则》第条制定相应的用电安全规程和岗位责任制。符合《用电安全导则》第 条要根据本单位的实际情况和季节特点,做好预防工作和安全检查, 发现隐患及时整改。符合《化工企业安全管理规定》第 214 条不得单独进行设备巡视,巡视只准在高压设备遮栏外。也不准在变压器高压下面行走;符合《化工企业安全管理规定》第 220 条变、配电所必须制定运行规程、巡回检查制度,明确巡回检查路线,值班人员的职责应在规程制度中明确规定。 不符合《化工企业安全管理规定》第 222 条作业人员必须严格执行工作票、操作票制度,工作许可证制度,工作监护制度, 工作间断、转移和终结制度。 符合《化工企业安全管理规定》第 221 条所有电气作业人员必须熟练掌握触电急救方法。《化工企业安全管理规定》第 239 条电气检修应实行监护制,一人操作,一人监护。符合《化工企业安全管理规定》第 231 条事故停电时,未实行安全措施不许进入遮栏和触及设备的导电部分。符合《化工企业安全管理规定》第 231 条当发生人身触电和火灾事故时,立即切断电源,进行抢救。不符合《用电安全导则》第 条精品文档---下载后可任意编辑严格遵守电气安全操作规程,倒闸操作票和检修工作票制度,工作许可制度,工作监护制度,工作间断、终结制度,交接班制度和消防、设备管理制度及出入制度等等。基本符合《化工企业安全管理规定》第 221 条外线电工遇有 5 级以上大风、大雨、雷电等情况,严禁登杆作业和倒闸操作。不符合《化工企业安全管理规定》第 232 条企业电气设施应有专门技术人员负责,有高压系统图、低压分布图、架空线路图、电缆设置图、接地网络图以及电气设备的技术状况等档案资料。基本符合《电气设备安全设计导则》企业应有严密、系统的供、用、发电安全管理制度和规程。不符合《电气设备安全设计导则》各类电气金属外壳必须有可靠的接零(地)并符合规定要求。符合《化工企业安全管理规定》第 217 条外线电杆、铁塔、避雷针应无倾斜和损伤,拉线桩完好,各级电压架空线之间,及与道路、建筑、树木间的安全距离应符合规定。符合《建筑设计法律法律规范》第条手持式电动工具、移动电气设备,必须绝缘良好,并按规定配备相应的漏电保护装置,各种移...

1、当您付费下载文档后,您只拥有了使用权限,并不意味着购买了版权,文档只能用于自身使用,不得用于其他商业用途(如 [转卖]进行直接盈利或[编辑后售卖]进行间接盈利)。
2、本站所有内容均由合作方或网友上传,本站不对文档的完整性、权威性及其观点立场正确性做任何保证或承诺!文档内容仅供研究参考,付费前请自行鉴别。
3、如文档内容存在违规,或者侵犯商业秘密、侵犯著作权等,请点击“违规举报”。

碎片内容

电气安全隐患排查表

MY shop+ 关注
实名认证
内容提供者

欢迎挑选适合自己的材料。

确认删除?
VIP
微信客服
  • 扫码咨询
会员Q群
  • 会员专属群点击这里加入QQ群
客服邮箱
回到顶部