电脑桌面
添加小米粒文库到电脑桌面
安装后可以在桌面快捷访问

攻丝工艺编程

攻丝工艺编程_第1页
1/8
攻丝工艺编程_第2页
2/8
攻丝工艺编程_第3页
3/8
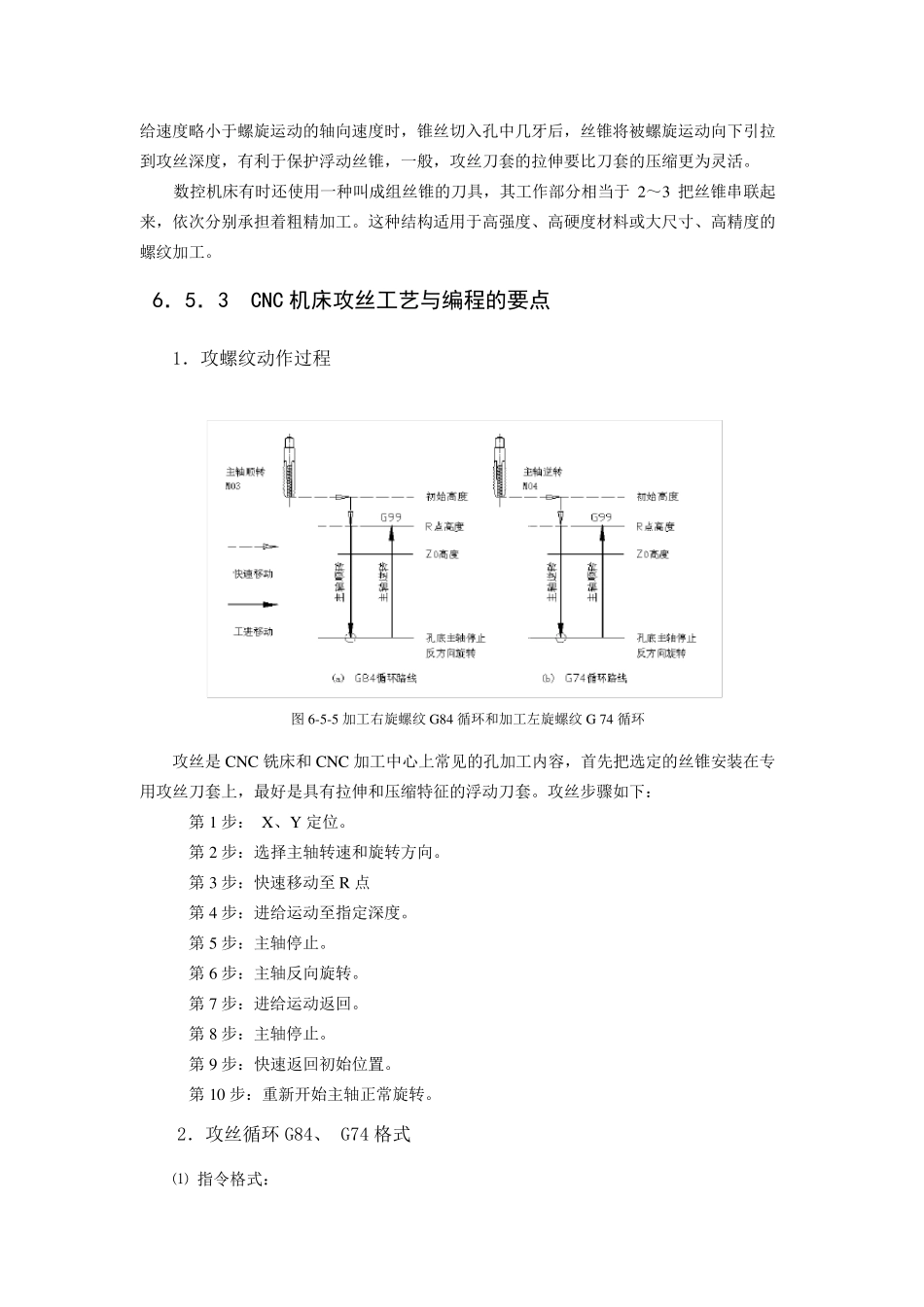
6.5 攻丝工艺编程 6.5.1 攻丝加工的内容、要求 用丝锥在工件孔中切削出内螺纹的加工方法称为攻螺纹; 攻丝加工的螺纹多为三角螺纹,为零件间连接结构,常用的攻丝加工的螺纹有;牙型角为60°的公制螺纹,也叫普通螺纹;牙型角为55°的英制螺纹;用于管道连接的英制管螺纹和圆锥管螺纹。本节主要涉及的攻丝加工的是公制内螺纹,熟悉有关螺纹结构尺寸、技术要求的常识,是学习攻丝工艺的重要基础。 普通螺纹的基本尺寸如下: (1)螺纹大径:d=D (螺纹大径的基本尺寸与公称直径相同) (2)中径: d2=D2=d-0.6495P (3)牙型高度:H=O.5413P (4)螺纹小径:d1=D1=d-1.0825P 如图 6-5-1 中M10-7H 的螺纹,为普通右旋内螺纹。查表得螺距 P=1.5,其基本尺寸: 螺纹大径:D=10; 螺纹中径: D2=D-0.6495P=9.02 螺纹小径:D1=D-1.0825P=8.36 中径公差带代号 7H)( 0 .0 .2 2 40 小径公差带代号 7H)( 0 .3 7 50 牙型高度:H=O.5413P=0.82 螺纹有效长度:L=20.0 螺纹孔口倒角:C1.5 图 6 -5 -1 需要攻丝加工的工件图样 图 6-5-2 丝锥基本结构 6.5.2 丝锥及选用 丝锥加工内螺纹的一种常用刀具,其基本结构是一个轴向开槽的外螺纹,如图6-5-2所示。螺纹部分可分为切削锥部分和校准部分。切削锥磨出锥角,以便逐渐切去全部余量;校准部分有完整齿形,起修光、校准和导向作用。工具尾部通过夹头和标准锥柄与机床主轴锥孔联接。 攻丝加工的实质是用丝锥进行成型加工, 丝锥的牙型、螺距、螺旋槽形状、倒角类型、丝锥的材料、切削的材料和刀套等因素,影响内螺纹孔加工质量。 根据丝锥倒角长度的不同,丝锥分为:平底丝锥;插丝丝锥;锥形丝锥。丝锥倒角长度影响CNC 加工中的编程深度数据。 丝锥的倒角长度可以用螺纹线数表示,锥形丝锥的常见线数为8~10,插丝丝锥为3~5,平底丝锥为1~1.5。各种丝锥的倒角角度也不一样,通常锥形丝锥为4°~5°,插丝丝锥为8°~13°,平底丝锥为25°~35°。 盲孔加工通常需要使用平底丝锥,通孔加工大多数情况下选用插丝丝锥,极少数情况下也使用锥形丝锥。总地说来,倒角越长,钻孔留下的深度间隙就越大。 与不同的丝锥刀套连接,丝锥分两种类型:刚性丝锥,见图6-5-3;浮动丝锥(张力补偿型丝锥,见图6-5-4。 浮动型丝锥刀套的设计给丝锥一个和手动攻丝所需的类似的“ 感 觉 ”,这 种类型的刀套允 许 丝锥在 一定 的范 围 缩 进或...

1、当您付费下载文档后,您只拥有了使用权限,并不意味着购买了版权,文档只能用于自身使用,不得用于其他商业用途(如 [转卖]进行直接盈利或[编辑后售卖]进行间接盈利)。
2、本站所有内容均由合作方或网友上传,本站不对文档的完整性、权威性及其观点立场正确性做任何保证或承诺!文档内容仅供研究参考,付费前请自行鉴别。
3、如文档内容存在违规,或者侵犯商业秘密、侵犯著作权等,请点击“违规举报”。

碎片内容

攻丝工艺编程

确认删除?
VIP
微信客服
  • 扫码咨询
会员Q群
  • 会员专属群点击这里加入QQ群
客服邮箱
回到顶部