电脑桌面
添加小米粒文库到电脑桌面
安装后可以在桌面快捷访问

机械加工工艺过程卡片(实例)

机械加工工艺过程卡片(实例)_第1页
1/8
机械加工工艺过程卡片(实例)_第2页
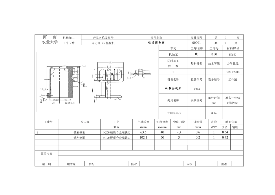
2/8
机械加工工艺过程卡片(实例)_第3页
3/8
精滤器壳体机械制造加工工艺卡 河南农业大学 机 械 加 工工 艺 过 程卡片 产品名称 及型号 东方红-75 拖拉机 零件名称 精 滤 器 壳 体 零件图号 00001 材 料 名称 灰铸铁 毛 坯 种类 零件质量 Kg 毛量 第 1 页 编号 HT150 尺寸 净重 共 7 页 性能 163-229HB 每料件数 每台件数 1000 每件批数 10000 工序号 工序内容 加工车间 设备名称 工艺装备名称及代号 技术等级 时间定额/min 夹具 刀具 量具 单件 准备---终结 铸 造 铸 造 车 间 时 效 热 处 理 涂 底 漆 涂 漆 室 0 1 0 铣 左 右 侧 面 机 加 工 双 柱 平 面 铣 床 专 用 夹 具 0 .5 4 0 2 0 铣 上 下 底 面 机 加 工 双 端 面 铣 床 专 用 夹 具 0 .6 2 0 3 0 钻 左 侧 面 四 通 孔 和 右 侧 面 孔 机 加 工 组 合 机 床 专 用 夹 具 0 .2 8 0 4 0 钻 顶 底 面 通 孔 及 螺 纹 孔 前 通 孔 机 加 工 组 合 机 床 专 用 夹 具 0 .2 8 0 5 0 锪 顶 底 螺 纹 孔 前 通 孔 沉 孔 机 加 工 组 合 机 床 专 用 夹 具 0 .0 6 8 0 6 0 攻 上 下 底 面 和 右 侧 面 螺 纹 孔 机 加 工 组 合 机 床 专 用 夹 具 0 .3 9 0 7 0 去 毛 刺 , 检 验 , 清 洗 机 加 工 清 洗 机 0 8 0 密 封 实 验 机 加 工 0 9 0 清 理 入 库 机 加 工 0 1 0 更改内容 编 制 顾智原 抄写 核对 审核 批准 河 南 农业大学 机械加工 工序卡片 产品名称及型号 零件名称 零件图号 第 2 页 东方红-75 拖拉机 精 滤 器 壳 体 00001 共 7 页 R6451621230R1515向88132129027±16.3D6.310±220360±26978125±1.513.513.5 车间 工序名称 工序号 材料牌号 机加工 铣 010 HT150 同时加工 件 数 每料件数 技术等级 力学性能 1 163-229HB 设备名称 设备型号 设备编号 工作液 双 柱 面 铣 床 X344 夹具名称 夹具编号 单件时间 min 准备—终结 时间/min 专用夹具v 0.54 工步号 工步内容 工艺 装备 主轴转速 r/min 切削速度 m/mim 背吃刀量mm 进给量 mm/r 进给 次数 时间定额 机动 辅助 1 铣右侧面 φ200 硬质合金端铣刀 63.5 40 4.5 0.6 1 0...

1、当您付费下载文档后,您只拥有了使用权限,并不意味着购买了版权,文档只能用于自身使用,不得用于其他商业用途(如 [转卖]进行直接盈利或[编辑后售卖]进行间接盈利)。
2、本站所有内容均由合作方或网友上传,本站不对文档的完整性、权威性及其观点立场正确性做任何保证或承诺!文档内容仅供研究参考,付费前请自行鉴别。
3、如文档内容存在违规,或者侵犯商业秘密、侵犯著作权等,请点击“违规举报”。

碎片内容

机械加工工艺过程卡片(实例)

您可能关注的文档

确认删除?
VIP
微信客服
  • 扫码咨询
会员Q群
  • 会员专属群点击这里加入QQ群
客服邮箱
回到顶部