电脑桌面
添加小米粒文库到电脑桌面
安装后可以在桌面快捷访问

机电传动控制设计题汇总

机电传动控制设计题汇总_第1页
1/14
机电传动控制设计题汇总_第2页
2/14
机电传动控制设计题汇总_第3页
3/14
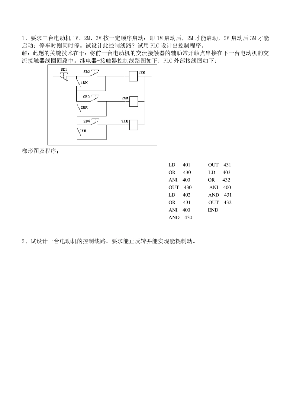
1、要求三台电动机 lM、2M、3M 按一定顺序启动:即 1M 启动后,2M 才能启动,2M 启动后 3M 才能启动;停车时则同时停。试设计此控制线路? 试用 PLC 设计出控制程序。 解:此题的关键技术在于:将前一台电动机的交流接触器的辅助常开触点串接在下一台电动机的交流接触器线圈回路中。继电器-接触器控制线路图如下;PLC 外部接线图如下; 梯形图及程序; 2、试设计一台电动机的控制线路。要求能正反转并能实现能耗制动。 LD 401 OUT 431 OR 430 LD 403 ANI 400 OR 432 OUT 430 ANI 400 LD 402 AND 431 OR 431 OUT 432 ANI 400 END AND 430 3、设计一台异步电动机的控制线路。要求:①能实现启、停的两地控制; ③)能实现点动调整;②能实现单方向的行程保护; ④要有短路和长期过载保护; 4、试设计一条自动运输线,有两台电动机,1M 拖动运输机,2M 拖动卸料机。要求: ①1M 先启动后,才允许 2M 启动;②2M 先停止,经一段时间后 1M 才自动停止,且 2M 可以单独停止;③两台电动机均有短路、长期过载保护。试用 PLC 设计出控制程序。 1SB、2SB 分别是 1M、2M 的启动按纽,4SB 是 2M 的单独停止按纽,3SB 是停止按纽。 5、下图为机床自动间歇润滑的控制线路图,其中接触器 KM 为润滑油泵电动机启停用接触器(主电路未画出),控制线路可使润滑有规律地间歇工作。试分析此线路的工作原理,并说明开关 S 和按钮 SB 的作用? 试用 PLC 设计出控制程序。 答:这是一个自动间歇润滑的控制线路。开关 S、按钮 1SB 的作用及电路的工作过程如下: (1)S 是进行自动间歇润滑的控制开关,1KT-决定润滑时间,2KT-决定不润滑时间,电路的工作过程:合上开关 S,KM 的线圈得电,电动机 M 转动,进行润滑; 1KT 的线圈得电,触点 1KT 延时后闭合,K 的线圈得电,常开触点 K 闭合,自锁;常闭触点 K 断开,KM 线圈失电,停止润滑;1KT 的线圈失电。 2KT 的线圈得电,延时后常闭触点 2KT 断开,K 的线圈失电,常开触点 K 断开,2KT 的线圈失电,2KT 的常闭触点瞬时合。常闭触点 K 闭合,KM 线圈又得电,润滑。1KT 的线圈又得电,延时重复以上动作。 (2)1SB 为手动(点动)润滑操作按钮。 LD 400 ANI 403 OR 430 ANI 450 ANI 450 OUT 431 OUT 430 LD 402 LD 430 OR 450 OUT 200 OUT 450 MC 200 MCR 200 LD 401 E...

1、当您付费下载文档后,您只拥有了使用权限,并不意味着购买了版权,文档只能用于自身使用,不得用于其他商业用途(如 [转卖]进行直接盈利或[编辑后售卖]进行间接盈利)。
2、本站所有内容均由合作方或网友上传,本站不对文档的完整性、权威性及其观点立场正确性做任何保证或承诺!文档内容仅供研究参考,付费前请自行鉴别。
3、如文档内容存在违规,或者侵犯商业秘密、侵犯著作权等,请点击“违规举报”。

碎片内容

机电传动控制设计题汇总

确认删除?
VIP
微信客服
  • 扫码咨询
会员Q群
  • 会员专属群点击这里加入QQ群
客服邮箱
回到顶部