电脑桌面
添加小米粒文库到电脑桌面
安装后可以在桌面快捷访问

桥梁加固常用表格汇总

桥梁加固常用表格汇总_第1页
1/8
桥梁加固常用表格汇总_第2页
2/8
桥梁加固常用表格汇总_第3页
3/8
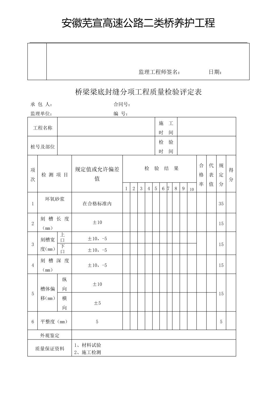
安 徽 芜 宣 高 速 公 路 二类桥养护工程 裂缝封闭质量检验报告单 承 包 人:武汉二航路桥 合同号: 监理单位:安徽中兴监理公司 编 号: 项目 名称 庐铜高速桥梁缺陷修复工程 桩号部位 施工日期 基本要求 项次 要求内容 检查记录 1 封缝胶的各项技术要求符合国家 现行标准规定和设计要求。 项次 检测项目 规定值或允许偏差 检测方法和频率 检测值 (承包人自检) 备 注 1 砼表面处理 表面打磨平整并清洗 目测 2 封缝长度(m ) 尺量 3 封缝宽度(m m ) ≥60 尺量 10% 4 封缝胶封缝厚度(m m ) ≥2 尺量 10% 外 观 鉴 定 项次 外观鉴定内容 1 裂缝的封闭宽度和厚度保证不能出现漏胶现象。 2 封闭后混凝土表面要清理干净。 结 论 承包人签名: 日期: 监理工程师签名: 日期: 安 徽 芜 宣 高 速 公 路 二类桥养护工程 裂缝灌胶质量检验报告单 承 包 人:武汉二航路桥 合同号:02 监理单位:安徽中兴监理公司 编 号: 项目名称 芜宣高速二类桥梁养护工程 桩号部位 施工日期 基本要求 项次 要求内容 检查记录 1 灌缝材料的各项要求符合国家现行标准规定和设计要求。 项次 检测项目 规定值或允许偏差 检测方法和频率 检测值 (承包人自检) 备 注 1 砼表面处理 表面打磨平整并清洗 目测 2 底座粘贴位置偏差 (m m ) ≤10 尺量 10% 3 相临底座间距 (m m ) ±20 尺量 10% 规定值 300 4 底座间封缝宽度(m m ) ≥60 尺量 10% 5 灌胶后外观处理 底座打 磨干净 目测 外 观 鉴 定 项次 外观鉴定内容 1 裂缝的封闭宽度和厚度要保证不能出现漏胶现象。 2 灌缝后混凝土表面要清理干净。 结 论 承包人签名: 日期: 安 徽 芜 宣 高 速 公 路 二类桥养护工程 监理工程师签名: 日期: 桥梁梁底封缝分项工程质量检验评定表 承 包 人: 合同号: 监理单位: 编 号: 工程名称 施 工 时 间 桩号及部位 检 验 时 间 项次 检 测 项 目 规定值或允许偏差值 检 验 结 果 合格率 代表值 规定分 得分 1 2 3 4 5 6 7 8 9 10 1 环氧砂浆 在合格标准内 35 2 刻槽长度(mm) ±10 15 3 刻槽宽度(mm) 上口 ±10,-5 15 下 口 ±10,-5 4 刻槽深 度(mm) ±10,-5 15 5 槽体偏移(mm) 纵向 ±10 15 横向 ±5 6 平...

1、当您付费下载文档后,您只拥有了使用权限,并不意味着购买了版权,文档只能用于自身使用,不得用于其他商业用途(如 [转卖]进行直接盈利或[编辑后售卖]进行间接盈利)。
2、本站所有内容均由合作方或网友上传,本站不对文档的完整性、权威性及其观点立场正确性做任何保证或承诺!文档内容仅供研究参考,付费前请自行鉴别。
3、如文档内容存在违规,或者侵犯商业秘密、侵犯著作权等,请点击“违规举报”。

碎片内容

桥梁加固常用表格汇总

您可能关注的文档

确认删除?
VIP
微信客服
  • 扫码咨询
会员Q群
  • 会员专属群点击这里加入QQ群
客服邮箱
回到顶部