电脑桌面
添加小米粒文库到电脑桌面
安装后可以在桌面快捷访问

桥梁工程_计算题汇总

桥梁工程_计算题汇总_第1页
1/12
桥梁工程_计算题汇总_第2页
2/12
桥梁工程_计算题汇总_第3页
3/12
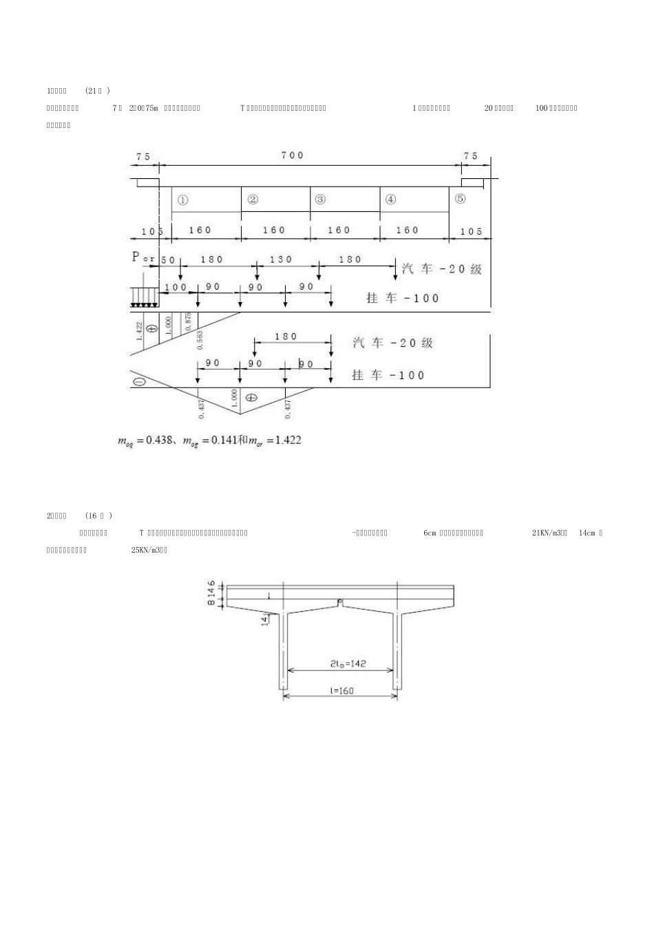
1、计算题(21 分 ) 一桥面净空为净—7 附 2×0.75m 人行道的钢筋混凝土T 梁桥,共设五根主梁。试求荷载位于支点处时1 号梁相应于汽车—20 级、挂车—100 和人群荷载的横向分布系数。 2、计算题(16 分 ) 计算下图所示的T 梁翼板所构成的铰接悬臂板的设计内力。设计荷载:公路-Ⅱ级。桥面铺装为6cm 沥青混凝土面层(容重为21KN/m3)和14cm 防水混凝土垫层(容重为25KN/m3)。 3、计算题(共2 0 分) 已知钢筋混凝土五片式T 型梁桥全长19.96m,计算跨径l=19.5m。主梁采用C40 混凝土,支座处梁肋宽带为30cm。梁的两端采用等厚度的橡胶支座。已计算求得支座压力标准值Rck=354.12KN,其中结构自重引起的支座反力标准值为162.7KN,公路-Ⅱ级引起的支座反力标准值为183.95KN,人群荷载pk=3.0KN/m2 的标准值为7.47KN;公路-Ⅱ级和人群荷载作用下产生的跨中挠度f=1.96cm,主梁的计算温差Δ t=36 摄氏度。试设计板式橡胶支座。 4、计算题(共 1 题,共20 分 ) 计算图1 所示T 梁翼板所构成铰接悬臂板的设计内力。桥面铺装为20mm 厚的沥青混凝土面层(容重为23KN/m3)和平均厚90mm 的C25 混凝土面层(容重为24KN/ m3)。T 梁翼板钢筋混凝土的容重为25KN/ m3。 图 1 铰接悬臂行车道板(单位:cm) 图 2 标准车辆荷载的计算图式(尺寸:m) 5、计算题(共 1 题,共20 分 ) 下图为跨径l=12.60m 的铰接空心板桥的横截面布置图,桥面净空为净-7+2×0.75m人行道。全桥跨由9 块预应力混凝土空心板组成,欲求1、 3 和 5 号板的车辆荷载和人群荷载作用下的跨中荷载横向分布系数。 图 1 空心板桥横断图 6、计算题(共 1 题,共20 分 ) 计算跨径=19.50m 的桥梁,其横截面如下图所示,试求荷载位于跨中时l 号边梁的荷载横向分布系数 (车辆荷载和 人群荷载)。 (a) 桥梁横断面 (b) 1 号梁横向影响线 图 1 横向分布系数计算图示

1、当您付费下载文档后,您只拥有了使用权限,并不意味着购买了版权,文档只能用于自身使用,不得用于其他商业用途(如 [转卖]进行直接盈利或[编辑后售卖]进行间接盈利)。
2、本站所有内容均由合作方或网友上传,本站不对文档的完整性、权威性及其观点立场正确性做任何保证或承诺!文档内容仅供研究参考,付费前请自行鉴别。
3、如文档内容存在违规,或者侵犯商业秘密、侵犯著作权等,请点击“违规举报”。

碎片内容

桥梁工程_计算题汇总

确认删除?
VIP
微信客服
  • 扫码咨询
会员Q群
  • 会员专属群点击这里加入QQ群
客服邮箱
回到顶部