电脑桌面
添加小米粒文库到电脑桌面
安装后可以在桌面快捷访问

桥梁工程分部(子分部)、分项工程序号及检验批汇总表

桥梁工程分部(子分部)、分项工程序号及检验批汇总表_第1页
1/7
桥梁工程分部(子分部)、分项工程序号及检验批汇总表_第2页
2/7
桥梁工程分部(子分部)、分项工程序号及检验批汇总表_第3页
3/7
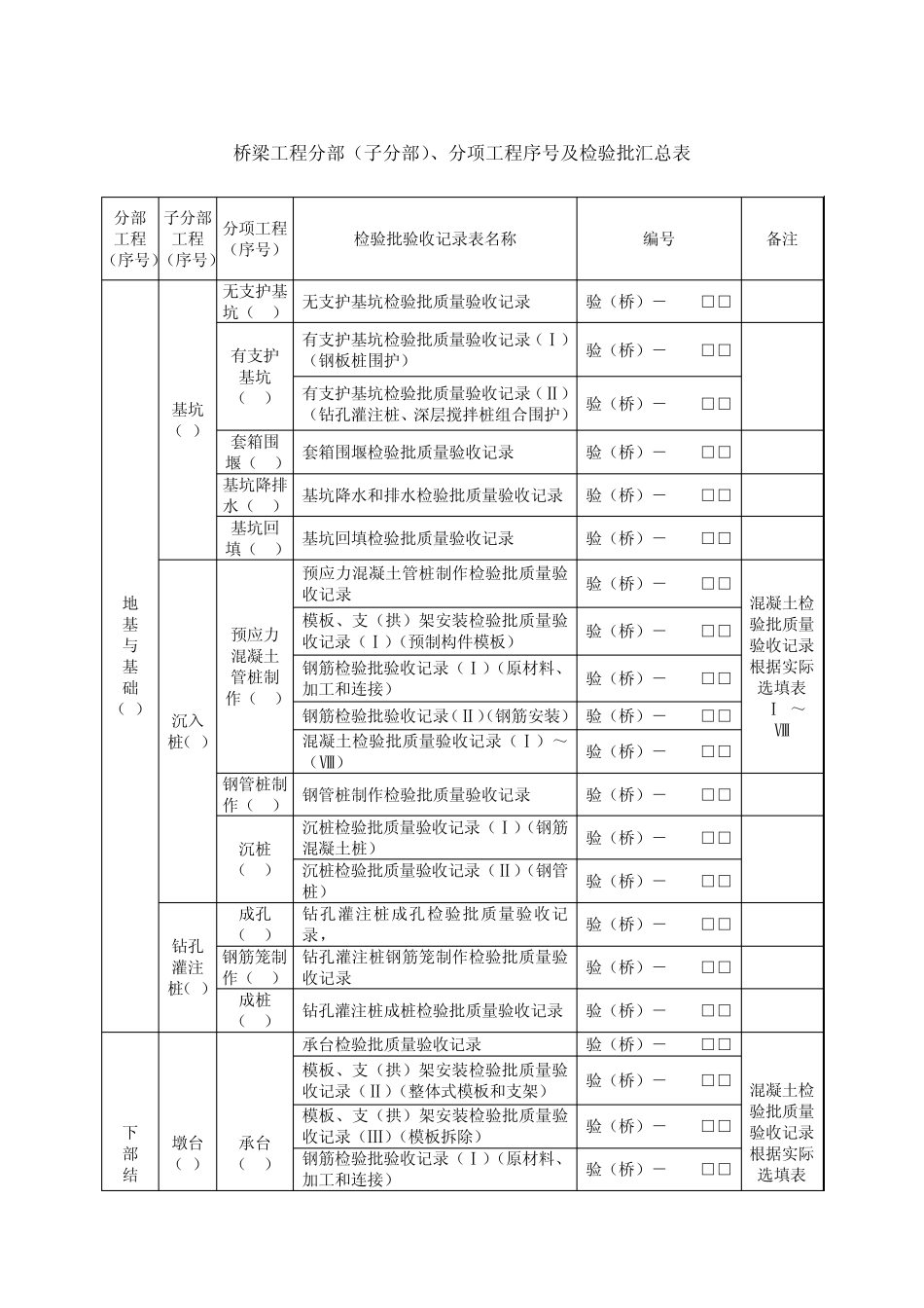
桥梁工程分部(子分部)、分项工程序号及检验批汇总表 分部 工程 (序号) 子分部 工程 (序号) 分项工程(序号) 检验批验收记录表名称 编号 备注 地 基 与 基 础(1) 基坑 (1) 无支护基坑(10) 无支护基坑检验批质量验收记录 验(桥)-1110□□ 有支护基坑(20) 有支护基坑检验批质量验收记录(Ⅰ)(钢板桩围护) 验(桥)-1120□□ 有支护基坑检验批质量验收记录(Ⅱ)(钻孔灌注桩、深层搅拌桩组合围护) 验(桥)-1120□□ 套箱围堰(30) 套箱围堰检验批质量验收记录 验(桥)-1130□□ 基坑降排水(40) 基坑降水和排水检验批质量验收记录 验(桥)-1140□□ 基坑回填(50) 基坑回填检验批质量验收记录 验(桥)-1150□□ 沉入 桩(2) 预应力混凝土管桩制作(10) 预应力混凝土管桩制作检验批质量验收记录 验(桥)-1210□□ 混凝土检验批质量验收记录根据实际选填表(Ⅰ)~(Ⅷ) 模板、支(拱)架安装检验批质量验收记录(Ⅰ)(预制构件模板) 验(桥)-1211□□ 钢筋检验批验收记录(Ⅰ)(原材料、加工和连接) 验(桥)-1212□□ 钢筋检验批验收记录(Ⅱ)(钢筋安装) 验(桥)-1212□□ 混凝土检验批质量验收记录(Ⅰ)~(Ⅷ) 验(桥)-1213□□ 钢管桩制作(20) 钢管桩制作检验批质量验收记录 验(桥)-1220□□ 沉桩(30) 沉桩检验批质量验收记录(Ⅰ)(钢筋混凝土桩) 验(桥)-1230□□ 沉桩检验批质量验收记录(Ⅱ)(钢管桩) 验(桥)-1230□□ 钻孔 灌注 桩(3) 成孔(10) 钻孔灌注桩成孔检验批质量验收记录, 验(桥)-1310□□ 钢筋笼制作(20) 钻孔灌注桩钢筋笼制作检验批质量验收记录 验(桥)-1320□□ 成桩(30) 钻孔灌注桩成桩检验批质量验收记录 验(桥)-1330□□ 下 部 结 墩台 (1) 承台(10) 承台检验批质量验收记录 验(桥)-2110□□ 混凝土检验批质量验收记录根据实际选填表模板、支(拱)架安装检验批质量验收记录(Ⅱ)(整体式模板和支架) 验(桥)-2111□□ 模板、支(拱)架安装检验批质量验收记录(Ⅲ)(模板拆除) 验(桥)-2111□□ 钢筋检验批验收记录(Ⅰ)(原材料、加工和连接) 验(桥)-2112□□ 构(2) 钢筋检验批验收记录(Ⅱ)(钢筋安装) 验(桥)-2112□□ (Ⅰ)~(Ⅷ) 钢筋检验批验收记录(Ⅲ)(结构杂散电流防护、防雷和接触网接地) 验(...

1、当您付费下载文档后,您只拥有了使用权限,并不意味着购买了版权,文档只能用于自身使用,不得用于其他商业用途(如 [转卖]进行直接盈利或[编辑后售卖]进行间接盈利)。
2、本站所有内容均由合作方或网友上传,本站不对文档的完整性、权威性及其观点立场正确性做任何保证或承诺!文档内容仅供研究参考,付费前请自行鉴别。
3、如文档内容存在违规,或者侵犯商业秘密、侵犯著作权等,请点击“违规举报”。

碎片内容

桥梁工程分部(子分部)、分项工程序号及检验批汇总表

确认删除?
VIP
微信客服
  • 扫码咨询
会员Q群
  • 会员专属群点击这里加入QQ群
客服邮箱
回到顶部